高考物理复习 第十章 第6课时 实验十三:用多用电表测量电学中的物理量 (1).docx本文件免费下载 【共13页】

高考物理复习  第十章 第6课时 实验十三:用多用电表测量电学中的物理量 (1).docx
高考物理复习  第十章 第6课时 实验十三:用多用电表测量电学中的物理量 (1).docx
高考物理复习  第十章 第6课时 实验十三:用多用电表测量电学中的物理量 (1).docx
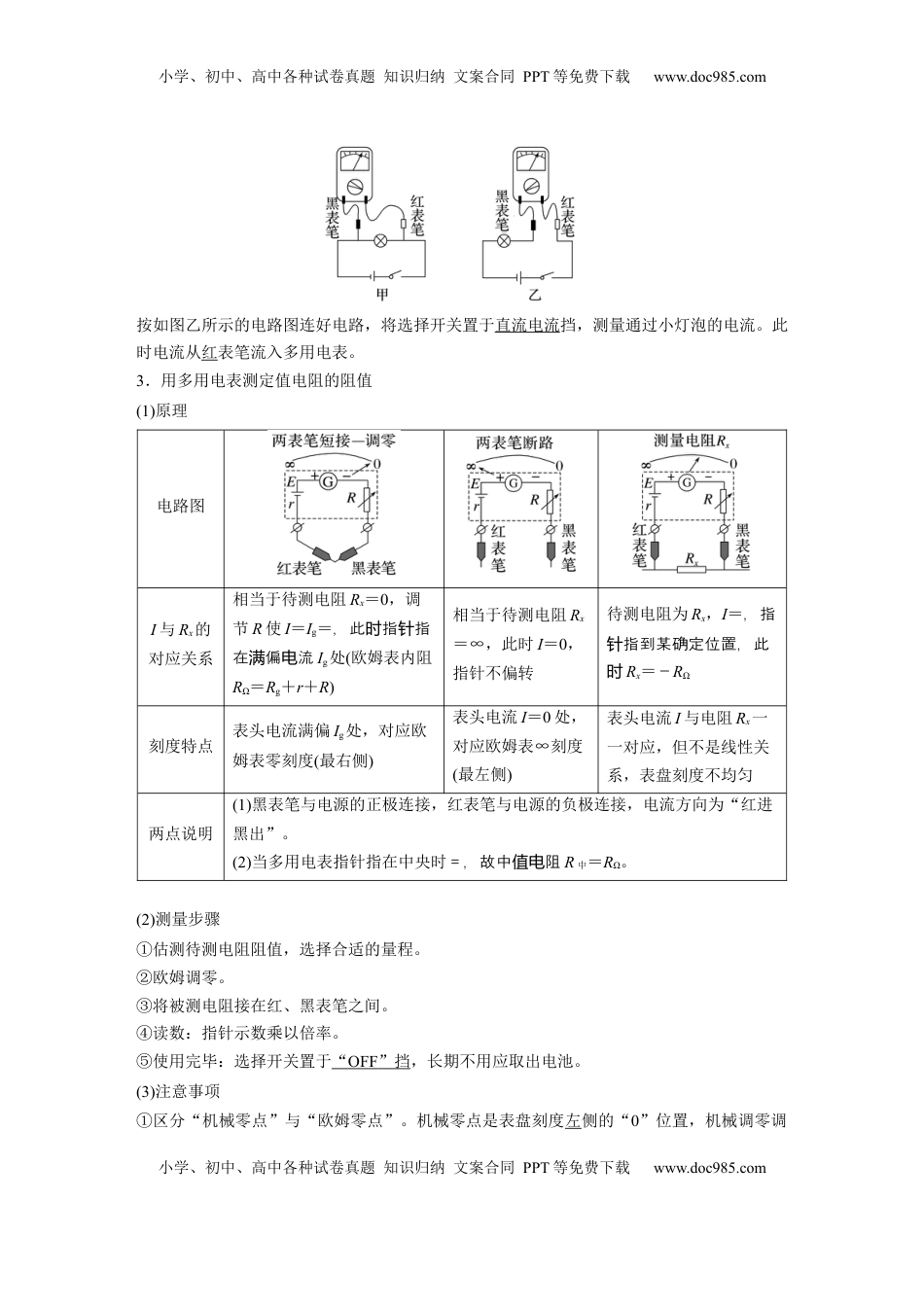
小学、初中、高中各种试卷真题知识归纳文案合同PPT等免费下载www.doc985.com小学、初中、高中各种试卷真题知识归纳文案合同PPT等免费下载www.doc985.com第6课时实验十三:用多用电表测量电学中的物理量目标要求1.了解多用电表的构造和工作原理。2.会用多用电表测量电压、电流。3.测量定值电阻和判断二极管的正负极。4.会用多用电表进行简单的电路故障分析。考点一实验技能储备1.认识多用电表(1)多用电表可以用来测量电流、电压、电阻等物理量,并且每一种测量项目都有几个量程。(2)外形如图所示:上半部分为表盘,表盘上有电流、电压、电阻等多种量程的刻度;下半部分为选择开关,它的四周刻有各种测量项目和量程。(3)多用电表面板上还有:欧姆表的欧姆调零旋钮(使电表指针指在右端零欧姆处)、指针定位螺丝(使电表指针指在左端的“0”位置)、表笔的正、负插孔(红表笔插入“+”插孔,黑表笔插入“-”插孔)。(4)原理图:2.用多用电表测量小灯泡的电压和电流按如图甲所示的电路图连好电路,将多用电表选择开关置于直流电压挡,测小灯泡两端的电压。红表笔接电势高(选填“高”或“低”)的点。小学、初中、高中各种试卷真题知识归纳文案合同PPT等免费下载www.doc985.com小学、初中、高中各种试卷真题知识归纳文案合同PPT等免费下载www.doc985.com按如图乙所示的电路图连好电路,将选择开关置于直流电流挡,测量通过小灯泡的电流。此时电流从红表笔流入多用电表。3.用多用电表测定值电阻的阻值(1)原理电路图I与Rx的对应关系相当于待测电阻Rx=0,调节R使I=Ig=,此指指时针在偏流满电Ig处(欧姆表内阻RΩ=Rg+r+R)相当于待测电阻Rx=∞,此时I=0,指针不偏转待测电阻为Rx,I=,指指到某确定位置,此针时Rx=-RΩ刻度特点表头电流满偏Ig处,对应欧姆表零刻度(最右侧)表头电流I=0处,对应欧姆表∞刻度(最左侧)表头电流I与电阻Rx一一对应,但不是线性关系,表盘刻度不均匀两点说明(1)黑表笔与电源的正极连接,红表笔与电源的负极连接,电流方向为“红进黑出”。(2)当多用电表指针指在中央时=,故中阻值电R中=RΩ。(2)测量步骤①估测待测电阻阻值,选择合适的量程。②欧姆调零。③将被测电阻接在红、黑表笔之间。④读数:指针示数乘以倍率。⑤使用完毕:选择开关置于“OFF”挡,长期不用应取出电池。(3)注意事项①区分“机械零点”与“欧姆零点”。机械零点是表盘刻度左侧的“0”位置,机械调零调小学、初中、高中各种试卷真题知识归纳文案合同PPT等免费下载www.doc985.com小学、初中、高中各种试卷真题知识归纳文案合同PPT等免费下载www.doc985.com节的是表盘下边中间的指针定位螺丝;欧姆零点是指刻度盘右侧的“0”位置,欧姆调零调节的是欧姆调零旋钮。②使指针指在中值附近,否则换挡。③测电阻时每换一次挡必须重新欧姆调零。④手不能接触表笔的金属杆。⑤测量电阻时待测电阻要与其他元件和电源断开。4.用多用电表测二极管的正、反向电阻(1)认识二极管:晶体二极管由半导体材料制成,它的符号如图所示,左端为正极,右端为负极。特点:当给二极管加正向电压时电阻很小,当给二极管加反向电压时电阻很大。(2)用欧姆挡判断二极管的正负极将多用电表欧姆调零之后,若多用电表指针偏角很大,则黑表笔接触二极管的正极,红表笔接触二极管的负极(如图甲);若多用电表指针偏角很小,则黑表笔接触二极管的负极,红表笔接触二极管的正极(如图乙)。例1(2023·广惠州市一模东)某同学想利用多用电表欧姆挡测量电压表内阻,所选用电压表有3V和15V两个量程。(1)测量电压表3V量程的内阻①先对多用电表进行机械调零,再将选择开关旋至欧姆挡“×100Ω”倍率处,短接两表笔,进行________;测量时,电压表的“―”极连接多用表的________(填“红表笔”或“黑表小学、初中、高中各种试卷真题知识归纳文案合同PPT等免费下载www.doc985.com小学、初中、高中各种试卷真题知识归纳文案合同PPT等免费下载www.doc985.com笔”);②测量时欧姆表的指针如图甲,则电压表3V量程的内阻为________Ω。(2)电压表15V量程和3V量程由同一个表头改装的,则可推算出15V量程的内阻等于________Ω。(3)若该多用电...

1、当您付费下载文档后,您只拥有了使用权限,并不意味着购买了版权,文档只能用于自身使用,不得用于其他商业用途(如 [转卖]进行直接盈利或[编辑后售卖]进行间接盈利)。
2、本站所有内容均由合作方或网友上传,本站不对文档的完整性、权威性及其观点立场正确性做任何保证或承诺!文档内容仅供研究参考,付费前请自行鉴别。
3、如文档内容存在违规,或者侵犯商业秘密、侵犯著作权等,请点击“违规举报”。

碎片内容

与本文档类似文档
2024年新高考物理资料 热点05 碰撞与类碰撞模型(解析版).docx
2024年新高考物理资料 热点05 碰撞与类碰撞模型(解析版).docx
免费
0下载
2024年新高考物理资料 限时集训04(原卷版).docx
2024年新高考物理资料 限时集训04(原卷版).docx
免费
0下载
2015年上海高考物理真题(原卷版).docx
2015年上海高考物理真题(原卷版).docx
免费
0下载
2024年新高考物理资料 第一篇 专题二 培优点3 数学归纳法和图像法解决多次碰撞问题 (1).docx
2024年新高考物理资料 第一篇 专题二 培优点3 数学归纳法和图像法解决多次碰撞问题 (1).docx
免费
0下载
广西北海市2022-2023学年高一上学期期末考试物理答案.pdf
广西北海市2022-2023学年高一上学期期末考试物理答案.pdf
免费
2下载
2009年上海市高中毕业统一学业考试物理试卷(word解析版).doc
2009年上海市高中毕业统一学业考试物理试卷(word解析版).doc
免费
4下载
1997年陕西高考物理真题及答案.doc
1997年陕西高考物理真题及答案.doc
免费
15下载
高考物理复习  第11章 磁场第5讲 专题提升 现代科技中的电场与磁场问题.docx
高考物理复习 第11章 磁场第5讲 专题提升 现代科技中的电场与磁场问题.docx
免费
0下载
精品解析:2023届江苏省宿迁北附同文实验学校高三下学期高考模拟最后一卷物理试题(原卷版).docx
精品解析:2023届江苏省宿迁北附同文实验学校高三下学期高考模拟最后一卷物理试题(原卷版).docx
免费
0下载
2025版《三维设计》一轮高中总复习 物理(提升版)实验一  探究小车速度随时间变化的规律.docx
2025版《三维设计》一轮高中总复习 物理(提升版)实验一  探究小车速度随时间变化的规律.docx
免费
0下载
高考物理复习  第67讲   光电效应波粒二象性(讲义)(原卷版).docx
高考物理复习 第67讲 光电效应波粒二象性(讲义)(原卷版).docx
免费
0下载
高中2024版考评特训卷·物理【新教材】(辽宁专版)考点79.docx
高中2024版考评特训卷·物理【新教材】(辽宁专版)考点79.docx
免费
0下载
2025年高考物理专题强化练三:传送带模型和滑块—木板模型(含解析).docx
2025年高考物理专题强化练三:传送带模型和滑块—木板模型(含解析).docx
免费
0下载
2025年新高考物理资料  热点14 电磁感应规律及应用 .docx
2025年新高考物理资料 热点14 电磁感应规律及应用 .docx
免费
0下载
2022·微专题·小练习·物理【新高考】专题72 .docx
2022·微专题·小练习·物理【新高考】专题72 .docx
免费
6下载
2024高考试卷河北物理-试题-p.doc
2024高考试卷河北物理-试题-p.doc
免费
22下载
2025届高中物理一轮复习练习(含解析):第四章 第1练 曲线运动 运动的合成与分解.docx
2025届高中物理一轮复习练习(含解析):第四章 第1练 曲线运动 运动的合成与分解.docx
免费
0下载
2024年高考物理 一轮复习讲义(新人教版)第11章 第1练 磁场及其对电流的作用.docx
2024年高考物理 一轮复习讲义(新人教版)第11章 第1练 磁场及其对电流的作用.docx
免费
19下载
2024年高考物理试卷(江苏)(解析卷) (2).docx
2024年高考物理试卷(江苏)(解析卷) (2).docx
免费
0下载
2024年高考物理 一轮复习讲义(新人教版)专题强化5 天体运动的“4类典型”问题.docx
2024年高考物理 一轮复习讲义(新人教版)专题强化5 天体运动的“4类典型”问题.docx
免费
18下载
我的小文库
实名认证
内容提供者

提供高质量免费文档试卷下载,如果满意请告诉您身边的人,如果不满意请告诉我们,您的意见对于我们很重要,是我们不断进步的动力

阅读排行

确认删除?
回到顶部
客服号
  • 客服QQ点击这里给我发消息
QQ群
  • QQ群点击这里加入QQ群
提交所需资料详情,我们来帮找资料