高考物理复习 第十五章 第3课时 气体的性质.docx本文件免费下载 【共7页】

高考物理复习  第十五章 第3课时 气体的性质.docx
高考物理复习  第十五章 第3课时 气体的性质.docx
高考物理复习  第十五章 第3课时 气体的性质.docx
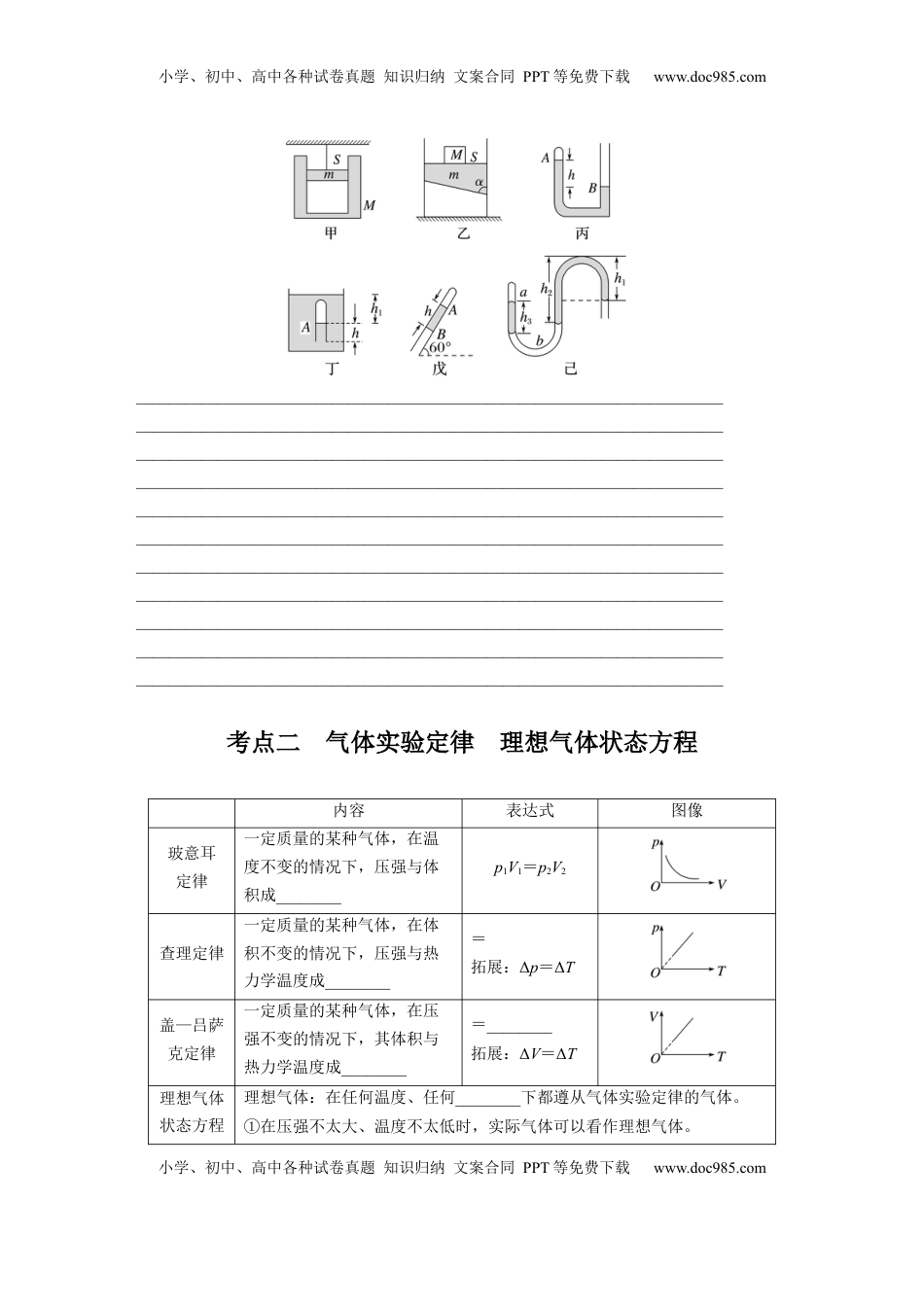
小学、初中、高中各种试卷真题知识归纳文案合同PPT等免费下载www.doc985.com小学、初中、高中各种试卷真题知识归纳文案合同PPT等免费下载www.doc985.com第3课时气体的性质目标要求1.掌握气体压强的计算方法。2.掌握气体实验定律的内容、适用条件,并会应用解决问题。3.会分析气体状态变化的图像问题。考点一气体压强的计算1.活塞模型如图所示是最常见的封闭气体的两种方式。求气体压强的基本方法:先对活塞进行受力分析,然后根据平衡条件或牛顿第二定律列方程。图甲中活塞的质量为m,活塞横截面积为S,外界大气压强为p0。由于活塞处于平衡状态,所以p0S+mg=pS,则气体的压强为p=p0+。图乙中的液柱也可以看成“活塞”,由于液柱处于平衡状态,所以pS+mg=p0S,则气体压强为p=p0-=p0-ρ液gh。2.连通器模型如图所示,U形管竖直放置。同一液体中的相同高度处压强一定相等,所以气体B和A的压强关系可由图中虚线联系起来。则有pB+ρgh2=pA,而pA=p0+ρgh1,所以气体B的压强为pB=p0+ρg(h1-h2)。例1若已知大气压强为p0,液体密度均为ρ,重力加速度为g,图甲、乙中汽缸横截面积为S,不计摩擦力,下列图中各装置均处于静止状态,求各装置中被封闭气体的压强。小学、初中、高中各种试卷真题知识归纳文案合同PPT等免费下载www.doc985.com小学、初中、高中各种试卷真题知识归纳文案合同PPT等免费下载www.doc985.com________________________________________________________________________________________________________________________________________________________________________________________________________________________________________________________________________________________________________________________________________________________________________________________________________________________________________________________________________________________________________________________________________________________________________________________________________________________________________________________________________________________________________________________________________________________________________________________________________________________考点二气体实验定律理想气体状态方程内容表达式图像玻意耳定律一定质量的某种气体,在温度不变的情况下,压强与体积成________p1V1=p2V2查理定律一定质量的某种气体,在体积不变的情况下,压强与热力学温度成________=拓展:Δp=ΔT盖—吕萨克定律一定质量的某种气体,在压强不变的情况下,其体积与热力学温度成________=________拓展:ΔV=ΔT理想气体状态方程理想气体:在任何温度、任何________下都遵从气体实验定律的气体。①在压强不太大、温度不太低时,实际气体可以看作理想气体。小学、初中、高中各种试卷真题知识归纳文案合同PPT等免费下载www.doc985.com小学、初中、高中各种试卷真题知识归纳文案合同PPT等免费下载www.doc985.com②理想气体的分子间除碰撞外不考虑其他作用,一定质量的某种理想气体的内能仅由________决定。理想气体状态方程:________________或________(质量一定的理想气体)*克拉伯龙方程:pV=nRT,其中n表示物质的量,n=,R为常数,对所有气体都相等。思考微的角度解体三定律。请从观释气实验(1)玻意耳定律的微解:观释一定量的某理想体,度保持不,分子的平均能质种气温变时动________。体小,分子积减时的密度数________,体的强气压________。(2)理定律的微解:查观释一定量的某理想体,体保持不,分子的密度保持不,度升高,分子的质种气积变时数变温时平均能动________,体的强气压________。(3)盖—克定律的微解:吕萨观释一定量的某理想体,度升高,分子的平均能质种气温时动________。只有体的体同增气积时大,使分子的密度数______,才能保持强不。压变1.理想体是一假想的物理模型,上不存在。气种实际并()2.理想体格遵守体定律。气严气实验()3.一定量的理...

1、当您付费下载文档后,您只拥有了使用权限,并不意味着购买了版权,文档只能用于自身使用,不得用于其他商业用途(如 [转卖]进行直接盈利或[编辑后售卖]进行间接盈利)。
2、本站所有内容均由合作方或网友上传,本站不对文档的完整性、权威性及其观点立场正确性做任何保证或承诺!文档内容仅供研究参考,付费前请自行鉴别。
3、如文档内容存在违规,或者侵犯商业秘密、侵犯著作权等,请点击“违规举报”。

碎片内容

与本文档类似文档
2016年上海市闸北区高考物理一模试卷.doc
2016年上海市闸北区高考物理一模试卷.doc
免费
0下载
2017年上海市普陀区高考物理二模试卷.doc
2017年上海市普陀区高考物理二模试卷.doc
免费
0下载
2024年高考物理一轮复习(新人教版) 第7章 专题强化12 动量和能量的综合问题.pptx
2024年高考物理一轮复习(新人教版) 第7章 专题强化12 动量和能量的综合问题.pptx
免费
0下载
2018年高考物理试卷(江苏)(解析卷).doc
2018年高考物理试卷(江苏)(解析卷).doc
免费
0下载
2024版《大考卷》全程考评特训卷·物理【统考版】第十二章 波粒二象性 原子结构和原子核.docx
2024版《大考卷》全程考评特训卷·物理【统考版】第十二章 波粒二象性 原子结构和原子核.docx
免费
26下载
2024年高考物理一轮复习(新人教版) 第6章 第2讲 动能定理及其应用.pptx
2024年高考物理一轮复习(新人教版) 第6章 第2讲 动能定理及其应用.pptx
免费
0下载
2024年高考物理 一轮复习讲义(新人教版)第9章 专题强化练14 带电粒子在电场中的力电综合问题.docx
2024年高考物理 一轮复习讲义(新人教版)第9章 专题强化练14 带电粒子在电场中的力电综合问题.docx
免费
2下载
2024版《大考卷》全程考评特训卷·物理【统考版】第四章 曲线运动 万有引力与航天.docx
2024版《大考卷》全程考评特训卷·物理【统考版】第四章 曲线运动 万有引力与航天.docx
免费
11下载
2024年高考物理一轮复习(新人教版) 第14章 实验14 用双缝干涉测量光的波长.pptx
2024年高考物理一轮复习(新人教版) 第14章 实验14 用双缝干涉测量光的波长.pptx
免费
0下载
上海市崇明区2022年高三第一学期期末(一模)学科质量检测物理试卷(word原卷版).docx
上海市崇明区2022年高三第一学期期末(一模)学科质量检测物理试卷(word原卷版).docx
免费
0下载
精品解析:江苏省南京市名校2023-2024学年高三下学期2月期初联考物理试题(解析版).docx
精品解析:江苏省南京市名校2023-2024学年高三下学期2月期初联考物理试题(解析版).docx
免费
0下载
2024年高考物理 一轮复习讲义(新人教版)2024年高考物理一轮复习(新人教版) 第9章 第4讲 带电粒子在电场中的偏转.docx
2024年高考物理 一轮复习讲义(新人教版)2024年高考物理一轮复习(新人教版) 第9章 第4讲 带电粒子在电场中的偏转.docx
免费
26下载
高考物理复习  第6章 机械能第6讲 功能关系 能量守恒定律.docx
高考物理复习 第6章 机械能第6讲 功能关系 能量守恒定律.docx
免费
0下载
【免费下载】2016年浙江高考物理(原卷版).doc
【免费下载】2016年浙江高考物理(原卷版).doc
免费
0下载
高考物理复习  第31讲 分子动理论 内能(原卷版).docx
高考物理复习 第31讲 分子动理论 内能(原卷版).docx
免费
0下载
2021年高考物理真题(重庆自主命题)(解析版).docx
2021年高考物理真题(重庆自主命题)(解析版).docx
免费
6下载
2025年新高考物理资料  第68讲   原子结构和原子核(讲义)(原卷版).docx
2025年新高考物理资料 第68讲 原子结构和原子核(讲义)(原卷版).docx
免费
0下载
1994年广东高考物理真题及答案.doc
1994年广东高考物理真题及答案.doc
免费
20下载
2018年全国统一高考物理试卷(新课标Ⅱ)(解析版).doc
2018年全国统一高考物理试卷(新课标Ⅱ)(解析版).doc
免费
0下载
2011年全国统一高考物理试卷(全国卷ⅱ)(含解析版).pdf
2011年全国统一高考物理试卷(全国卷ⅱ)(含解析版).pdf
免费
23下载
我的小文库
实名认证
内容提供者

提供高质量免费文档试卷下载,如果满意请告诉您身边的人,如果不满意请告诉我们,您的意见对于我们很重要,是我们不断进步的动力

阅读排行

确认删除?
回到顶部
客服号
  • 客服QQ点击这里给我发消息
QQ群
  • QQ群点击这里加入QQ群
提交所需资料详情,我们来帮找资料