高考物理复习 第十章 第6课时 实验十三:用多用电表测量电学中的物理量.docx本文件免费下载 【共6页】

高考物理复习  第十章 第6课时 实验十三:用多用电表测量电学中的物理量.docx
高考物理复习  第十章 第6课时 实验十三:用多用电表测量电学中的物理量.docx
高考物理复习  第十章 第6课时 实验十三:用多用电表测量电学中的物理量.docx
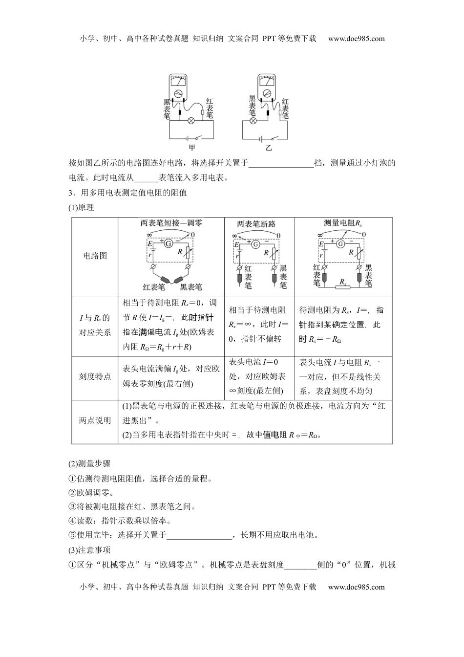
小学、初中、高中各种试卷真题知识归纳文案合同PPT等免费下载www.doc985.com小学、初中、高中各种试卷真题知识归纳文案合同PPT等免费下载www.doc985.com第6课时实验十三:用多用电表测量电学中的物理量目标要求1.了解多用电表的构造和工作原理。2.会用多用电表测量电压、电流。3.测量定值电阻和判断二极管的正负极。4.会用多用电表进行简单的电路故障分析。考点一实验技能储备1.认识多用电表(1)多用电表可以用来测量电流、电压、电阻等物理量,并且每一种测量项目都有几个量程。(2)外形如图所示:上半部分为表盘,表盘上有电流、电压、电阻等多种量程的刻度;下半部分为选择开关,它的四周刻有各种测量项目和量程。(3)多用电表面板上还有:欧姆表的欧姆调零旋钮(使电表指针指在右端零欧姆处)、指针定位螺丝(使电表指针指在左端的“0”位置)、表笔的正、负插孔(________表笔插入“+”插孔,________表笔插入“-”插孔)。(4)原理图:2.用多用电表测量小灯泡的电压和电流按如图甲所示的电路图连好电路,将多用电表选择开关置于________________挡,测小灯泡两端的电压。红表笔接电势________(选填“高”或“低”)的点。小学、初中、高中各种试卷真题知识归纳文案合同PPT等免费下载www.doc985.com小学、初中、高中各种试卷真题知识归纳文案合同PPT等免费下载www.doc985.com按如图乙所示的电路图连好电路,将选择开关置于________________挡,测量通过小灯泡的电流。此时电流从______表笔流入多用电表。3.用多用电表测定值电阻的阻值(1)原理电路图I与Rx的对应关系相当于待测电阻Rx=0,调节R使I=Ig=,此指时针指在偏流满电Ig处(欧姆表内阻RΩ=Rg+r+R)相当于待测电阻Rx=∞,此时I=0,指针不偏转待测电阻为Rx,I=,指指到某确定位置,此针时Rx=-RΩ刻度特点表头电流满偏Ig处,对应欧姆表零刻度(最右侧)表头电流I=0处,对应欧姆表∞刻度(最左侧)表头电流I与电阻Rx一一对应,但不是线性关系,表盘刻度不均匀两点说明(1)黑表笔与电源的正极连接,红表笔与电源的负极连接,电流方向为“红进黑出”。(2)当多用电表指针指在中央时=,故中阻值电R中=RΩ。(2)测量步骤①估测待测电阻阻值,选择合适的量程。②欧姆调零。③将被测电阻接在红、黑表笔之间。④读数:指针示数乘以倍率。⑤使用完毕:选择开关置于________________,长期不用应取出电池。(3)注意事项①区分“机械零点”与“欧姆零点”。机械零点是表盘刻度________侧的“0”位置,机械小学、初中、高中各种试卷真题知识归纳文案合同PPT等免费下载www.doc985.com小学、初中、高中各种试卷真题知识归纳文案合同PPT等免费下载www.doc985.com调零调节的是表盘下边中间的指针定位螺丝;欧姆零点是指刻度盘________侧的“0”位置,欧姆调零调节的是欧姆调零旋钮。②使指针指在中值附近,否则换挡。③测电阻时每换一次挡必须重新______________________________。④手不能接触表笔的金属杆。⑤测量电阻时待测电阻要与其他元件和________断开。4.用多用电表测二极管的正、反向电阻(1)认识二极管:晶体二极管由半导体材料制成,它的符号如图所示,左端为正极,右端为负极。特点:当给二极管加正向电压时电阻________,当给二极管加反向电压时电阻________。(2)用欧姆挡判断二极管的正负极将多用电表欧姆调零之后,若多用电表指针偏角很大,则黑表笔接触二极管的________极,红表笔接触二极管的________极(如图甲);若多用电表指针偏角很小,则黑表笔接触二极管的________极,红表笔接触二极管的________极(如图乙)。例1(2023·广惠州市一模东)某同学想利用多用电表欧姆挡测量电压表内阻,所选用电压表有3V和15V两个量程。(1)测量电压表3V量程的内阻①先对多用电表进行机械调零,再将选择开关旋至欧姆挡“×100Ω”倍率处,短接两表笔,小学、初中、高中各种试卷真题知识归纳文案合同PPT等免费下载www.doc985.com小学、初中、高中各种试卷真题知识归纳文案合同PPT等免费下载www.doc985.com进行________;测量时,电压表的“―”极连接多用表的________(填“红表笔”或“黑表笔”);②测量时欧姆表的指针如图甲,则电压表3V量程...

1、当您付费下载文档后,您只拥有了使用权限,并不意味着购买了版权,文档只能用于自身使用,不得用于其他商业用途(如 [转卖]进行直接盈利或[编辑后售卖]进行间接盈利)。
2、本站所有内容均由合作方或网友上传,本站不对文档的完整性、权威性及其观点立场正确性做任何保证或承诺!文档内容仅供研究参考,付费前请自行鉴别。
3、如文档内容存在违规,或者侵犯商业秘密、侵犯著作权等,请点击“违规举报”。

碎片内容

与本文档类似文档
2016年上海市闸北区高考物理一模试卷.doc
2016年上海市闸北区高考物理一模试卷.doc
免费
0下载
2017年上海市普陀区高考物理二模试卷.doc
2017年上海市普陀区高考物理二模试卷.doc
免费
0下载
2024年高考物理一轮复习(新人教版) 第7章 专题强化12 动量和能量的综合问题.pptx
2024年高考物理一轮复习(新人教版) 第7章 专题强化12 动量和能量的综合问题.pptx
免费
0下载
2018年高考物理试卷(江苏)(解析卷).doc
2018年高考物理试卷(江苏)(解析卷).doc
免费
0下载
2024版《大考卷》全程考评特训卷·物理【统考版】第十二章 波粒二象性 原子结构和原子核.docx
2024版《大考卷》全程考评特训卷·物理【统考版】第十二章 波粒二象性 原子结构和原子核.docx
免费
26下载
2024年高考物理一轮复习(新人教版) 第6章 第2讲 动能定理及其应用.pptx
2024年高考物理一轮复习(新人教版) 第6章 第2讲 动能定理及其应用.pptx
免费
0下载
2024年高考物理 一轮复习讲义(新人教版)第9章 专题强化练14 带电粒子在电场中的力电综合问题.docx
2024年高考物理 一轮复习讲义(新人教版)第9章 专题强化练14 带电粒子在电场中的力电综合问题.docx
免费
2下载
2024版《大考卷》全程考评特训卷·物理【统考版】第四章 曲线运动 万有引力与航天.docx
2024版《大考卷》全程考评特训卷·物理【统考版】第四章 曲线运动 万有引力与航天.docx
免费
11下载
2024年高考物理一轮复习(新人教版) 第14章 实验14 用双缝干涉测量光的波长.pptx
2024年高考物理一轮复习(新人教版) 第14章 实验14 用双缝干涉测量光的波长.pptx
免费
0下载
上海市崇明区2022年高三第一学期期末(一模)学科质量检测物理试卷(word原卷版).docx
上海市崇明区2022年高三第一学期期末(一模)学科质量检测物理试卷(word原卷版).docx
免费
0下载
精品解析:江苏省南京市名校2023-2024学年高三下学期2月期初联考物理试题(解析版).docx
精品解析:江苏省南京市名校2023-2024学年高三下学期2月期初联考物理试题(解析版).docx
免费
0下载
2024年高考物理 一轮复习讲义(新人教版)2024年高考物理一轮复习(新人教版) 第9章 第4讲 带电粒子在电场中的偏转.docx
2024年高考物理 一轮复习讲义(新人教版)2024年高考物理一轮复习(新人教版) 第9章 第4讲 带电粒子在电场中的偏转.docx
免费
26下载
高考物理复习  第6章 机械能第6讲 功能关系 能量守恒定律.docx
高考物理复习 第6章 机械能第6讲 功能关系 能量守恒定律.docx
免费
0下载
【免费下载】2016年浙江高考物理(原卷版).doc
【免费下载】2016年浙江高考物理(原卷版).doc
免费
0下载
高考物理复习  第31讲 分子动理论 内能(原卷版).docx
高考物理复习 第31讲 分子动理论 内能(原卷版).docx
免费
0下载
2021年高考物理真题(重庆自主命题)(解析版).docx
2021年高考物理真题(重庆自主命题)(解析版).docx
免费
6下载
2025年新高考物理资料  第68讲   原子结构和原子核(讲义)(原卷版).docx
2025年新高考物理资料 第68讲 原子结构和原子核(讲义)(原卷版).docx
免费
0下载
1994年广东高考物理真题及答案.doc
1994年广东高考物理真题及答案.doc
免费
20下载
2018年全国统一高考物理试卷(新课标Ⅱ)(解析版).doc
2018年全国统一高考物理试卷(新课标Ⅱ)(解析版).doc
免费
0下载
2011年全国统一高考物理试卷(全国卷ⅱ)(含解析版).pdf
2011年全国统一高考物理试卷(全国卷ⅱ)(含解析版).pdf
免费
23下载
我的小文库
实名认证
内容提供者

提供高质量免费文档试卷下载,如果满意请告诉您身边的人,如果不满意请告诉我们,您的意见对于我们很重要,是我们不断进步的动力

阅读排行

确认删除?
回到顶部
客服号
  • 客服QQ点击这里给我发消息
QQ群
  • QQ群点击这里加入QQ群
提交所需资料详情,我们来帮找资料