高中化学必修1 第03章 铁 金属材料(B卷能力提高篇)(原卷版).doc本文件免费下载 【共8页】

高中化学必修1 第03章 铁 金属材料(B卷能力提高篇)(原卷版).doc
高中化学必修1 第03章 铁 金属材料(B卷能力提高篇)(原卷版).doc
高中化学必修1 第03章 铁 金属材料(B卷能力提高篇)(原卷版).doc
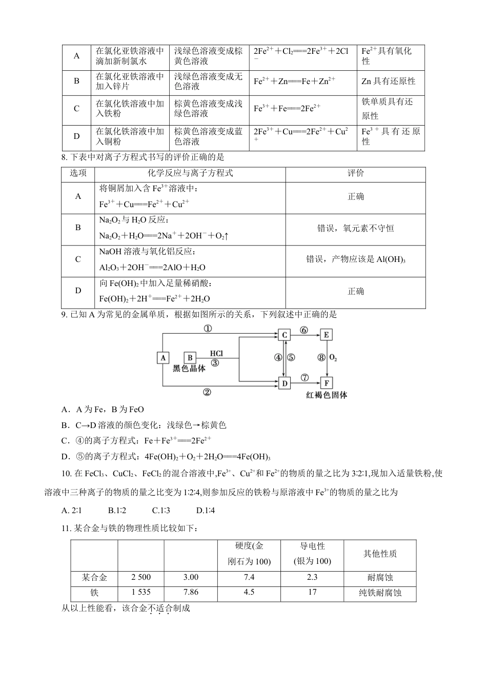
2020-2021学年高一化学必修第一册同步单元AB卷(新教材人教版)第三章铁金属材料(B卷)(能力提高篇)说明:本试卷分选择题非选择题,满分100分,考试时间90分钟。可能用到的相对原子质量:H1C12N14O16Na23Mg24Al27S32Cl35.5K31Fe56Cu64Zn65一、选择题:本题共20个小题,每小题2分。共40分,在每小题给出的四个选项中,只有一项是符合题目要求的。1.用如图所示装置进行铁与水蒸气反应的实验,下列做法不正确的是A.试管中的还原铁粉可用绕成团的干净细铁丝代替B.可将试管底部的湿棉花移到试管口C.用铁丝网罩罩住酒精灯火焰D.点燃肥皂泡验证氢气的生成2.有关铁的氧化物的说法中,不正确的是A.赤铁矿主要成分是Fe2O3,Fe2O3是红棕色的,常用作红色油漆和涂料B.Fe3O4是黑色晶体,其中的铁显+2价,的铁显+3价C.FeO、Fe2O3都不溶于水,但都能和盐酸反应生成相应的盐D.FeO不稳定,在空气中加热迅速被氧化成Fe2O33.某铁的氧化物,用7.0mol·L-1的盐酸100mL在一定条件下恰好完全溶解,所得溶液中再通入0.56L标况下的氯气时,刚好使溶液中的Fe2+全部转化为Fe3+,则该氧化物中Fe2+与Fe3+的物质的量之比为A.14∶B.21∶C.41∶D.34∶4.有关铁的化合物的说法中,错误的是A.Fe(OH)2是一种黑色固体,不稳定,在空气中易被氧化转变为红褐色B.由图标操作可制取Fe(OH)2C.Fe3O4、Fe(OH)3都可以由化合反应制得D.Fe(OH)3胶体呈红褐色、透明,能发生丁达尔效应5.某同学欲利用如图装置制取能较长时间存在的Fe(OH)2,其中实验所用溶液现配现用且蒸馏水先加热煮沸。下列分析正确的是A.X可以是稀硫酸或稀硝酸或稀盐酸B.实验开始时应先关闭a、打开b,再向烧瓶中加入XC.反应一段时间后可在烧瓶中观察到白色沉淀D.反应结束后若关闭b及分液漏斗活塞,则Fe(OH)2可较长时间存在6.选择合适试剂完成甲、乙两组实验。甲组:检验含Fe3+的溶液中是否含有Fe2+;乙组:检验含Fe2+的溶液中是否含有Fe3+。下列试剂及加入试剂顺序能达到实验目的的是试剂选项甲组乙组A新制氯水、KSCN溶液NaOH溶液B酸性KMnO4溶液KSCN溶液CKOH溶液溴水D溴水酸性KMnO4溶液7.为了探究铁及其化合物的氧化性和还原性,某同学设计如下实验方案,其中符合实验要求且正确的是选项实验操作实验现象离子反应实验结论A在氯化亚铁溶液中滴加新制氯水浅绿色溶液变成棕黄色溶液2Fe2++Cl2===2Fe3++2Cl-Fe2+具有氧化性B在氯化亚铁溶液中加入锌片浅绿色溶液变成无色溶液Fe2++Zn===Fe+Zn2+Zn具有还原性C在氯化铁溶液中加入铁粉棕黄色溶液变成浅绿色溶液Fe3++Fe===2Fe2+铁单质具有还原性D在氯化铁溶液中加入铜粉棕黄色溶液变成蓝色溶液2Fe3++Cu===2Fe2++Cu2+Fe3+具有还原性8.下表中对离子方程式书写的评价正确的是选项化学反应与离子方程式评价A将铜屑加入含Fe3+溶液中:Fe3++Cu===Fe2++Cu2+正确BNa2O2与H2O反应:Na2O2+H2O===2Na++2OH-+O2↑错误,氧元素不守恒CNaOH溶液与氧化铝反应:Al2O3+2OH-===2AlO+H2O错误,产物应该是Al(OH)3D向Fe(OH)2中加入足量稀硝酸:Fe(OH)2+2H+===Fe2++2H2O正确9.已知A为常见的金属单质,根据如图所示的关系,下列叙述中正确的是A.A为Fe,B为FeOB.C→D溶液的颜色变化:浅绿色→棕黄色C.④的离子方程式:Fe+Fe3+===2Fe2+D.⑤的离子方程式:4Fe(OH)2+O2+2H2O===4Fe(OH)310.在FeCl3、CuCl2、FeCl2的混合溶液中,Fe3+、Cu2+和Fe2+的物质的量之比为321,∶∶现加入适量铁粉,使溶液中三种离子的物质的量之比变为124,∶∶则参加反应的铁粉与原溶液中Fe3+的物质的量之比为A.21∶B.12∶C.13∶D.14∶11.某合金与铁的物理性质比较如下:硬度(金刚石为100)导电性(银为100)其他性质某合金25003.007.42.3耐腐蚀铁15357.864.517纯铁耐腐蚀从以上性能看,该合金不适合制成A.导线B.门窗C.炉具D.飞机外壳12.美国“海狼”级潜艇上的核反应堆内使用了液体铝钠合金(单质钠和单质铝熔合而成)做载热介质。下列有关说法不正确的是A.金属性:Na>AlB.铝钠合金若投入一定量的水中可得到无色溶液,则n(Al)≤n(Na)C.铝钠合金投入足量氯化铜溶液中,肯定有氢氧化铜沉淀产生,也可能有铜析出D.mg...

1、当您付费下载文档后,您只拥有了使用权限,并不意味着购买了版权,文档只能用于自身使用,不得用于其他商业用途(如 [转卖]进行直接盈利或[编辑后售卖]进行间接盈利)。
2、本站所有内容均由合作方或网友上传,本站不对文档的完整性、权威性及其观点立场正确性做任何保证或承诺!文档内容仅供研究参考,付费前请自行鉴别。
3、如文档内容存在违规,或者侵犯商业秘密、侵犯著作权等,请点击“违规举报”。

碎片内容

与本文档类似文档
7.3 乙醇与乙酸(第二课时 乙酸)-2021-2022学年高一化学同步课时练+单元测试(人教版2019必修第二册)(原卷版).docx
7.3 乙醇与乙酸(第二课时 乙酸)-2021-2022学年高一化学同步课时练+单元测试(人教版2019必修第二册)(原卷版).docx
免费
5下载
期中综合检测卷02【综合检测】-高一化学下学期期中专项复习(人教版2019必修第二册)(解析版).doc
期中综合检测卷02【综合检测】-高一化学下学期期中专项复习(人教版2019必修第二册)(解析版).doc
免费
6下载
高中化学试卷必修二专项03 原电池原理的综合判断-2019-2020学年高一化学期末复习专项提升卷(人教版2019必修第二册)(解析版).docx
高中化学试卷必修二专项03 原电池原理的综合判断-2019-2020学年高一化学期末复习专项提升卷(人教版2019必修第二册)(解析版).docx
免费
0下载
高中化学必修1 【新教材精创】第三章 章末检测(2)(原卷版).docx
高中化学必修1 【新教材精创】第三章 章末检测(2)(原卷版).docx
免费
0下载
高中化学必修1 第04章 物质结构 元素周期律(A卷基础强化篇)(解析版).doc
高中化学必修1 第04章 物质结构 元素周期律(A卷基础强化篇)(解析版).doc
免费
0下载
高中化学必修1 第二章第1节钠及其化合物-课时作业2022-2023学年上学期高一化学人教版(2019)必修第一册.docx
高中化学必修1 第二章第1节钠及其化合物-课时作业2022-2023学年上学期高一化学人教版(2019)必修第一册.docx
免费
0下载
高中化学必修1 第一章 物质及其变化   测试题2022-2023学年高一上学期化学人教版(2019)必修第一册.docx
高中化学必修1 第一章 物质及其变化 测试题2022-2023学年高一上学期化学人教版(2019)必修第一册.docx
免费
0下载
高中化学选择性必修三 同步习题第3章 提升课4 限定条件下同分异构体的书写与判断.docx
高中化学选择性必修三 同步习题第3章 提升课4 限定条件下同分异构体的书写与判断.docx
免费
28下载
5.2氮及其化合物  课时训练   2022-2023学年高一下学期化学人教版(2019)必修第二册.docx
5.2氮及其化合物 课时训练 2022-2023学年高一下学期化学人教版(2019)必修第二册.docx
免费
0下载
人教版高中化学必修二5.1.1 硫和二氧化硫 练习(1)(解析版) (1).docx
人教版高中化学必修二5.1.1 硫和二氧化硫 练习(1)(解析版) (1).docx
免费
0下载
【原创】必修第二册第六单元化学反应与能量达标检测卷 (B) 学生版.doc
【原创】必修第二册第六单元化学反应与能量达标检测卷 (B) 学生版.doc
免费
7下载
高中化学必修1 第四章第2节元素周期律课时作业2022-2023学年上学期高一化学人教版(2019)必修第一册.docx
高中化学必修1 第四章第2节元素周期律课时作业2022-2023学年上学期高一化学人教版(2019)必修第一册.docx
免费
0下载
高中化学必修1 第三章 金属材料课时训练 2022-2023学年高一上学期化学人教版(2019)必修第一册.docx
高中化学必修1 第三章 金属材料课时训练 2022-2023学年高一上学期化学人教版(2019)必修第一册.docx
免费
0下载
高一化学【新教材精创】4.1.1 原子结构  元素周期表  核素练习(2)(原卷版).docx
高一化学【新教材精创】4.1.1 原子结构 元素周期表 核素练习(2)(原卷版).docx
免费
20下载
高中化学选择性必修三 同步习题第3章 第1节 卤代烃.docx
高中化学选择性必修三 同步习题第3章 第1节 卤代烃.docx
免费
15下载
第八章 第一节 自然资源的开发利用  课时作业一   高一下学期化学人教版(2019)必修第二册(1).docx
第八章 第一节 自然资源的开发利用 课时作业一 高一下学期化学人教版(2019)必修第二册(1).docx
免费
1下载
高中化学试卷必修二【新教材精创】7.2.1 乙烯 练习(1)(原卷版).docx
高中化学试卷必修二【新教材精创】7.2.1 乙烯 练习(1)(原卷版).docx
免费
0下载
高中化学试卷必修一精品解析:北京市中国人民大学附属中学2019-2020学年高一上学期期中考试化学试题(解析版).doc
高中化学试卷必修一精品解析:北京市中国人民大学附属中学2019-2020学年高一上学期期中考试化学试题(解析版).doc
免费
0下载
第七章第四节基本营养物质同步训练2022-2023学年下学期高一化学人教版(2019)必修第二册.docx
第七章第四节基本营养物质同步训练2022-2023学年下学期高一化学人教版(2019)必修第二册.docx
免费
0下载
人教版高中化学必修二专项02 化学反应中能量变化关系的判断及计算-2019-2020学年高一化学期末复习专项提升卷(人教版2019必修第二册)(解析版).docx
人教版高中化学必修二专项02 化学反应中能量变化关系的判断及计算-2019-2020学年高一化学期末复习专项提升卷(人教版2019必修第二册)(解析版).docx
免费
0下载
我的小文库
实名认证
内容提供者

提供高质量免费文档试卷下载,如果满意请告诉您身边的人,如果不满意请告诉我们,您的意见对于我们很重要,是我们不断进步的动力

相关文档

阅读排行

确认删除?
回到顶部
客服号
  • 客服QQ点击这里给我发消息
QQ群
  • QQ群点击这里加入QQ群
提交所需资料详情,我们来帮找资料