2024年新高考物理资料 第10章 实验12 用多用电表测量电学中的物理量.docx本文件免费下载 【共7页】

2024年新高考物理资料 第10章 实验12 用多用电表测量电学中的物理量.docx
2024年新高考物理资料 第10章 实验12 用多用电表测量电学中的物理量.docx
2024年新高考物理资料 第10章 实验12 用多用电表测量电学中的物理量.docx
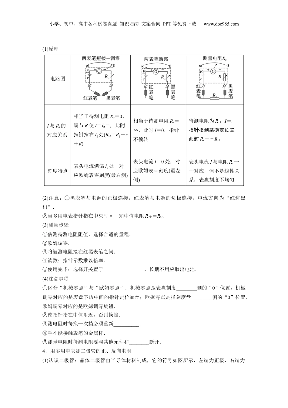
小学、初中、高中各种试卷真题知识归纳文案合同PPT等免费下载www.doc985.com实验十二用多用电表测量电学中的物理量目标要求1.了解多用电表的构造和工作原理.2.会用多用电表测量电压、电流.3.测量定值电阻和判断二极管的正负极.4.会用多用电表进行简单的电路故障分析.实验技能储备1.认识多用电表(1)多用电表可以用来测量电流、电压、电阻等,并且每一种测量项目都有几个量程.(2)外形如图所示:上半部分为表盘,表盘上有电流、电压、电阻等多种量程的刻度;下半部分为选择开关,它的四周刻有各种测量项目和量程.多用电表面板上还有:欧姆表的欧姆调零旋钮(使电表指针指在右端零欧姆处)、指针定位螺丝(使电表指针指在左端的“0”位置)、表笔的正、负插孔(________表笔插入“+”插孔,________表笔插入“-”插孔).2.用多用电表测量小灯泡的电压和电流按如图甲所示的电路图连好电路,将多用电表选择开关置于________________挡,测小灯泡两端的电压.红表笔接电势________(填“高”或“低”)的点.按如图乙所示的电路图连好电路,将选择开关置于________________挡,测量通过小灯泡的电流.此时电流从________色表笔流入电表.3.用多用电表测定值电阻的阻值小学、初中、高中各种试卷真题知识归纳文案合同PPT等免费下载www.doc985.com(1)原理电路图I与Rx的对应关系相当于待测电阻Rx=0,调节R使I=Ig=,此时指指在针Ig处(RΩ=Rg+r+R)相当于待测电阻Rx=∞,此时I=0,指针不偏转待测电阻为Rx,I=,指指到某确定位置,针此时Rx=-RΩ刻度特点表头电流满偏Ig处,对应欧姆表零刻度(最右侧)表头电流I=0处,对应欧姆表∞刻度(最左侧)表头电流I与电阻Rx一一对应,但不是线性关系,表盘刻度不均匀(2)注意:①黑表笔与电源的正极连接,红表笔与电源的负极连接,电流方向为“红进黑出”.②当多用电表指针指在中央时=,知中值电阻R中=RΩ.(3)测量步骤①估测待测电阻阻值,选择合适的量程.②欧姆调零.③将被测电阻接在红黑表笔之间.④读数:指针示数乘以倍率.⑤使用完毕:选择开关置于________________,长期不用应取出电池.(4)注意事项①区分“机械零点”与“欧姆零点”.机械零点是表盘刻度________侧的“0”位置,机械调零对应的是表盘下边中间的指针定位螺丝;欧姆零点是指刻度盘________侧的“0”位置,欧姆调零对应的是欧姆调零旋钮.②使指针指在中值附近,否则换挡.③测电阻时每换一次挡必须重新__________.④手不能接触表笔的金属杆.⑤测量电阻时待测电阻要与其他元件和________断开.4.用多用电表测二极管的正、反向电阻(1)认识二极管:晶体二极管由半导体材料制成,它的符号如图所示,左端为正极,右端为小学、初中、高中各种试卷真题知识归纳文案合同PPT等免费下载www.doc985.com负极.特点:当给二极管加正向电压时电阻________,当给二极管加反向电压时电阻________.(2)用欧姆挡判断二极管的正负极将多用电表欧姆挡调零之后,若多用电表指针偏角很大,则黑表笔接触二极管的________极,红表笔接触二极管的________极(如图甲);若多用电表指针偏角很小,则黑表笔接触二极管的________极,红表笔接触二极管的________极(如图乙).5.探索黑箱内的电学元件判断目的应用挡位现象电源电压挡两接线柱正、反接时均无示数,说明无电源电阻欧姆挡两接线柱正、反接时示数相同二极管欧姆挡正接时示数很小,反接时示数很大考点一教材原型实验考向1多用电表原理及读数例1图(a)为某同学组装完成的简易多用电表的电路图.图中E是电池;R1、R2、R3、R4和R5是固定电阻,R6是可变电阻;表头的满偏电流为250μA,内阻为480Ω.虚线方框内为换挡开关,A端和B端分别与两表笔相连.该多用电表有5个挡位,5个挡位为:直流电压1V挡和5V挡,直流电流1mA挡和2.5mA挡,欧姆×100Ω挡.小学、初中、高中各种试卷真题知识归纳文案合同PPT等免费下载www.doc985.com(1)图(a)中的A端与________(填“红”或“黑”)色表笔相连接.(2)关于R6的使用,下列说法正确的是________(填正确答案标号).A.在使用多用电表之前,调整R6使电表指针指在表盘左端电流“0”位置B.使用欧姆挡时,先将两表笔...

1、当您付费下载文档后,您只拥有了使用权限,并不意味着购买了版权,文档只能用于自身使用,不得用于其他商业用途(如 [转卖]进行直接盈利或[编辑后售卖]进行间接盈利)。
2、本站所有内容均由合作方或网友上传,本站不对文档的完整性、权威性及其观点立场正确性做任何保证或承诺!文档内容仅供研究参考,付费前请自行鉴别。
3、如文档内容存在违规,或者侵犯商业秘密、侵犯著作权等,请点击“违规举报”。

碎片内容

与本文档类似文档
2024年新高考物理资料 专题06 万有引力与航天-2022年高考真题和模拟题物理分专题训练(学生版).docx
2024年新高考物理资料 专题06 万有引力与航天-2022年高考真题和模拟题物理分专题训练(学生版).docx
免费
0下载
2025版《三维设计》一轮高中总复习 物理(提升版)实验十五 传感器的简单应用(学生版).docx
2025版《三维设计》一轮高中总复习 物理(提升版)实验十五 传感器的简单应用(学生版).docx
免费
0下载
2025年新高考物理资料  第44讲   重点实验:用多用电表测量电学中的物理量(讲义)(原卷版).docx
2025年新高考物理资料 第44讲 重点实验:用多用电表测量电学中的物理量(讲义)(原卷版).docx
免费
0下载
2011年北京市高考物理试卷(原卷版).doc
2011年北京市高考物理试卷(原卷版).doc
免费
5下载
17.辽宁省五校东北育才、大连24中、鞍山一中等2022-2023学年高二上学期期末物理试题(解析版).pdf
17.辽宁省五校东北育才、大连24中、鞍山一中等2022-2023学年高二上学期期末物理试题(解析版).pdf
免费
19下载
2008年高考物理试卷(广东)(空白卷) (1).docx
2008年高考物理试卷(广东)(空白卷) (1).docx
免费
0下载
2025年新高考物理资料  第十五章 第2课时 实验十九:用油膜法估测油酸分子的大小 实验二十:探究等温情况下一定质量气体压强与体积的关系.pptx
2025年新高考物理资料 第十五章 第2课时 实验十九:用油膜法估测油酸分子的大小 实验二十:探究等温情况下一定质量气体压强与体积的关系.pptx
免费
0下载
2025年新高考物理资料  选择题考点专项37 爆炸、反冲和人船模型(后附解析).docx
2025年新高考物理资料 选择题考点专项37 爆炸、反冲和人船模型(后附解析).docx
免费
0下载
2024年新高考物理资料 压轴题抢分练(2).docx
2024年新高考物理资料 压轴题抢分练(2).docx
免费
0下载
2024年高考物理一轮复习(新人教版) 第6章 实验7 验证机械能守恒定律.pptx
2024年高考物理一轮复习(新人教版) 第6章 实验7 验证机械能守恒定律.pptx
免费
0下载
2019年上海市宝山区高考物理一模试卷(含解析版).doc
2019年上海市宝山区高考物理一模试卷(含解析版).doc
免费
0下载
2024年高考物理一轮复习(新人教版) 第6章 第3讲 机械能守恒定律及其应用.pptx
2024年高考物理一轮复习(新人教版) 第6章 第3讲 机械能守恒定律及其应用.pptx
免费
0下载
高中2024版考评特训卷·物理【新教材】考点52.docx
高中2024版考评特训卷·物理【新教材】考点52.docx
免费
0下载
2024年新高考物理资料 训练十二  动量和能量的综合问题-备战2024年高考物理一轮复习专题复习与训练(解析版).docx
2024年新高考物理资料 训练十二 动量和能量的综合问题-备战2024年高考物理一轮复习专题复习与训练(解析版).docx
免费
0下载
2023年高考江苏卷物理真题(解析版).docx
2023年高考江苏卷物理真题(解析版).docx
免费
27下载
2020年高考物理真题(新课标Ⅲ)(解析版).doc
2020年高考物理真题(新课标Ⅲ)(解析版).doc
免费
19下载
高考物理专题04 三种力和力的合成与分解(解析卷)-十年(2014-2023)高考物理真题分项汇编(全国通用).docx
高考物理专题04 三种力和力的合成与分解(解析卷)-十年(2014-2023)高考物理真题分项汇编(全国通用).docx
免费
0下载
2013年山东省高考物理试卷.doc
2013年山东省高考物理试卷.doc
免费
0下载
2025年新高考物理资料  第31讲 分子动理论 内能(解析版).docx
2025年新高考物理资料 第31讲 分子动理论 内能(解析版).docx
免费
0下载
高中物理·必修第一册课时作业WORD  课时分层作业(二十一).docx
高中物理·必修第一册课时作业WORD 课时分层作业(二十一).docx
免费
25下载
我的小文库
实名认证
内容提供者

提供高质量免费文档试卷下载,如果满意请告诉您身边的人,如果不满意请告诉我们,您的意见对于我们很重要,是我们不断进步的动力

阅读排行

确认删除?
回到顶部
客服号
  • 客服QQ点击这里给我发消息
QQ群
  • QQ群点击这里加入QQ群
提交所需资料详情,我们来帮找资料