高考化学复习 考点二 物质的量在化学实验中的应用(学生版).docx本文件免费下载 【共5页】

高考化学复习  考点二 物质的量在化学实验中的应用(学生版).docx
高考化学复习  考点二 物质的量在化学实验中的应用(学生版).docx
高考化学复习  考点二 物质的量在化学实验中的应用(学生版).docx
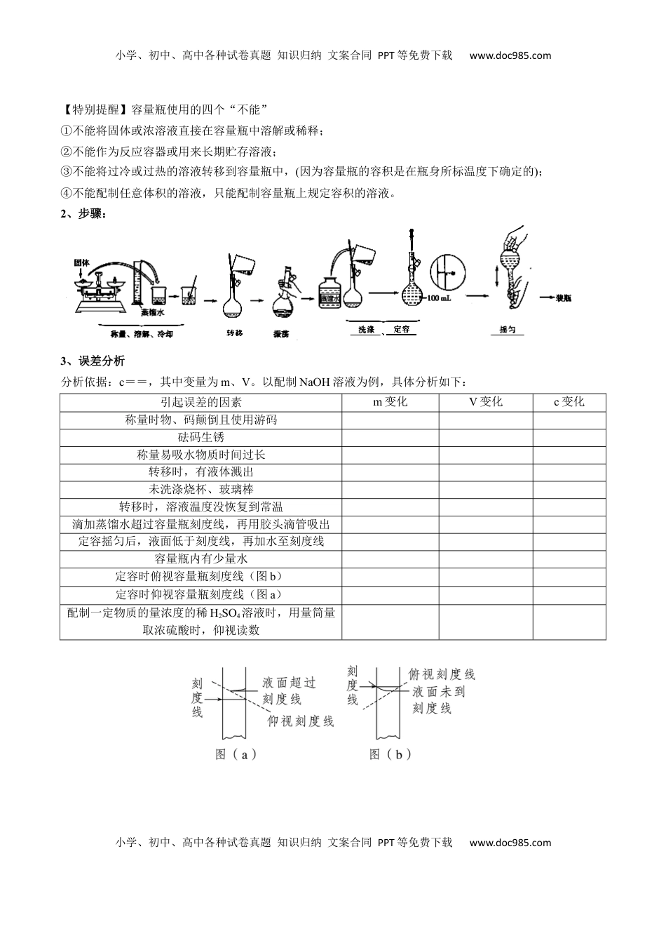
小学、初中、高中各种试卷真题知识归纳文案合同PPT等免费下载www.doc985.com小学、初中、高中各种试卷真题知识归纳文案合同PPT等免费下载www.doc985.com【基础知识】物质的量及计算考点三物质的量在化学实验中的应用【必备知识】一、物质的量浓度及其计算1、物质的量浓度(1)概念物质的量浓度表示单位体积的溶液里所含溶质B的物质的量,也称为B的物质的量浓度,符号为cB。(2)表达式:cB=。(3)常用单位:或mol·m-3,有时也用mmol·L-1。(4)特点:对于某浓度的溶液,取出任意体积的溶液,其浓度、密度、质量分数均不变,但所含溶质的质量、物质的量因体积不同而改变。(5)与质量分数ω的换算公式:。2、溶液稀释定律(守恒观点)(1)溶质的质量在稀释前后保持不变,即ω稀m稀=ω浓m浓。(2)溶质的物质的量在稀释前后保持不变,即。(3)溶液质量守恒(体积一般不守恒)。3、同溶质不同物质的量浓度溶液的混合计算(1)混合后溶液体积保持不变时,c1V1+c2V2=c混×(V1+V2)。(2)混合后溶液体积发生改变时,c1V1+c2V2=c混V混,其中V混=。例、按要求回答问题(1)在标准状况下,将VL氨气溶于0.1L水中,所得溶液的密度为ρg·cm-3,则此氨水的物质的量浓度为________mol·L-1。(2)将25gCuSO4·5H2O晶体溶于75g水中,配成溶液,所得溶液的溶质质量分数为________。(3)将amL5mol·L-1NaCl溶液稀释至bmL,稀释后溶液中Cl-的物质的量浓度为________。(4)200mL0.3mol·L-1K2SO4溶液和100mL0.2mol·L-1Fe2(SO4)3溶液混合后不考虑混合后溶液体积的变化,溶液中SO的物质的量浓度为________。二、溶液的配制1、仪器:玻璃棒、容量瓶、胶头滴管、烧杯、天平、量筒。(1)托盘天平:①物码②精确度g(2)容量瓶:检漏操作:小学、初中、高中各种试卷真题知识归纳文案合同PPT等免费下载www.doc985.com小学、初中、高中各种试卷真题知识归纳文案合同PPT等免费下载www.doc985.com【特别提醒】容量瓶使用的四个“不能”①不能将固体或浓溶液直接在容量瓶中溶解或稀释;②不能作为反应容器或用来长期贮存溶液;③不能将过冷或过热的溶液转移到容量瓶中,(因为容量瓶的容积是在瓶身所标温度下确定的);④不能配制任意体积的溶液,只能配制容量瓶上规定容积的溶液。2、步骤:3、误差分析分析依据:c==,其中变量为m、V。以配制NaOH溶液为例,具体分析如下:引起误差的因素m变化V变化c变化称量时物、码颠倒且使用游码砝码生锈称量易吸水物质时间过长转移时,有液体溅出未洗涤烧杯、玻璃棒转移时,溶液温度没恢复到常温滴加蒸馏水超过容量瓶刻度线,再用胶头滴管吸出定容摇匀后,液面低于刻度线,再加水至刻度线容量瓶内有少量水定容时俯视容量瓶刻度线(图b)定容时仰视容量瓶刻度线(图a)配制一定物质的量浓度的稀H2SO4溶液时,用量筒量取浓硫酸时,仰视读数小学、初中、高中各种试卷真题知识归纳文案合同PPT等免费下载www.doc985.com小学、初中、高中各种试卷真题知识归纳文案合同PPT等免费下载www.doc985.com例、按要求回答问题(1)[2022·全国乙卷,27(1)]由CuSO4·5H2O配制CuSO4溶液,下列仪器中不需要的是_____(填仪器名称)。(2)[2020·全国卷Ⅰ,27(1)]由FeSO4·7H2O固体配制0.10mol·L-1FeSO4溶液,需要的仪器有药匙、玻璃棒、____________(从下列图中选择,写出名称)。(3)(2019·浙江4月选考,3改编)下列图示表示一定物质的量浓度溶液配制的是________(填字母)。(4)[2022·广东卷Ⅰ,17(2)]下列关于容量瓶的操作,正确的是_________。【跟踪练习】1、下列所得溶液的物质的量浓度为0.1mol·L-1的是()A.将0.1mol氨充分溶解在1L水中B.将10g质量分数为98%的硫酸与990g水混合C.将25.0g胆矾溶于水配成1L溶液D.将10mL1mol·L-1的盐酸与90mL水充分混合2、现有两份体积相同的混合溶液,其组成如下:KClK2SO4ZnSO4ZnCl2①0.4mol0.1mol0.3mol0.1mol②0.2mol0.2mol0.1mol0.1mol则两份溶液中各离子浓度()A.仅c(K+)相同B.仅c(Cl-)相同C.完全相同D.完全不同3、取100mL0.3mol·L-1和300mL0.25mol·L-1的硫酸混合并稀释配成500mL溶液,该混合溶液中H+的物质的量浓度是()小学、初中...

1、当您付费下载文档后,您只拥有了使用权限,并不意味着购买了版权,文档只能用于自身使用,不得用于其他商业用途(如 [转卖]进行直接盈利或[编辑后售卖]进行间接盈利)。
2、本站所有内容均由合作方或网友上传,本站不对文档的完整性、权威性及其观点立场正确性做任何保证或承诺!文档内容仅供研究参考,付费前请自行鉴别。
3、如文档内容存在违规,或者侵犯商业秘密、侵犯著作权等,请点击“违规举报”。

碎片内容

与本文档类似文档
2024年高考化学一轮复习讲义(新人教版)2024年高考化学一轮复习(新高考版) 第9章 第57讲 难溶电解质的沉淀溶解平衡.docx
2024年高考化学一轮复习讲义(新人教版)2024年高考化学一轮复习(新高考版) 第9章 第57讲 难溶电解质的沉淀溶解平衡.docx
免费
8下载
2023《微专题·小练习》·化学·新教材·XL-6专练39弱电解质的电离平衡.docx
2023《微专题·小练习》·化学·新教材·XL-6专练39弱电解质的电离平衡.docx
免费
13下载
高考化学复习  大单元六 第十六章 第73讲 以物质含量或组成测定为主的综合实验.docx
高考化学复习 大单元六 第十六章 第73讲 以物质含量或组成测定为主的综合实验.docx
免费
0下载
2013年高考化学真题(四川自主命题).docx
2013年高考化学真题(四川自主命题).docx
免费
15下载
1996年黑龙江高考化学真题及答案.doc
1996年黑龙江高考化学真题及答案.doc
免费
3下载
高考化学复习  专题三 主观题突破4 晶体类型与性质 晶体结构【淘宝店:红太阳资料库】 (1).docx
高考化学复习 专题三 主观题突破4 晶体类型与性质 晶体结构【淘宝店:红太阳资料库】 (1).docx
免费
0下载
上海市普陀区2017年高三第二学期期中(二模)学科质量检测化学试题及答案(word解析版).doc
上海市普陀区2017年高三第二学期期中(二模)学科质量检测化学试题及答案(word解析版).doc
免费
0下载
精品解析:江苏省扬州中学2024届高三下学期3月月考化学试卷(解析版).docx
精品解析:江苏省扬州中学2024届高三下学期3月月考化学试卷(解析版).docx
免费
0下载
2000年四川高考化学真题及答案.doc
2000年四川高考化学真题及答案.doc
免费
20下载
高考化学复习  2025届高三化学一轮专题复习讲义(14)-专题三第七讲 溶液中粒子浓度关系.doc
高考化学复习 2025届高三化学一轮专题复习讲义(14)-专题三第七讲 溶液中粒子浓度关系.doc
免费
0下载
高考化学复习  信息必刷卷01(江西专用)(原卷版).docx
高考化学复习 信息必刷卷01(江西专用)(原卷版).docx
免费
0下载
高中2024版考评特训卷·化学【新教材】(河北省专用)课练 1.docx
高中2024版考评特训卷·化学【新教材】(河北省专用)课练 1.docx
免费
0下载
1999年河北高考化学真题及答案.doc
1999年河北高考化学真题及答案.doc
免费
30下载
2005年西藏高考理科综合真题及答案 (1).doc
2005年西藏高考理科综合真题及答案 (1).doc
免费
0下载
高考化学复习  大单元五 第十五章 第68讲 限定条件下同分异构体的判断与书写.docx
高考化学复习 大单元五 第十五章 第68讲 限定条件下同分异构体的判断与书写.docx
免费
0下载
2020年浙江省高考化学【1月】(含解析版).pdf
2020年浙江省高考化学【1月】(含解析版).pdf
免费
4下载
高中化学·必修第一册(苏教版)课时作业(word)  课时作业1.docx
高中化学·必修第一册(苏教版)课时作业(word) 课时作业1.docx
免费
16下载
2021年高考化学试卷(浙江)【1月】(解析卷).docx
2021年高考化学试卷(浙江)【1月】(解析卷).docx
免费
0下载
2017年高考化学试卷(新课标Ⅱ)(空白卷) (8).docx
2017年高考化学试卷(新课标Ⅱ)(空白卷) (8).docx
免费
0下载
2018年高考化学试卷(上海)(解析卷).doc
2018年高考化学试卷(上海)(解析卷).doc
免费
0下载
我的小文库
实名认证
内容提供者

提供高质量免费文档试卷下载,如果满意请告诉您身边的人,如果不满意请告诉我们,您的意见对于我们很重要,是我们不断进步的动力

阅读排行

确认删除?
回到顶部
客服号
  • 客服QQ点击这里给我发消息
QQ群
  • QQ群点击这里加入QQ群
提交所需资料详情,我们来帮找资料