高考化学复习 2025届高三化学一轮专题复习讲义(19)-专题四第四讲 非金属及其化合物(二).doc本文件免费下载 【共9页】

高考化学复习  2025届高三化学一轮专题复习讲义(19)-专题四第四讲 非金属及其化合物(二).doc
高考化学复习  2025届高三化学一轮专题复习讲义(19)-专题四第四讲 非金属及其化合物(二).doc
高考化学复习  2025届高三化学一轮专题复习讲义(19)-专题四第四讲 非金属及其化合物(二).doc
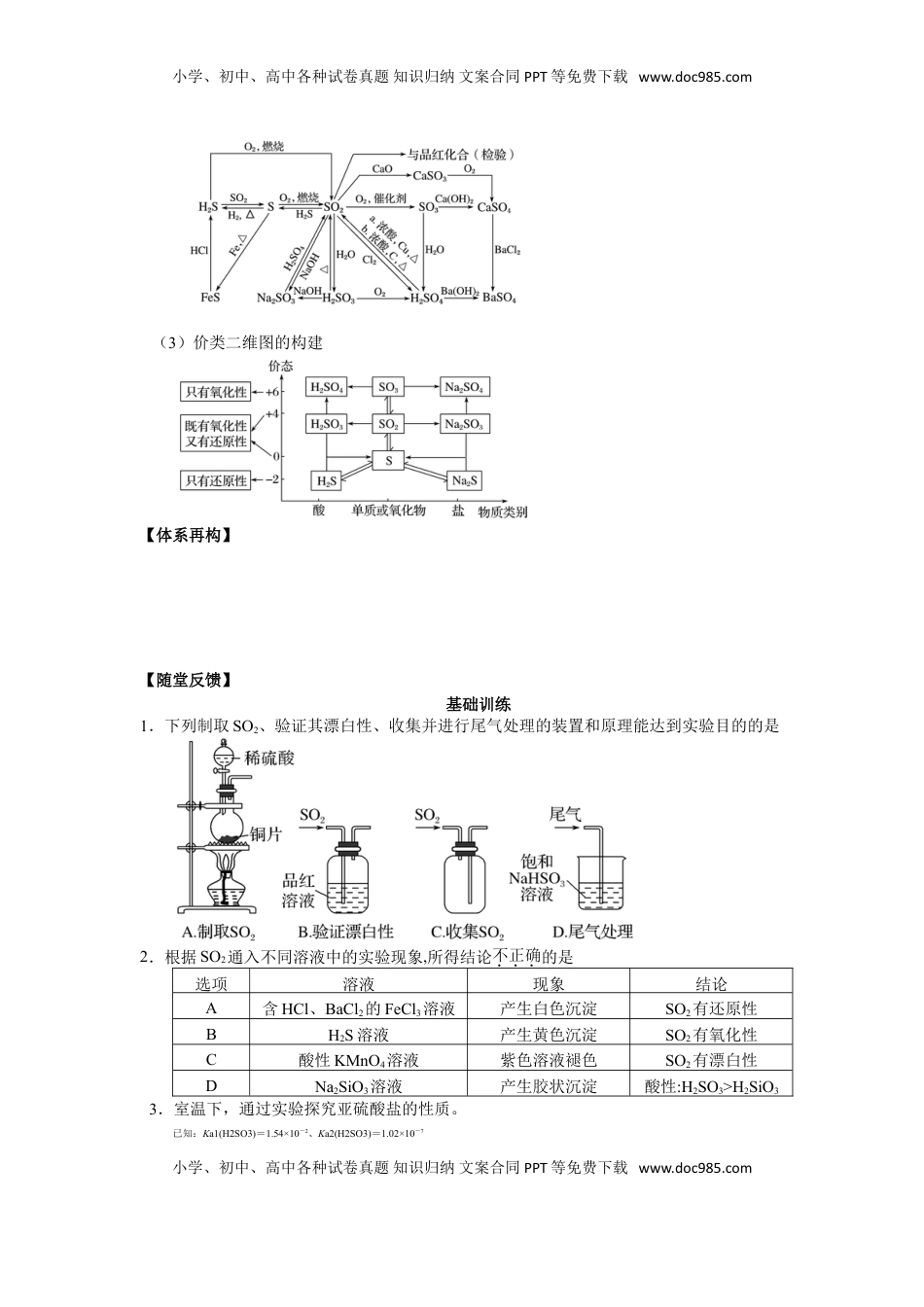
小学、初中、高中各种试卷真题知识归纳文案合同PPT等免费下载www.doc985.com2025届高三化学一轮专题复习讲义(19)专题四元素及其化合物4-4非金属及其化合物(二、硫及其重要化合物)(1课时,共3课时)【复习目标】1.掌握硫及其化合物的主要性质和应用。2.掌握硫及其化合物的转化关系3.了解SO2、H2SO4等物质对环境的影响。【重点突破】1.掌握硫及其化合物的转化关系2.理解硫及其化合物在化工流程中的应用及转化条件【真题简析】例题1.(2020江苏)吸收工厂烟气中的SO2,能有效减少SO2对空气的污染。氨水、ZnO悬浊液吸收烟气中SO2后经O2催化氧化,可得到硫酸盐。已知:室温下,ZnSO3微溶于水,Zn(HSO3)2易溶于水;溶液中H2SO3、HSO3-、SO32-的物质的量分数随pH的分布如图-1所示。(1)氨水吸收SO2。向氨水中通入少量SO2,主要反应的离子方程式为_____________;当通入SO2至溶液pH=6时,溶液中浓度最大的阴离子是__________(填化学式)。(2)ZnO水悬浊液吸收SO2。向ZnO水悬浊液中匀速缓慢通入SO2,在开始吸收的40mim内,SO2吸收率、溶液pH均经历了从几乎不变到迅速降低的变化(见图-2)。溶液pH几乎不变阶段,主要产物是____________(填化学式);SO2吸收率迅速降低阶段,主要反应的离子方程式为__________________________________。小学、初中、高中各种试卷真题知识归纳文案合同PPT等免费下载www.doc985.com小学、初中、高中各种试卷真题知识归纳文案合同PPT等免费下载www.doc985.com(3)O2催化氧化。其他条件相同时,调节吸收SO2得到溶液的pH在4.5~6.5范围内,pH越低SO42-生成速率越大,其主要原因是____________;随着氧化的进行,溶液的pH将__________(填“增大”、“减小”或“不变”)。解析:(1)向氨水中通入少量SO2时,SO2与氨水反应生成亚硫酸铵,反应的离子方程式为2NH3+H2O+SO2=2NH4++SO32-(或2NH3·H2O+SO2=2NH4++SO32-+H2O);根据图-1所示,pH=6时,溶液中不含有亚硫酸,仅含有HSO3-和SO32-,根据微粒物质的量分数曲线可以看出溶液中阴离子浓度最大的是HSO3-;(2)反应开始时,悬浊液中的ZnO大量吸收SO2,生成微溶于水的ZnSO3,此时溶液pH几乎不变;一旦ZnO完全反应生成ZnSO3后,ZnSO3继续吸收SO2生成易溶于水的Zn(HSO3)2,此时溶液pH逐渐变小,SO2的吸收率逐渐降低,这一过程的离子方程式为ZnSO3+SO2+H2O=Zn2++2HSO3-(或ZnO+2SO2+H2O=Zn2++2HSO3-)(3)pH值大于6.5时,SO2以微溶物ZnSO3形式存在,使SO2不利于与O2接触,反应速率慢;pH降低,SO2主要以HSO3-形式溶于水中,与O2充分接触。因而pH降低,SO42-生成速率增大;随着反应的不断进行,大量的HSO3-反应生成SO42-,反应的离子方程式为2HSO3-+O2=2SO42-+2H+,随着反应的不断进行,有大量的氢离子生成,导致氢离子浓度增大,溶液pH减小。答案:(1)2NH3+H2O+SO2===2NH4++SO32-或2NH3·H2O+SO2===2NH4++SO32-+H2OHSO3-(2)ZnSO3ZnSO3+SO2+H2O===Zn2++2HSO3-或ZnO+2SO2+H2O===Zn2++2HSO3-(3)随着pH降低,HSO浓度增大减小小结:向氨水中通入少量的SO2,反应生成亚硫酸铵,结合图像分析pH=6时溶液中浓度最大的阴离子;通过分析ZnO吸收SO2后产物的溶解性判断吸收率变化的原因;通过分析HSO3-与氧气反应的生成物,分析溶液pH的变化情况。【知识整合】(1)理清知识主线H2S→S→SO2→SO3(H2SO4)(2)形成网络构建小学、初中、高中各种试卷真题知识归纳文案合同PPT等免费下载www.doc985.com小学、初中、高中各种试卷真题知识归纳文案合同PPT等免费下载www.doc985.com(3)价类二维图的构建【体系再构】【随堂反馈】基础训练1.下列制取SO2、验证其漂白性、收集并进行尾气处理的装置和原理能达到实验目的的是2.根据SO2通入不同溶液中的实验现象,所得结论不正确的是选项溶液现象结论A含HCl、BaCl2的FeCl3溶液产生白色沉淀SO2有还原性BH2S溶液产生黄色沉淀SO2有氧化性C酸性KMnO4溶液紫色溶液褪色SO2有漂白性DNa2SiO3溶液产生胶状沉淀酸性:H2SO3>H2SiO33.室温下,通过实验探究亚硫酸盐的性质。已知:Ka1(H2SO3)=1.54×10-2、Ka2(H2SO3)=1.02×10-7小学、初中、高中各种试卷真题知识归纳文案合同PP...

1、当您付费下载文档后,您只拥有了使用权限,并不意味着购买了版权,文档只能用于自身使用,不得用于其他商业用途(如 [转卖]进行直接盈利或[编辑后售卖]进行间接盈利)。
2、本站所有内容均由合作方或网友上传,本站不对文档的完整性、权威性及其观点立场正确性做任何保证或承诺!文档内容仅供研究参考,付费前请自行鉴别。
3、如文档内容存在违规,或者侵犯商业秘密、侵犯著作权等,请点击“违规举报”。

碎片内容

与本文档类似文档
2019年高考化学真题(新课标Ⅱ)(解析版).docx
2019年高考化学真题(新课标Ⅱ)(解析版).docx
免费
12下载
2019年高考化学试卷(浙江)【4月】(空白卷).docx
2019年高考化学试卷(浙江)【4月】(空白卷).docx
免费
0下载
2005年湖南高考理科综合真题及答案 (1).doc
2005年湖南高考理科综合真题及答案 (1).doc
免费
0下载
2024版《大考卷》全程考评特训卷·化学【新教材】(含不定项)课练 25.docx
2024版《大考卷》全程考评特训卷·化学【新教材】(含不定项)课练 25.docx
免费
5下载
高考化学复习  模板04 化工流程题解题策略及答题规范(解析版).docx
高考化学复习 模板04 化工流程题解题策略及答题规范(解析版).docx
免费
0下载
高中2023《微专题·小练习》·化学·新教材·XL-6专练9氧化还原反应基本概念.docx
高中2023《微专题·小练习》·化学·新教材·XL-6专练9氧化还原反应基本概念.docx
免费
0下载
2025年高考化学真题(广东自主命题)(解析版).docx
2025年高考化学真题(广东自主命题)(解析版).docx
免费
0下载
高中2024版《微专题》·化学·统考版专练 5.docx
高中2024版《微专题》·化学·统考版专练 5.docx
免费
0下载
2024年高考化学一轮复习讲义(新人教版)第二讲 铁及其化合物.docx
2024年高考化学一轮复习讲义(新人教版)第二讲 铁及其化合物.docx
免费
19下载
高考化学复习  热点专项 化学反应速率和化学平衡的图像(原卷版).docx
高考化学复习 热点专项 化学反应速率和化学平衡的图像(原卷版).docx
免费
0下载
2023《微专题·小练习》·化学·L-6专练19.docx
2023《微专题·小练习》·化学·L-6专练19.docx
免费
10下载
高考化学复习  题型03 阿伏加德罗常数的相关判断-2025年高考化学二轮热点题型归纳与变式演练(新高考通用)(原卷版) .docx
高考化学复习 题型03 阿伏加德罗常数的相关判断-2025年高考化学二轮热点题型归纳与变式演练(新高考通用)(原卷版) .docx
免费
0下载
高中化学·必修第一册(苏教版)课时作业(word)  课时作业17.docx
高中化学·必修第一册(苏教版)课时作业(word) 课时作业17.docx
免费
15下载
2023《大考卷》二轮专项分层特训卷•化学【新教材】河北专版练 9.docx
2023《大考卷》二轮专项分层特训卷•化学【新教材】河北专版练 9.docx
免费
15下载
【高考化学】备战2024年易错类型05 化学计量(5大易错点)(解析版).docx
【高考化学】备战2024年易错类型05 化学计量(5大易错点)(解析版).docx
免费
0下载
高中化学·选择性必修2·RJ版课时作业(word)  课时作业15.docx
高中化学·选择性必修2·RJ版课时作业(word) 课时作业15.docx
免费
5下载
2023《微专题·小练习》·化学·新教材·XL-6专练22化学工艺流程题.docx
2023《微专题·小练习》·化学·新教材·XL-6专练22化学工艺流程题.docx
免费
23下载
2019年天津市高考化学试卷   .pdf
2019年天津市高考化学试卷 .pdf
免费
28下载
高考化学复习  信息必刷卷03(北京专用)(参考答案).docx
高考化学复习 信息必刷卷03(北京专用)(参考答案).docx
免费
0下载
高中2023《微专题·小练习》·化学·新教材·XL-6专练35化学反应速率及影响因素.docx
高中2023《微专题·小练习》·化学·新教材·XL-6专练35化学反应速率及影响因素.docx
免费
0下载
我的小文库
实名认证
内容提供者

提供高质量免费文档试卷下载,如果满意请告诉您身边的人,如果不满意请告诉我们,您的意见对于我们很重要,是我们不断进步的动力

阅读排行

确认删除?
回到顶部
客服号
  • 客服QQ点击这里给我发消息
QQ群
  • QQ群点击这里加入QQ群
提交所需资料详情,我们来帮找资料