高考物理复习 2025届高中物理一轮复习练习(含解析):第六章 第7练 实验七: 验证机械能守恒定律.docx本文件免费下载 【共7页】

高考物理复习  2025届高中物理一轮复习练习(含解析):第六章 第7练 实验七: 验证机械能守恒定律.docx
高考物理复习  2025届高中物理一轮复习练习(含解析):第六章 第7练 实验七: 验证机械能守恒定律.docx
高考物理复习  2025届高中物理一轮复习练习(含解析):第六章 第7练 实验七: 验证机械能守恒定律.docx
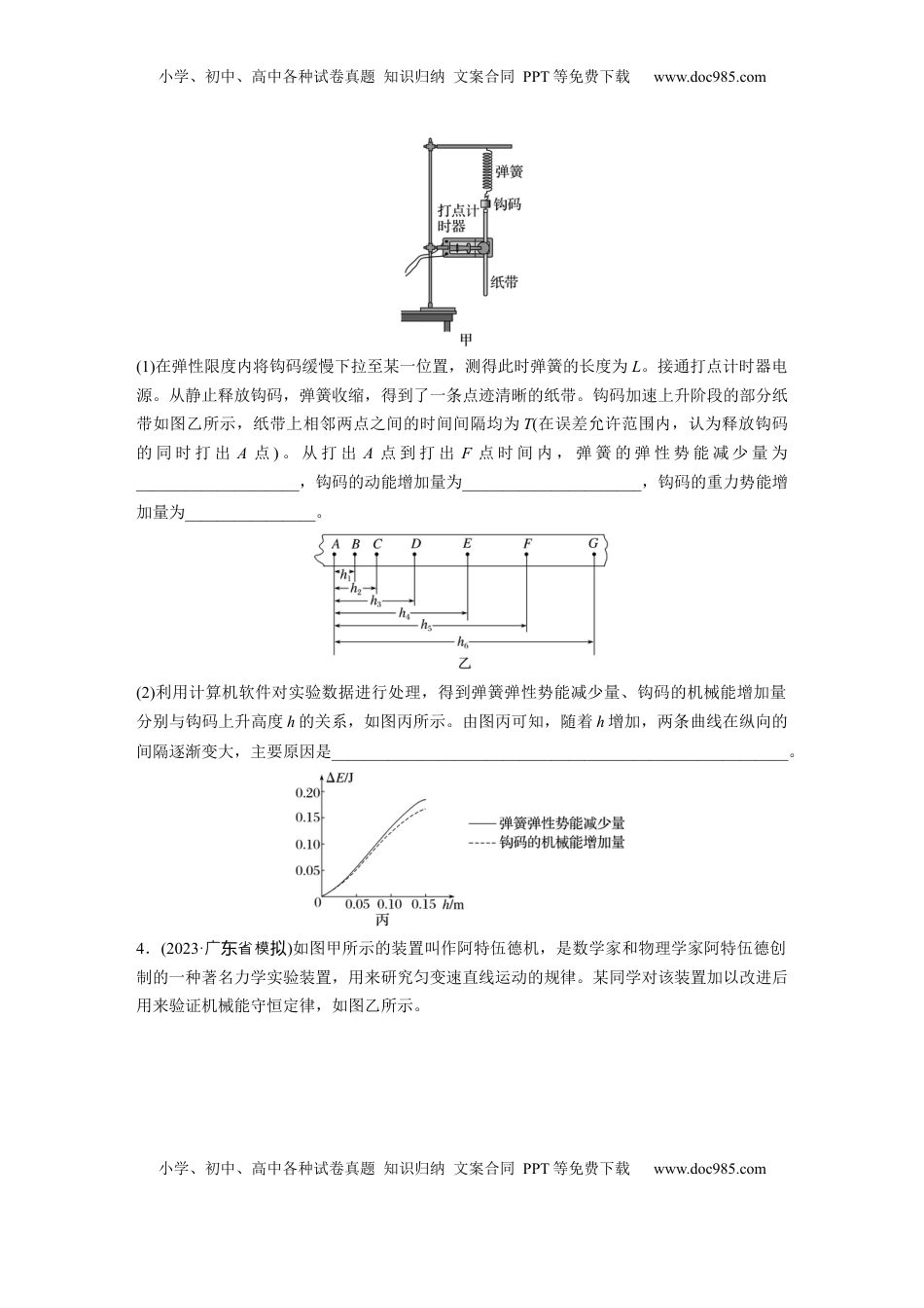
小学、初中、高中各种试卷真题知识归纳文案合同PPT等免费下载www.doc985.com小学、初中、高中各种试卷真题知识归纳文案合同PPT等免费下载www.doc985.com1.(2024·宁沈市第二十中模辽阳学拟)在“利用自由落体运动验证机械能守恒定律”实验中(1)为验证机械能是否守恒,需要比较重物下落过程中任意两点间的________。A.动能变化量与势能变化量B.速度变化量和势能变化量C.速度变化量和高度变化量(2)除带夹子的重物、纸带、铁架台(含铁夹)、刻度尺、电磁打点计时器、导线及开关外,在下列器材中,还必须使用的器材是________。A.交流电源B.天平(含砝码)(3)某同学选用一质量为m=0.4kg的重物,按照正确的操作选得纸带如图所示,其中O是起始点,量得连续五个计时点A、B、C、D、E到O点的距离,打点频率为50Hz,已知当地重力加速度为g=9.8m/s2,则打下C点时重物的速度大小是__________m/s,O点到C点的这段时间内重物重力势能的减少量为__________J。(结果均保留两位有效数字)(4)该同学用两个质量分别为m1、m2的重物P和Q分别进行实验,多次记录下落高度h和相应的速度大小v,作出的v2-h图像如图所示。对比图像分析正确的是__________。A.阻力可能为零B.阻力不可能为零小学、初中、高中各种试卷真题知识归纳文案合同PPT等免费下载www.doc985.com小学、初中、高中各种试卷真题知识归纳文案合同PPT等免费下载www.doc985.comC.m1可能等于m2D.m1小于m22.(2021·海南卷·15)为了验证物体沿光滑斜面下滑的过程中机械能守恒,某学习小组用如图所示的气垫导轨装置(包括导轨、气源、光电门、滑块、遮光条、数字毫秒计)进行实验。此外可使用的实验器材还有:天平、游标卡尺、刻度尺。(1)某同学设计了如下的实验步骤,其中不必要的步骤是________;①在导轨上选择两个适当的位置A、B安装光电门Ⅰ、Ⅱ,并连接数字毫秒计;②用天平测量滑块和遮光条的总质量m;③用游标卡尺测量遮光条的宽度d;④通过导轨上的标尺测出A、B之间的距离l;⑤调整好气垫导轨的倾斜状态;⑥将滑块从光电门Ⅰ左侧某处,由静止开始释放,从数字毫秒计读出滑块通过光电门Ⅰ、Ⅱ的时间Δt1、Δt2;⑦用刻度尺分别测量A、B点到水平桌面的高度h1、h2;⑧改变气垫导轨倾斜程度,重复步骤⑤⑥⑦,完成多次测量。(2)用游标卡尺测量遮光条的宽度d时,游标卡尺的示数如图所示,则d=________mm;某次实验中,测得Δt1=11.60ms,则滑块通过光电门Ⅰ的瞬时速度v1=________m/s(保留3位有效数字);(3)在误差允许范围内,若h1-h2=________(用上述必要的实验步骤直接测量的物理量符号表示,已知重力加速度为g),则认为滑块下滑过程中机械能守恒;(4)写出两点产生误差的主要原因:__________________________________________________________________________________________________________________。3.(2022·河北卷·11)某实验小组利用铁架台、弹簧、钩码、打点计时器、刻度尺等器材验证系统机械能守恒定律,实验装置如图甲所示。弹簧的劲度系数为k,原长为L0,钩码的质量为m。已知弹簧的弹性势能表达式为E=kx2,其中k为弹簧的劲度系数,x为弹簧的形变量,当地的重力加速度大小为g。小学、初中、高中各种试卷真题知识归纳文案合同PPT等免费下载www.doc985.com小学、初中、高中各种试卷真题知识归纳文案合同PPT等免费下载www.doc985.com(1)在弹性限度内将钩码缓慢下拉至某一位置,测得此时弹簧的长度为L。接通打点计时器电源。从静止释放钩码,弹簧收缩,得到了一条点迹清晰的纸带。钩码加速上升阶段的部分纸带如图乙所示,纸带上相邻两点之间的时间间隔均为T(在误差允许范围内,认为释放钩码的同时打出A点)。从打出A点到打出F点时间内,弹簧的弹性势能减少量为____________________,钩码的动能增加量为______________________,钩码的重力势能增加量为________________。(2)利用计算机软件对实验数据进行处理,得到弹簧弹性势能减少量、钩码的机械能增加量分别与钩码上升高度h的关系,如图丙所示。由图丙可知,随着h增加,两条曲线在纵向的间隔逐渐变大,主要原因是_____________________________________________________...

1、当您付费下载文档后,您只拥有了使用权限,并不意味着购买了版权,文档只能用于自身使用,不得用于其他商业用途(如 [转卖]进行直接盈利或[编辑后售卖]进行间接盈利)。
2、本站所有内容均由合作方或网友上传,本站不对文档的完整性、权威性及其观点立场正确性做任何保证或承诺!文档内容仅供研究参考,付费前请自行鉴别。
3、如文档内容存在违规,或者侵犯商业秘密、侵犯著作权等,请点击“违规举报”。

碎片内容

与本文档类似文档
高考物理专题73 实验四:探究平抛运动的规律(解析卷)-十年(2014-2023)高考物理真题分项汇编(全国通用).docx
高考物理专题73 实验四:探究平抛运动的规律(解析卷)-十年(2014-2023)高考物理真题分项汇编(全国通用).docx
免费
0下载
高考物理复习  2025届高中物理一轮复习练习(含解析):第十三章 第4练 传感器 实验十六:利用传感器制作简单的自动控制装置.docx
高考物理复习 2025届高中物理一轮复习练习(含解析):第十三章 第4练 传感器 实验十六:利用传感器制作简单的自动控制装置.docx
免费
0下载
2025年新高考物理资料  考点巩固卷12 静电场中的功和能的理解应用(电势、电势能、电势差、电场强度、电场力做功等的关系)(原卷版).docx
2025年新高考物理资料 考点巩固卷12 静电场中的功和能的理解应用(电势、电势能、电势差、电场强度、电场力做功等的关系)(原卷版).docx
免费
1下载
高中2022·微专题·小练习·物理【新高考】专题2.docx
高中2022·微专题·小练习·物理【新高考】专题2.docx
免费
0下载
2014年全国统一高考物理试卷(大纲卷).doc
2014年全国统一高考物理试卷(大纲卷).doc
免费
0下载
2024年新高考物理资料 第28讲 功能关系 能量守恒定律(练习)(解析版).docx
2024年新高考物理资料 第28讲 功能关系 能量守恒定律(练习)(解析版).docx
免费
0下载
高考物理复习  专题01  选择题的答题技巧与攻略(解析版).docx
高考物理复习 专题01 选择题的答题技巧与攻略(解析版).docx
免费
0下载
高考物理复习  热点1 受力分析和共点力平衡.docx
高考物理复习 热点1 受力分析和共点力平衡.docx
免费
0下载
2024年高考物理一轮复习(新人教版) 第10章 第2讲 闭合电路的欧姆定律.pptx
2024年高考物理一轮复习(新人教版) 第10章 第2讲 闭合电路的欧姆定律.pptx
免费
0下载
上海市长宁区2022年高三第一学期期末(一模)物理答题纸.doc
上海市长宁区2022年高三第一学期期末(一模)物理答题纸.doc
免费
0下载
2025年新高考物理资料  第十五章 第6练 热力学定律与能量守恒定律.docx
2025年新高考物理资料 第十五章 第6练 热力学定律与能量守恒定律.docx
免费
0下载
2020年上海市普陀区高考物理二模试卷.doc
2020年上海市普陀区高考物理二模试卷.doc
免费
0下载
精品解析:浙江省湖州市长兴中学2020-2021学年高二(上)学业模拟考试物理试题(解析版).docx
精品解析:浙江省湖州市长兴中学2020-2021学年高二(上)学业模拟考试物理试题(解析版).docx
免费
8下载
2024年新高考物理资料 第一篇 专题二 第7练 动能定理 机械能守恒定律 能量守恒定律.docx
2024年新高考物理资料 第一篇 专题二 第7练 动能定理 机械能守恒定律 能量守恒定律.docx
免费
0下载
2020年高考物理试卷(新课标Ⅱ)(空白卷).docx
2020年高考物理试卷(新课标Ⅱ)(空白卷).docx
免费
0下载
高考物理复习  2025届高中物理一轮复习练习(含解析):第六章 第2练 动能定理及其应用.docx
高考物理复习 2025届高中物理一轮复习练习(含解析):第六章 第2练 动能定理及其应用.docx
免费
0下载
2025届高中物理一轮复习练习(含解析):第十五章 第2练 实验十九:用油膜法估测油酸分子的大小-实验二十:探究等温情况下一定质量气体压强与体积的关系.docx
2025届高中物理一轮复习练习(含解析):第十五章 第2练 实验十九:用油膜法估测油酸分子的大小-实验二十:探究等温情况下一定质量气体压强与体积的关系.docx
免费
0下载
2023年高考物理试卷(北京)(解析卷).docx
2023年高考物理试卷(北京)(解析卷).docx
免费
0下载
2024年高考物理 一轮复习讲义(新人教版)第3章 实验4 探究加速度与力、质量的关系 (1).docx
2024年高考物理 一轮复习讲义(新人教版)第3章 实验4 探究加速度与力、质量的关系 (1).docx
免费
8下载
2025年高考物理二轮复习导学案:专题强化十带电粒子在复合场中的运动.docx
2025年高考物理二轮复习导学案:专题强化十带电粒子在复合场中的运动.docx
免费
0下载
我的小文库
实名认证
内容提供者

提供高质量免费文档试卷下载,如果满意请告诉您身边的人,如果不满意请告诉我们,您的意见对于我们很重要,是我们不断进步的动力

阅读排行

确认删除?
回到顶部
客服号
  • 客服QQ点击这里给我发消息
QQ群
  • QQ群点击这里加入QQ群
提交所需资料详情,我们来帮找资料