高考物理复习 2025届高中物理一轮复习练习(含解析):第四章 第3练 实验五:探究平抛运动的特点.docx本文件免费下载 【共6页】

高考物理复习  2025届高中物理一轮复习练习(含解析):第四章 第3练 实验五:探究平抛运动的特点.docx
高考物理复习  2025届高中物理一轮复习练习(含解析):第四章 第3练 实验五:探究平抛运动的特点.docx
高考物理复习  2025届高中物理一轮复习练习(含解析):第四章 第3练 实验五:探究平抛运动的特点.docx
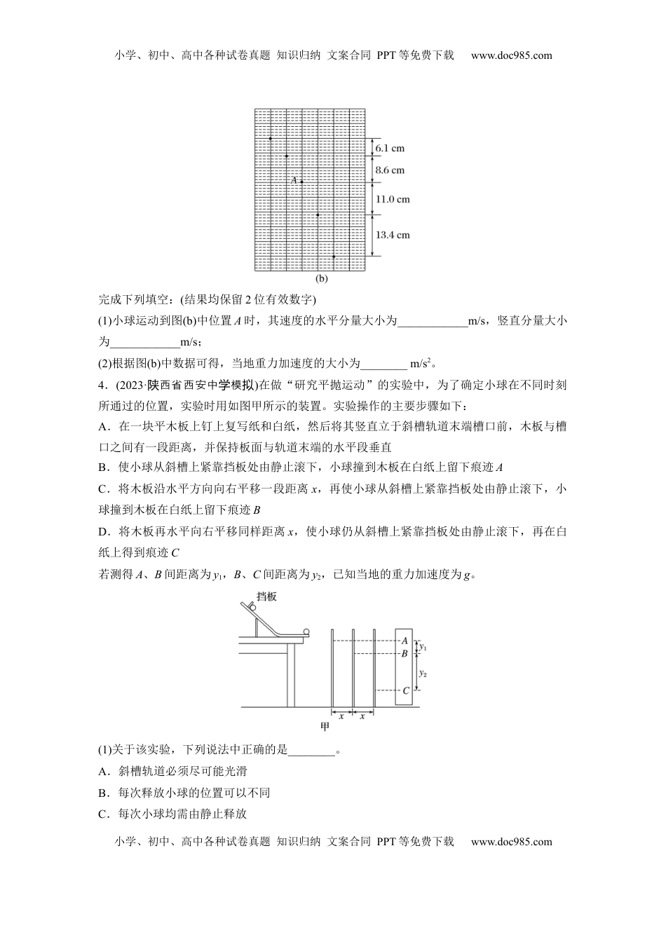
小学、初中、高中各种试卷真题知识归纳文案合同PPT等免费下载www.doc985.com小学、初中、高中各种试卷真题知识归纳文案合同PPT等免费下载www.doc985.com1.(2024·广省模东拟)采用如图所示的实验装置做“研究平抛运动”的实验。(1)实验时需要下列哪个器材________。A.弹簧测力计B.重垂线C.打点计时器(2)做实验时,让小球多次沿同一轨道运动,通过描点法画出小球平抛运动的轨迹。下列一些操作要求,正确的是________。A.每次必须由同一位置静止释放小球B.挡板每次必须严格地等距离下降记录小球位置C.小球运动时不应与木板上的白纸相接触D.记录的点应适当多一些(3)若用频闪摄影方法来验证小球在平抛过程中水平方向是匀速运动,记录下如图所示的频闪照片。在测得x1,x2,x3,x4后,需要验证的关系是________。已知频闪周期为T,用下列计算式求得的水平速度,误差较小的是________。A.B.C.D.2.(2023·浙江6月考选·16Ⅰ(1))在“探究平抛运动的特点”实验中(1)用图甲装置进行探究,下列说法正确的是________。A.只能探究平抛运动水平分运动的特点小学、初中、高中各种试卷真题知识归纳文案合同PPT等免费下载www.doc985.com小学、初中、高中各种试卷真题知识归纳文案合同PPT等免费下载www.doc985.comB.需改变小锤击打的力度,多次重复实验C.能同时探究平抛运动水平、竖直分运动的特点(2)用图乙装置进行实验,下列说法正确的是________。A.斜槽轨道M必须光滑且其末端水平B.上下调节挡板N时必须每次等间距移动C.小钢球从斜槽M上同一位置静止滚下(3)用图丙装置进行实验,竖直挡板上附有复写纸和白纸,可以记下钢球撞击挡板时的点迹。实验时竖直挡板初始位置紧靠斜槽末端,钢球从斜槽上P点静止滚下,撞击挡板留下点迹0,将挡板依次水平向右移动x,重复实验,挡板上留下点迹1、2、3、4。以点迹0为坐标原点,竖直向下建立坐标轴y,各点迹坐标值分别为y1、y2、y3、y4。重力加速度为g。测得钢球直径为d,则钢球平抛初速度v0为________。A.(x+)B.(x+)C.(3x-)D.(4x-)3.(2021·全乙卷国·22)某同学利用图(a)所示装置研究平抛运动的规律。实验时该同学使用频闪仪和照相机对做平抛运动的小球进行拍摄,频闪仪每隔0.05s发出一次闪光,某次拍摄后得到的照片如图(b)所示(图中未包括小球刚离开轨道的影像)。图中的背景是放在竖直平面内的带有方格的纸板,纸板与小球轨迹所在平面平行,其上每个方格的边长为5cm。该同学在实验中测得的小球影像的高度差已经在图(b)中标出。小学、初中、高中各种试卷真题知识归纳文案合同PPT等免费下载www.doc985.com小学、初中、高中各种试卷真题知识归纳文案合同PPT等免费下载www.doc985.com完成下列填空:(结果均保留2位有效数字)(1)小球运动到图(b)中位置A时,其速度的水平分量大小为____________m/s,竖直分量大小为____________m/s;(2)根据图(b)中数据可得,当地重力加速度的大小为________m/s2。4.(2023·西省西安中模陕学拟)在做“研究平抛运动”的实验中,为了确定小球在不同时刻所通过的位置,实验时用如图甲所示的装置。实验操作的主要步骤如下:A.在一块平木板上钉上复写纸和白纸,然后将其竖直立于斜槽轨道末端槽口前,木板与槽口之间有一段距离,并保持板面与轨道末端的水平段垂直B.使小球从斜槽上紧靠挡板处由静止滚下,小球撞到木板在白纸上留下痕迹AC.将木板沿水平方向向右平移一段距离x,再使小球从斜槽上紧靠挡板处由静止滚下,小球撞到木板在白纸上留下痕迹BD.将木板再水平向右平移同样距离x,使小球仍从斜槽上紧靠挡板处由静止滚下,再在白纸上得到痕迹C若测得A、B间距离为y1,B、C间距离为y2,已知当地的重力加速度为g。(1)关于该实验,下列说法中正确的是________。A.斜槽轨道必须尽可能光滑B.每次释放小球的位置可以不同C.每次小球均需由静止释放小学、初中、高中各种试卷真题知识归纳文案合同PPT等免费下载www.doc985.com小学、初中、高中各种试卷真题知识归纳文案合同PPT等免费下载www.doc985.comD.小球的初速度可通过测量小球的释放点与抛出点之间的高度h后再由机械能守恒定律求出(2)根据上述直接测量的物理量和...

1、当您付费下载文档后,您只拥有了使用权限,并不意味着购买了版权,文档只能用于自身使用,不得用于其他商业用途(如 [转卖]进行直接盈利或[编辑后售卖]进行间接盈利)。
2、本站所有内容均由合作方或网友上传,本站不对文档的完整性、权威性及其观点立场正确性做任何保证或承诺!文档内容仅供研究参考,付费前请自行鉴别。
3、如文档内容存在违规,或者侵犯商业秘密、侵犯著作权等,请点击“违规举报”。

碎片内容

与本文档类似文档
高考物理专题73 实验四:探究平抛运动的规律(解析卷)-十年(2014-2023)高考物理真题分项汇编(全国通用).docx
高考物理专题73 实验四:探究平抛运动的规律(解析卷)-十年(2014-2023)高考物理真题分项汇编(全国通用).docx
免费
0下载
高考物理复习  2025届高中物理一轮复习练习(含解析):第十三章 第4练 传感器 实验十六:利用传感器制作简单的自动控制装置.docx
高考物理复习 2025届高中物理一轮复习练习(含解析):第十三章 第4练 传感器 实验十六:利用传感器制作简单的自动控制装置.docx
免费
0下载
2025年新高考物理资料  考点巩固卷12 静电场中的功和能的理解应用(电势、电势能、电势差、电场强度、电场力做功等的关系)(原卷版).docx
2025年新高考物理资料 考点巩固卷12 静电场中的功和能的理解应用(电势、电势能、电势差、电场强度、电场力做功等的关系)(原卷版).docx
免费
1下载
高中2022·微专题·小练习·物理【新高考】专题2.docx
高中2022·微专题·小练习·物理【新高考】专题2.docx
免费
0下载
2014年全国统一高考物理试卷(大纲卷).doc
2014年全国统一高考物理试卷(大纲卷).doc
免费
0下载
2024年新高考物理资料 第28讲 功能关系 能量守恒定律(练习)(解析版).docx
2024年新高考物理资料 第28讲 功能关系 能量守恒定律(练习)(解析版).docx
免费
0下载
高考物理复习  专题01  选择题的答题技巧与攻略(解析版).docx
高考物理复习 专题01 选择题的答题技巧与攻略(解析版).docx
免费
0下载
高考物理复习  热点1 受力分析和共点力平衡.docx
高考物理复习 热点1 受力分析和共点力平衡.docx
免费
0下载
2024年高考物理一轮复习(新人教版) 第10章 第2讲 闭合电路的欧姆定律.pptx
2024年高考物理一轮复习(新人教版) 第10章 第2讲 闭合电路的欧姆定律.pptx
免费
0下载
上海市长宁区2022年高三第一学期期末(一模)物理答题纸.doc
上海市长宁区2022年高三第一学期期末(一模)物理答题纸.doc
免费
0下载
2025年新高考物理资料  第十五章 第6练 热力学定律与能量守恒定律.docx
2025年新高考物理资料 第十五章 第6练 热力学定律与能量守恒定律.docx
免费
0下载
2020年上海市普陀区高考物理二模试卷.doc
2020年上海市普陀区高考物理二模试卷.doc
免费
0下载
精品解析:浙江省湖州市长兴中学2020-2021学年高二(上)学业模拟考试物理试题(解析版).docx
精品解析:浙江省湖州市长兴中学2020-2021学年高二(上)学业模拟考试物理试题(解析版).docx
免费
8下载
2024年新高考物理资料 第一篇 专题二 第7练 动能定理 机械能守恒定律 能量守恒定律.docx
2024年新高考物理资料 第一篇 专题二 第7练 动能定理 机械能守恒定律 能量守恒定律.docx
免费
0下载
2020年高考物理试卷(新课标Ⅱ)(空白卷).docx
2020年高考物理试卷(新课标Ⅱ)(空白卷).docx
免费
0下载
高考物理复习  2025届高中物理一轮复习练习(含解析):第六章 第2练 动能定理及其应用.docx
高考物理复习 2025届高中物理一轮复习练习(含解析):第六章 第2练 动能定理及其应用.docx
免费
0下载
2025届高中物理一轮复习练习(含解析):第十五章 第2练 实验十九:用油膜法估测油酸分子的大小-实验二十:探究等温情况下一定质量气体压强与体积的关系.docx
2025届高中物理一轮复习练习(含解析):第十五章 第2练 实验十九:用油膜法估测油酸分子的大小-实验二十:探究等温情况下一定质量气体压强与体积的关系.docx
免费
0下载
2023年高考物理试卷(北京)(解析卷).docx
2023年高考物理试卷(北京)(解析卷).docx
免费
0下载
2024年高考物理 一轮复习讲义(新人教版)第3章 实验4 探究加速度与力、质量的关系 (1).docx
2024年高考物理 一轮复习讲义(新人教版)第3章 实验4 探究加速度与力、质量的关系 (1).docx
免费
8下载
2025年高考物理二轮复习导学案:专题强化十带电粒子在复合场中的运动.docx
2025年高考物理二轮复习导学案:专题强化十带电粒子在复合场中的运动.docx
免费
0下载
我的小文库
实名认证
内容提供者

提供高质量免费文档试卷下载,如果满意请告诉您身边的人,如果不满意请告诉我们,您的意见对于我们很重要,是我们不断进步的动力

阅读排行

确认删除?
回到顶部
客服号
  • 客服QQ点击这里给我发消息
QQ群
  • QQ群点击这里加入QQ群
提交所需资料详情,我们来帮找资料