高考物理复习 第十章 第4练 实验十一:导体电阻率的测量.docx本文件免费下载 【共5页】

高考物理复习  第十章 第4练 实验十一:导体电阻率的测量.docx
高考物理复习  第十章 第4练 实验十一:导体电阻率的测量.docx
高考物理复习  第十章 第4练 实验十一:导体电阻率的测量.docx
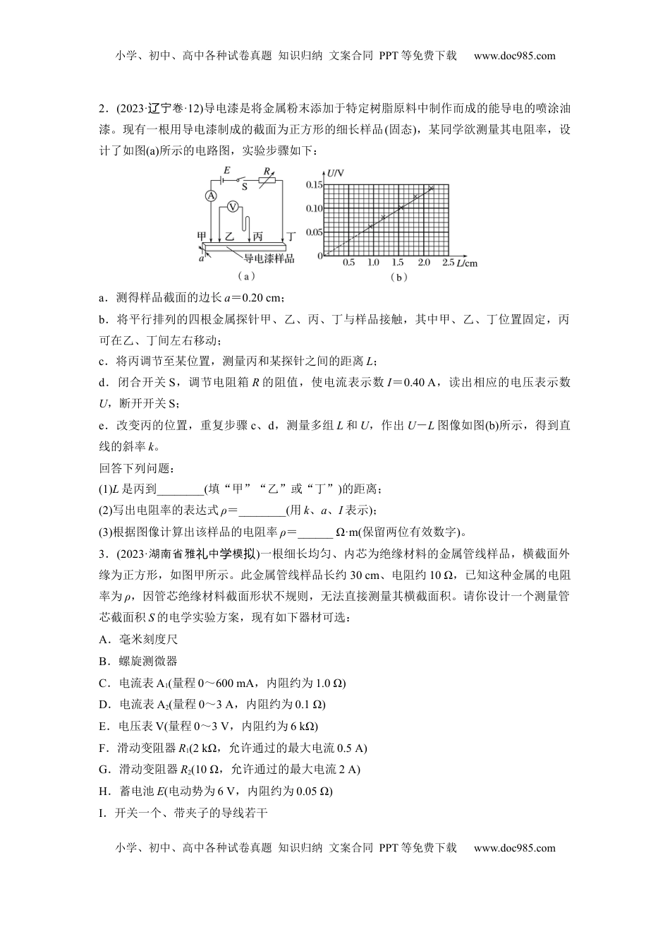
小学、初中、高中各种试卷真题知识归纳文案合同PPT等免费下载www.doc985.com小学、初中、高中各种试卷真题知识归纳文案合同PPT等免费下载www.doc985.com1.随着居民生活水平的提高,纯净水已经进入千家万户。沈阳市定期对市场出售的纯净水质量进行抽测,通过测量电导率判定是否合格(电导率δ是电阻率的倒数,电导率小于10为水质合格)。测量时将采集的水样装入绝缘性能良好的圆柱形容器,容器两端用圆片形的金属电极密封,两电极相距L=0.50m,该实验还用到如下器材:电压表、电流表、滑动变阻器、学生电源、单刀单掷开关一个和导线若干。图甲为用10分度的游标卡尺测量容器内径的图示,图乙为测量电路,图丙为根据电流表和电压表的实验数据所画出的U-I图像。请根据以上所述完成下列问题:(1)容器的内径d的测量值为________cm;(2)请在虚线框中根据图乙所示的实物图画出电路图;(被测电阻用符号表示)(3)根据图丙的U-I图像,求出水样的电阻R=________Ω(保留两位有效数字);(4)计算水样的电导率表达式δ=________(用符号R、d、L表示),通过代入数据可以判定此水样是否合格。小学、初中、高中各种试卷真题知识归纳文案合同PPT等免费下载www.doc985.com小学、初中、高中各种试卷真题知识归纳文案合同PPT等免费下载www.doc985.com2.(2023·宁卷辽·12)导电漆是将金属粉末添加于特定树脂原料中制作而成的能导电的喷涂油漆。现有一根用导电漆制成的截面为正方形的细长样品(固态),某同学欲测量其电阻率,设计了如图(a)所示的电路图,实验步骤如下:a.测得样品截面的边长a=0.20cm;b.将平行排列的四根金属探针甲、乙、丙、丁与样品接触,其中甲、乙、丁位置固定,丙可在乙、丁间左右移动;c.将丙调节至某位置,测量丙和某探针之间的距离L;d.闭合开关S,调节电阻箱R的阻值,使电流表示数I=0.40A,读出相应的电压表示数U,断开开关S;e.改变丙的位置,重复步骤c、d,测量多组L和U,作出U-L图像如图(b)所示,得到直线的斜率k。回答下列问题:(1)L是丙到________(填“甲”“乙”或“丁”)的距离;(2)写出电阻率的表达式ρ=________(用k、a、I表示);(3)根据图像计算出该样品的电阻率ρ=______Ω·m(保留两位有效数字)。3.(2023·湖南省雅中模礼学拟)一根细长均匀、内芯为绝缘材料的金属管线样品,横截面外缘为正方形,如图甲所示。此金属管线样品长约30cm、电阻约10Ω,已知这种金属的电阻率为ρ,因管芯绝缘材料截面形状不规则,无法直接测量其横截面积。请你设计一个测量管芯截面积S的电学实验方案,现有如下器材可选:A.毫米刻度尺B.螺旋测微器C.电流表A1(量程0~600mA,内阻约为1.0Ω)D.电流表A2(量程0~3A,内阻约为0.1Ω)E.电压表V(量程0~3V,内阻约为6kΩ)F.滑动变阻器R1(2kΩ,允许通过的最大电流0.5A)G.滑动变阻器R2(10Ω,允许通过的最大电流2A)H.蓄电池E(电动势为6V,内阻约为0.05Ω)I.开关一个、带夹子的导线若干小学、初中、高中各种试卷真题知识归纳文案合同PPT等免费下载www.doc985.com小学、初中、高中各种试卷真题知识归纳文案合同PPT等免费下载www.doc985.com(1)上述器材中,应该选用的电流表是________,滑动变阻器是______(均填写器材前字母代号)。(2)若某次用螺旋测微器测得样品截面外缘正方形边长如图乙所示,则其值为________mm。(3)要求尽可能测出多组数据,则在图丙、丁、戊、己中应选择的电路图是________。(4)若样品截面外缘正方形边长为a、样品长为L、电流表示数为I、电压表示数为U,则计算内芯截面积的表达式为S=________。4.(2023·江南通市期中苏)某学习小组测量一段粗细均匀金属丝的电阻率。(1)首先用游标卡尺测量该金属丝的长度,结果如图甲所示,其长度L=________cm;再用螺旋测微器测金属丝直径,结果如图乙所示,其直径d=________mm。(2)用多用电表粗略测量金属丝的电阻约为20Ω。(3)为进一步准确测量该金属丝的电阻Rx,实验室提供如下器材:电池组E(电动势为4.5V,内阻不计);定值电阻R0(阻值为10Ω);电压表V(量程为5V,内阻未知);电流表A(量程为20mA,内阻为90Ω);滑动变阻器R(阻值范围为0~20Ω,额定电流2A);小学、...

1、当您付费下载文档后,您只拥有了使用权限,并不意味着购买了版权,文档只能用于自身使用,不得用于其他商业用途(如 [转卖]进行直接盈利或[编辑后售卖]进行间接盈利)。
2、本站所有内容均由合作方或网友上传,本站不对文档的完整性、权威性及其观点立场正确性做任何保证或承诺!文档内容仅供研究参考,付费前请自行鉴别。
3、如文档内容存在违规,或者侵犯商业秘密、侵犯著作权等,请点击“违规举报”。

碎片内容

与本文档类似文档
2007年江苏省高考物理试卷   .doc
2007年江苏省高考物理试卷 .doc
免费
27下载
2025年新高考物理资料  专题04 动力学瞬态、连接体、超失重、图像问题-(原卷版).docx
2025年新高考物理资料 专题04 动力学瞬态、连接体、超失重、图像问题-(原卷版).docx
免费
0下载
2025版《三维设计》一轮高中总复习 物理(提升版)第1讲 曲线运动 运动的合成与分解.docx
2025版《三维设计》一轮高中总复习 物理(提升版)第1讲 曲线运动 运动的合成与分解.docx
免费
0下载
2024年高考物理试卷(广西)(解析卷).docx
2024年高考物理试卷(广西)(解析卷).docx
免费
0下载
2024年新高考物理资料 第12章 专题强化24 电磁感应中的动力学和能量问题.docx
2024年新高考物理资料 第12章 专题强化24 电磁感应中的动力学和能量问题.docx
免费
0下载
2024年高考物理 一轮复习讲义(新人教版)2024年高考物理一轮复习(新人教版) 第6章 专题强化9 动力学和能量观点的综合应用.docx
2024年高考物理 一轮复习讲义(新人教版)2024年高考物理一轮复习(新人教版) 第6章 专题强化9 动力学和能量观点的综合应用.docx
免费
13下载
高考物理专题02 匀变速直线运动的规律(学生卷)-十年(2014-2023)高考物理真题分项汇编(全国通用).docx
高考物理专题02 匀变速直线运动的规律(学生卷)-十年(2014-2023)高考物理真题分项汇编(全国通用).docx
免费
0下载
2024年新高考物理资料 模块一 力与运动综合测试卷(原卷版).docx
2024年新高考物理资料 模块一 力与运动综合测试卷(原卷版).docx
免费
0下载
新课改高中物理 高考复习03 B重力、弹力、摩擦力 中档版学生版.docx
新课改高中物理 高考复习03 B重力、弹力、摩擦力 中档版学生版.docx
免费
10下载
高考物理复习  2025年高考物理实验抢分专练四:探究加速度与物体受力、物体质量的关系(含解析).docx
高考物理复习 2025年高考物理实验抢分专练四:探究加速度与物体受力、物体质量的关系(含解析).docx
免费
0下载
高考物理复习  热点1 受力分析和共点力平衡 .docx
高考物理复习 热点1 受力分析和共点力平衡 .docx
免费
0下载
2024版《大考卷》全程考评特训卷·物理【统考版】第七章 静电场.docx
2024版《大考卷》全程考评特训卷·物理【统考版】第七章 静电场.docx
免费
27下载
2023《微专题·小练习》·物理·L-5专题55测量电阻的几种方法.docx
2023《微专题·小练习》·物理·L-5专题55测量电阻的几种方法.docx
免费
26下载
新课改高中物理 高考复习06 B牛顿第二定律的基本应用 中档版教师版.docx
新课改高中物理 高考复习06 B牛顿第二定律的基本应用 中档版教师版.docx
免费
5下载
2024年高考物理试卷(浙江)(6月)(解析卷).docx
2024年高考物理试卷(浙江)(6月)(解析卷).docx
免费
0下载
2024年高考物理试卷(江苏)(空白卷) (2).docx
2024年高考物理试卷(江苏)(空白卷) (2).docx
免费
0下载
高考物理复习  第十五章 第2练 实验十九:用油膜法估测油酸分子的大小-实验二十:探究等温情况下一定质量气体压强与体积的关系.docx
高考物理复习 第十五章 第2练 实验十九:用油膜法估测油酸分子的大小-实验二十:探究等温情况下一定质量气体压强与体积的关系.docx
免费
0下载
高考物理复习  第12讲  实验:探究加速度与物体受力、物体质量的关系(练习)(解析版).docx
高考物理复习 第12讲 实验:探究加速度与物体受力、物体质量的关系(练习)(解析版).docx
免费
0下载
2011年天津市高考物理试卷   .pdf
2011年天津市高考物理试卷 .pdf
免费
18下载
高考物理复习  专题06 机械能守恒定律 能量守恒定律(讲义)(解析版).docx
高考物理复习 专题06 机械能守恒定律 能量守恒定律(讲义)(解析版).docx
免费
0下载
我的小文库
实名认证
内容提供者

提供高质量免费文档试卷下载,如果满意请告诉您身边的人,如果不满意请告诉我们,您的意见对于我们很重要,是我们不断进步的动力

阅读排行

确认删除?
回到顶部
客服号
  • 客服QQ点击这里给我发消息
QQ群
  • QQ群点击这里加入QQ群
提交所需资料详情,我们来帮找资料