八年级物理下册 期末压轴题综合训练卷02(原卷版).docx本文件免费下载 【共11页】

八年级物理下册 期末压轴题综合训练卷02(原卷版).docx
八年级物理下册 期末压轴题综合训练卷02(原卷版).docx
八年级物理下册 期末压轴题综合训练卷02(原卷版).docx
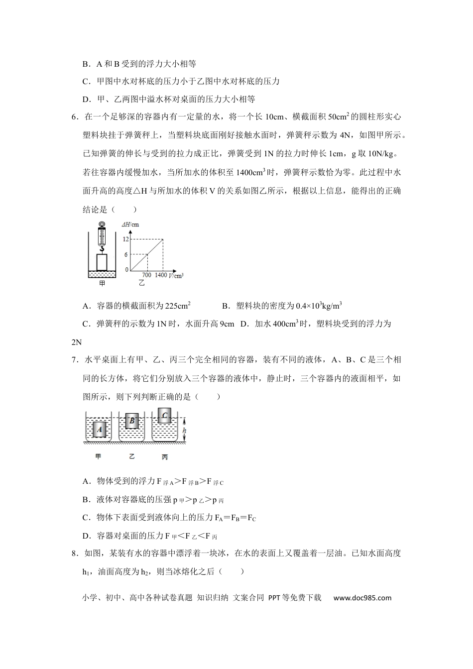
小学、初中、高中各种试卷真题知识归纳文案合同PPT等免费下载www.doc985.com八年级下册物理学霸赛考卷02(原卷版)初中物理(考试时间:90分钟试卷满分:100分)注意事项:1.测试范围:人教版八年级下册第7-11章。2.g=10N/kg。3.本卷平均难度系数0.2。第Ⅰ卷选择题一、选择题(本题共12小题,每小题3分,共36分。在每小题给出的四个选项中,只有一项是符合题目要求的)1.如图所示,A、B、C三个容器的底面积相同,分别装有硫酸、水、酒精(ρ硫>ρ水>ρ酒精),已知三个容器底面受到的压力相等,请判断三种液体的质量大小()A.硫酸质量最小B.水的质量最小C.酒精质量最小D.三者质量关系不能确定2.如图所示,薄壁轻质柱形容器内分别盛有不同的液体A、B,质量相等的金属球甲、乙分别浸没在A、B液体中且V甲>V乙,此时,液体对容器底的压强相等。现将两小球取出并交换投入另一容器中,小球依然浸没且无液体溢出,则操作前后A、B液体对容器底部压强的变化量△pA、△pB和操作后两容器对地面的压力F1、F2的关系是()A.△pA>△pB,F1>F2B.△pA>△pB,F1<F2小学、初中、高中各种试卷真题知识归纳文案合同PPT等免费下载www.doc985.comC.△pA<△pB,F1<F2D.△pA<△pB,F1>F23.如图所示,正在平直路面上向右匀速行驶的小车中有一轻质弹簧,其右端固定在车厢上,左端连接到木块上,弹簧此时处于原长状态并保持水平。下列判断正确的是()A.若弹簧未发生形变,则小车一定在做匀速直线运动B.若木块突然压缩弹簧,则小车一定在做加速运动C.若木块受到向左的摩擦力,则小车一定在做加速运动D.若木块受到向右的摩擦力,则小车一定在做加速运动4.如图甲所示,一个底面积为10cm2的圆柱体A,其上表面与细线相连,底部贴有压力传感器(不计压力传感器的质量和体积),连接电脑后可显示传感器所受压力的大小。图乙是某次将圆柱体A从下表面刚接触水面到匀速放入容器底部然后松开细绳,压力传感器所受压力大小与时间的关系图。已知薄壁柱形容器的重力为1N,底面积为20cm2,圆柱体A没入水中时底部始终与水平面相平,且容器中没有水溢出。下列说法正确的是()A.1s时,A物体底部所受到的液体压强为100PaB.物体A移动的速度为0.2m/sC.1s时容器甲中的水面高度为25cmD.3s时,容器对桌面的压强为4500Pa5.将体积相等的立方体物块A和B分别放入两只盛水的、完全相同的溢水杯中,溢水杯放置在水平桌面上,物块静止时水面跟溢水口相平,如图甲和乙所示。下列判断中正确的是()A.A的密度比B的密度大小学、初中、高中各种试卷真题知识归纳文案合同PPT等免费下载www.doc985.comB.A和B受到的浮力大小相等C.甲图中水对杯底的压力小于乙图中水对杯底的压力D.甲、乙两图中溢水杯对桌面的压力大小相等6.在一个足够深的容器内有一定量的水,将一个长10cm、横截面积50cm2的圆柱形实心塑料块挂于弹簧秤上,当塑料块底面刚好接触水面时,弹簧秤示数为4N,如图甲所示。已知弹簧的伸长与受到的拉力成正比,弹簧受到1N的拉力时伸长1cm,g取10N/kg。若往容器内缓慢加水,当所加水的体积至1400cm3时,弹簧秤示数恰为零。此过程中水面升高的高度△H与所加水的体积V的关系如图乙所示,根据以上信息,能得出的正确结论是()A.容器的横截面积为225cm2B.塑料块的密度为0.4×103kg/m3C.弹簧秤的示数为1N时,水面升高9cmD.加水400cm3时,塑料块受到的浮力为2N7.水平桌面上有甲、乙、丙三个完全相同的容器,装有不同的液体,A、B、C是三个相同的长方体,将它们分别放入三个容器的液体中,静止时,三个容器内的液面相平,如图所示,则下列判断正确的是()A.物体受到的浮力F浮A>F浮B>F浮CB.液体对容器底的压强p甲>p乙>p丙C.物体下表面受到液体向上的压力FA=FB=FCD.容器对桌面的压力F甲<F乙<F丙8.如图,某装有水的容器中漂浮着一块冰,在水的表面上又覆盖着一层油。已知水面高度h1,油面高度为h2,则当冰熔化之后()小学、初中、高中各种试卷真题知识归纳文案合同PPT等免费下载www.doc985.comA.水面高度h1升高,油面高度h2升高B.水面高度h1升高,油面高度h2降低C.水面高度h1降低,...

1、当您付费下载文档后,您只拥有了使用权限,并不意味着购买了版权,文档只能用于自身使用,不得用于其他商业用途(如 [转卖]进行直接盈利或[编辑后售卖]进行间接盈利)。
2、本站所有内容均由合作方或网友上传,本站不对文档的完整性、权威性及其观点立场正确性做任何保证或承诺!文档内容仅供研究参考,付费前请自行鉴别。
3、如文档内容存在违规,或者侵犯商业秘密、侵犯著作权等,请点击“违规举报”。

碎片内容

与本文档类似文档
八年级物理第七单元测试题(力)1.doc
八年级物理第七单元测试题(力)1.doc
免费
0下载
八年级上册物理单元测试题《物质的简单运动》知识归纳.doc
八年级上册物理单元测试题《物质的简单运动》知识归纳.doc
免费
18下载
5.3 凸透镜成像规律-2020-2021学年八年级物理上册同步课堂帮帮帮(人教版)(25562730).docx
5.3 凸透镜成像规律-2020-2021学年八年级物理上册同步课堂帮帮帮(人教版)(25562730).docx
免费
1下载
3.2 熔化和凝固-2020-2021学年八年级物理上册同步课堂帮帮帮(人教版)(15144516).docx
3.2 熔化和凝固-2020-2021学年八年级物理上册同步课堂帮帮帮(人教版)(15144516).docx
免费
1下载
15人教版湖北省黄冈市2020-2021学年八年级下学期期末教学质量监测物理试题.doc
15人教版湖北省黄冈市2020-2021学年八年级下学期期末教学质量监测物理试题.doc
免费
16下载
课时03大气压强(基础练)-2020-2021学年八年级物理下册十分钟同步课堂专练(人教版)(原卷版).doc
课时03大气压强(基础练)-2020-2021学年八年级物理下册十分钟同步课堂专练(人教版)(原卷版).doc
免费
0下载
课时01压强(重点练)-2020-2021学年八年级物理下册十分钟同步课堂专练(人教版)(解析版).doc
课时01压强(重点练)-2020-2021学年八年级物理下册十分钟同步课堂专练(人教版)(解析版).doc
免费
0下载
八年级物理上册同步练习5.1 透镜(学生版)-八年级物理上册同步精品讲义(人教版).docx
八年级物理上册同步练习5.1 透镜(学生版)-八年级物理上册同步精品讲义(人教版).docx
免费
9下载
初中八年级物理上册5.5显微镜和望远镜(知识点+例题)(解析版).docx
初中八年级物理上册5.5显微镜和望远镜(知识点+例题)(解析版).docx
免费
0下载
初中八年级物理上册2.3声的利用(知识点+例题)(解析版).docx
初中八年级物理上册2.3声的利用(知识点+例题)(解析版).docx
免费
0下载
课时02滑轮(基础练)-2020-2021学年八年级物理下册十分钟同步课堂专练(人教版)(解析版).doc
课时02滑轮(基础练)-2020-2021学年八年级物理下册十分钟同步课堂专练(人教版)(解析版).doc
免费
0下载
初中八年级物理上册物态变化期中复习.doc
初中八年级物理上册物态变化期中复习.doc
免费
0下载
课时04机械能及其转化(基础练)-2020-2021学年八年级物理下册十分钟同步课堂专练(人教版)(解析版).doc
课时04机械能及其转化(基础练)-2020-2021学年八年级物理下册十分钟同步课堂专练(人教版)(解析版).doc
免费
0下载
贵州省贵阳市清镇养正学校2020-2021学年八年级上学期第三次月考物理试题.docx
贵州省贵阳市清镇养正学校2020-2021学年八年级上学期第三次月考物理试题.docx
免费
0下载
初中八年级物理上册单元02  声现象 【过关测试】(解析版).docx
初中八年级物理上册单元02 声现象 【过关测试】(解析版).docx
免费
0下载
初中八年级物理上册2.1 声音的产生与传播(同步练习)(原卷版).docx
初中八年级物理上册2.1 声音的产生与传播(同步练习)(原卷版).docx
免费
0下载
初中八年级物理上册5.4 眼睛和眼镜(解析版).docx
初中八年级物理上册5.4 眼睛和眼镜(解析版).docx
免费
0下载
八年级物理下册同步练习9.4 流体压强与流速关系(教师版)-八年级物理下册同步精品讲义(人教版).docx
八年级物理下册同步练习9.4 流体压强与流速关系(教师版)-八年级物理下册同步精品讲义(人教版).docx
免费
6下载
初中八年级物理上册月考(一月)检测卷(原卷版).doc
初中八年级物理上册月考(一月)检测卷(原卷版).doc
免费
0下载
八年级物理上册月考(十一月)检测卷(解析版).doc
八年级物理上册月考(十一月)检测卷(解析版).doc
免费
0下载
我的小文库
实名认证
内容提供者

提供高质量免费文档试卷下载,如果满意请告诉您身边的人,如果不满意请告诉我们,您的意见对于我们很重要,是我们不断进步的动力

相关文档

阅读排行

确认删除?
回到顶部
客服号
  • 客服QQ点击这里给我发消息
QQ群
  • QQ群点击这里加入QQ群
提交所需资料详情,我们来帮找资料