2025年新高考物理资料 讲义第八章专题八 电学实验基础(含解析).docx本文件免费下载 【共12页】

2025年新高考物理资料  讲义第八章专题八 电学实验基础(含解析).docx
2025年新高考物理资料  讲义第八章专题八 电学实验基础(含解析).docx
2025年新高考物理资料  讲义第八章专题八 电学实验基础(含解析).docx
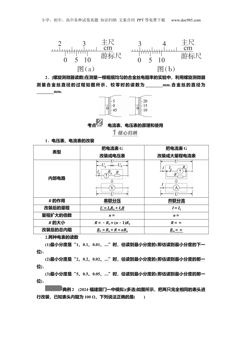
小学、初中、高中各种试卷真题知识归纳文案合同PPT等免费下载www.doc985.com专题八电学实验基础素养目标1.了解伏安法测电阻.(物理观念)2.知道滑动变阻器在电路中的限流接法和分压接法.(物理观念)3.知道伏安法测电阻内、外接法的选择及误差分析.(科学思维)4.掌握滑动变阻器在电路中的使用.(科学思维)考点长度的测量1.游标卡尺的原理和使用(1)构造:如图所示,主尺,游标尺(主尺和游标尺上各有一个内外测量爪),游标尺上还有一个深度尺,尺身上还有一个紧固螺钉.(2)原理:利用主尺的最小分度与游标尺的最小分度的差值制成.不管游标尺上有多少个小等分刻度,它的刻度部分的总长度比主尺上的同样多的小等分刻度少1mm.常见的游标卡尺的游标尺上小等分刻度有10个的、20个的、50个的,其规格见下表:刻度格数(分度)刻度总长度每小格与1mm的差值精确度(可准确到)109mm0.1_mm0.1_mm2019mm0.05_mm0.05_mm5049mm0.02_mm0.02_mm(3)读数:若用x表示由主尺上读出的整毫米数,k表示从游标尺上读出与主尺上某一刻线对齐的游标的格数,则记录结果表达为(x+k×精确度)mm.2.螺旋测微器的原理和使用(1)构造(如图所示)(2)原理:螺旋测微器的精密螺纹的螺距是0.5_mm,即每旋转一周,螺杆前进或后退0.5_mm,可动刻度分成50等份,每一份表示0.01_mm,即可动刻度每转过一等份,螺杆前进或后退0.01mm,从可动刻度旋转了多少个等份,就知道长度变化了多少个0.01mm.(3)读数:测量时被测物体长度的整毫米数和半毫米数由固定刻度读出,小数部分由可动刻度读出.测量值(mm)=固定刻度数(mm)(注意半毫米刻度线是否露出)+可动刻度数小学、初中、高中各种试卷真题知识归纳文案合同PPT等免费下载www.doc985.com(估读一位)×0.01(mm).典例1(1)如图所示的三把游标卡尺,从上至下分别为9mm长10等分、19mm长20等分、49mm长50等分,它们的读数依次为________mm、________mm、________mm.(2)某同学用如图丁所示的螺旋测微器测小球的直径时,他应先转动________到F靠近小球,再转动________到F夹住小球,直至听到棘轮发出声音为止,拨动________使F固定后读数(以上均填仪器部件字母符号).正确操作后,螺旋测微器的示数如图戊所示,则小球的直径是________mm.丁戊1.[游标卡尺读数]某同学用游标卡尺分别测量金属圆管的内、外壁直径,游标卡尺的示数分别如图(a)和(b)所示.由图可读出,圆管内壁的直径为________cm,圆管外壁的直径为________cm;由此可计算出金属圆管横截面的面积.小学、初中、高中各种试卷真题知识归纳文案合同PPT等免费下载www.doc985.com2.[螺旋测微器读数]在测量一根粗细均匀的合金丝电阻率的实验中,利用螺旋测微器测量合金丝直径的过程如图所示,校零时的读数为________mm.合金丝的直径为________mm.考点电流表、电压表的原理和使用1.电压表、电流表的改装类型把电流表G改装成电压表把电流表G改装成大量程电流表内部电路R的作用串联分压并联分流改装后的量程U=IgRg+IgRI=Ig量程扩大的倍数n=n=R的大小R=-Rg=(n-1)RgR==改装后的总内阻RV=Rg+R=nRgRA==2.两种电表的读数(1)最小分度是“1、0.1、0.01、…”时,估读到最小分度的(即估读到最小分度的下一位).(2)最小分度是“2、0.2、0.02、…”时,估读到最小分度的(即估读到最小分度的那一位).(3)最小分度是“5、0.5、0.05、…”时,估读到最小分度的(即估读到最小分度的那一位).典例2(2024·福建厦门一中模拟)(多选)如图所示,把两只完全相同的表头进行改装,已知表头内阻为100Ω,下列说法正确的是()小学、初中、高中各种试卷真题知识归纳文案合同PPT等免费下载www.doc985.comA.由甲图可知,该表头满偏电流Ig=2mAB.甲图是改装成的双量程电压表,其中b量程为9VC.乙图中R1=Ω,R2=10ΩD.乙图中R1=5Ω,R2=45Ω1.[电表读数问题](1)图甲使用0.6A量程时,对应刻度盘上每一小格代表________A,图中指针示数是________A;当使用3A量程时,对应刻度盘上每一小格代表________A,图中指针示数为________A.(2)图乙使用较小量程时,每小格表示________V,图中指针的示数为________V;若使用的是较大量程,则这时表盘刻度每...

1、当您付费下载文档后,您只拥有了使用权限,并不意味着购买了版权,文档只能用于自身使用,不得用于其他商业用途(如 [转卖]进行直接盈利或[编辑后售卖]进行间接盈利)。
2、本站所有内容均由合作方或网友上传,本站不对文档的完整性、权威性及其观点立场正确性做任何保证或承诺!文档内容仅供研究参考,付费前请自行鉴别。
3、如文档内容存在违规,或者侵犯商业秘密、侵犯著作权等,请点击“违规举报”。

碎片内容

与本文档类似文档
高考物理复习  第十四章 第1课时 光的折射、全反射 (1).docx
高考物理复习 第十四章 第1课时 光的折射、全反射 (1).docx
免费
0下载
2025年新高考物理资料  第04讲  实验:探究小车速度随时间变化的规律(练习)(解析版).docx
2025年新高考物理资料 第04讲 实验:探究小车速度随时间变化的规律(练习)(解析版).docx
免费
0下载
2025年新高考物理资料  考点18 探究向心力大小与半径、角速度、质量的关系(核心考点精讲精练)(解析版).docx
2025年新高考物理资料 考点18 探究向心力大小与半径、角速度、质量的关系(核心考点精讲精练)(解析版).docx
免费
0下载
2017年全国统一高考物理试卷(新课标ⅲ).doc
2017年全国统一高考物理试卷(新课标ⅲ).doc
免费
0下载
1995年广东高考物理真题及答案.doc
1995年广东高考物理真题及答案.doc
免费
11下载
2025年新高考物理资料  专题突破卷10  闭合电路的欧姆定律(欧姆定律、动态分析、功率和效率问题、故障分析、含容电路)(原卷版).docx
2025年新高考物理资料 专题突破卷10 闭合电路的欧姆定律(欧姆定律、动态分析、功率和效率问题、故障分析、含容电路)(原卷版).docx
免费
0下载
【预约】湖南省衡阳市2023届高三第二次联考(二模)物理试题图片版.docx
【预约】湖南省衡阳市2023届高三第二次联考(二模)物理试题图片版.docx
免费
8下载
精品解析:2022届上海市浦东新区高三(下)线上阶段测试(二模)物理试题(原卷版).docx
精品解析:2022届上海市浦东新区高三(下)线上阶段测试(二模)物理试题(原卷版).docx
免费
0下载
上海市嘉定区2022年高三第一学期期末(一模)物理答案 (1).docx
上海市嘉定区2022年高三第一学期期末(一模)物理答案 (1).docx
免费
0下载
2025年新高考物理资料  第十三章 第3练 电磁振荡与电磁波.docx
2025年新高考物理资料 第十三章 第3练 电磁振荡与电磁波.docx
免费
0下载
江苏省南京师范大学附属中学2022-2023学年高三下学期一模适应性考试物理试题(原卷版).docx
江苏省南京师范大学附属中学2022-2023学年高三下学期一模适应性考试物理试题(原卷版).docx
免费
0下载
2024年新高考物理资料 重难点12 电磁感应(解析版).docx
2024年新高考物理资料 重难点12 电磁感应(解析版).docx
免费
0下载
2022年高考物理试卷(全国乙卷)(空白卷) (6).docx
2022年高考物理试卷(全国乙卷)(空白卷) (6).docx
免费
0下载
高中2024版考评特训卷·物理【新教材】(辽宁专版)考点36.docx
高中2024版考评特训卷·物理【新教材】(辽宁专版)考点36.docx
免费
0下载
2023年高考重庆卷物理真题(解析版).docx
2023年高考重庆卷物理真题(解析版).docx
免费
19下载
高考复习专项练习二轮物理专题分层突破练12 振动与波.docx
高考复习专项练习二轮物理专题分层突破练12 振动与波.docx
免费
5下载
2024年新高考物理资料 第10讲 探究弹簧弹力与形变量的关系(讲义)(解析版).docx
2024年新高考物理资料 第10讲 探究弹簧弹力与形变量的关系(讲义)(解析版).docx
免费
0下载
高中2024版考评特训卷·物理【新教材】考点71.docx
高中2024版考评特训卷·物理【新教材】考点71.docx
免费
0下载
2025届高中物理一轮复习练习(含解析):第七章 阶段复习练(三) 能量和动量.docx
2025届高中物理一轮复习练习(含解析):第七章 阶段复习练(三) 能量和动量.docx
免费
0下载
2023《微专题·小练习》·物理·L-5专题28人造卫星宇宙速度.docx
2023《微专题·小练习》·物理·L-5专题28人造卫星宇宙速度.docx
免费
15下载
我的小文库
实名认证
内容提供者

提供高质量免费文档试卷下载,如果满意请告诉您身边的人,如果不满意请告诉我们,您的意见对于我们很重要,是我们不断进步的动力

阅读排行

确认删除?
回到顶部
客服号
  • 客服QQ点击这里给我发消息
QQ群
  • QQ群点击这里加入QQ群
提交所需资料详情,我们来帮找资料