高考物理复习 第12讲 实验:探究加速度与物体受力、物体质量的关系(练习)(解析版).docx本文件免费下载 【共37页】

高考物理复习  第12讲  实验:探究加速度与物体受力、物体质量的关系(练习)(解析版).docx
高考物理复习  第12讲  实验:探究加速度与物体受力、物体质量的关系(练习)(解析版).docx
高考物理复习  第12讲  实验:探究加速度与物体受力、物体质量的关系(练习)(解析版).docx
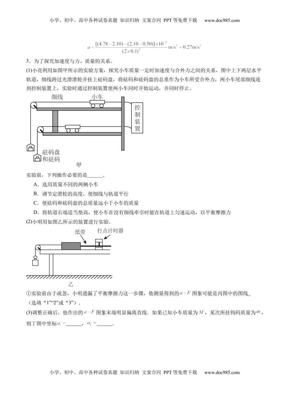
小学、初中、高中各种试卷真题知识归纳文案合同PPT等免费下载www.doc985.com小学、初中、高中各种试卷真题知识归纳文案合同PPT等免费下载www.doc985.com第12讲实验:探究加速度与物体受力、物体质量的关系目录01模拟基础练【题型一】教材原型实验【题型二】实验的拓展创新02重难创新练【题型一】教材原型实验1.探究物体加速度与所受合外力的关系实验装置如图甲所示,主要实验步骤如下:(1)调整长木板倾角进行阻力补偿,使小车恰好沿长木板向下做匀速运动。(2)保持长木板的倾角不变,绳子下端只挂一个钩码,将小车移近打点计时器,接通电源然后释放小车,小车沿长木板向下做匀加速直线运动,得到一条纸带如图所示,A、B、C、D、E、F、G为计数点,相邻计数点间还有4个点未画出,打点计时器的频率为50Hz。利用刻度尺测量得到,,,,,。通过纸带求得小车加速度大小为。(保留2位有效数字)(3)某同学在研究加速度与物体受力之间的关系时改进了实验方案,他用无线力传感器来测量小车受到的拉力。如图所示,他将无线力传感器和小车固定在一起,将系着小桶的细绳系在传感器的挂钩上,调整细绳方向与木板平行。请判断在改进后的实验中以下步骤是否还有必要(选填“有必要”或“没必要”)。小学、初中、高中各种试卷真题知识归纳文案合同PPT等免费下载www.doc985.com小学、初中、高中各种试卷真题知识归纳文案合同PPT等免费下载www.doc985.com步骤是否有必要调整木板倾角平衡摩擦力和其他阻力控制砂和桶的总质量应远小于小车和车内砝码的总质量【答案】0.60有必要没必要【详解】(2)[1]相邻计数点间还有4个点未画出,则相邻计数点的时间间隔为根据逐差法可得,小车加速度大小为(3)[2]要使拉力等于小车受到的合力,必须平衡摩擦力,即改进实验后有必要调整木板倾角平衡摩擦力和其他阻力。[3]用无线力传感器来测量小车受到的拉力时,力传感器可以读出绳的拉力,则没必要控制砂和桶的总质量应远小于小车和车内砝码的总质量。2.某同学利用图甲所示的装置进行“探究加速度与力、质量的关系”实验,回答下列问题:(1)该实验运用的思想方法是(填“控制变量法”或“等效替代法”)。(2)图乙为实验中打出的一条纸带,打点计时器接在频率为50Hz的交流电源上,相邻两个计时点间还有四个点未画出,则打点计时器打下P点时小车的速度大小为m/s,小车运动的加速度大小为。(计算结果均保留两位小数)【答案】(1)控制变量法(2)0.12~0.16均可0.26~0.32均可【详解】(1)“探究加速度与力、质量的关系”实验运用的思想方法是控制变量法。(2)[1]根据中间时刻的瞬时速度等于这段时间内的平均速度,由题图乙的纸带得打P点时小车的速度[2]根据逐差法,小车运动的加速度大小小学、初中、高中各种试卷真题知识归纳文案合同PPT等免费下载www.doc985.com小学、初中、高中各种试卷真题知识归纳文案合同PPT等免费下载www.doc985.com3.为了探究加速度与力、质量的关系。(1)小亮利用如图甲所示的实验方案,探究小车质量一定时加速度与合外力之间的关系,图中上下两层水平轨道,细线跨过光滑滑轮并挂上砝码盘,将砝码和砝码盘的总重作为小车所受合外力,两小车尾部细线连到控制装置上,实验时通过控制装置使两小车同时开始运动,并同时停止。实验前,下列操作必要的是______.A.选用质量不同的两辆小车B.调节定滑轮的高度,使细线与轨道平行C.使砝码和砝码盘的总质量远小于小车的质量D.将轨道右端适当垫高,使小车在没有细线牵引时能在轨道上匀速运动,以平衡摩擦力(2)小明用如图乙所示的装置进行实验.①实验前由于疏忽,小明遗漏了平衡摩擦力这一步骤,他测量得到的图象可能是丙图中的图线(选填“1”“2”或“3”).(3)调整正确后,他作出的图象末端明显偏离直线.如果已知小车质量为,某次所挂钩码质量为,则丁图中坐标,.小学、初中、高中各种试卷真题知识归纳文案合同PPT等免费下载www.doc985.com小学、初中、高中各种试卷真题知识归纳文案合同PPT等免费下载www.doc985.com【答案】(1)BCD(2)3(3)【详解】(1)A.实验要探究小车质量一定时加速度与合外力之间的关系,则选用质量相同的两辆小车...

1、当您付费下载文档后,您只拥有了使用权限,并不意味着购买了版权,文档只能用于自身使用,不得用于其他商业用途(如 [转卖]进行直接盈利或[编辑后售卖]进行间接盈利)。
2、本站所有内容均由合作方或网友上传,本站不对文档的完整性、权威性及其观点立场正确性做任何保证或承诺!文档内容仅供研究参考,付费前请自行鉴别。
3、如文档内容存在违规,或者侵犯商业秘密、侵犯著作权等,请点击“违规举报”。

碎片内容

与本文档类似文档
高考物理复习  第十四章 第1课时 光的折射、全反射 (1).docx
高考物理复习 第十四章 第1课时 光的折射、全反射 (1).docx
免费
0下载
2025年新高考物理资料  第04讲  实验:探究小车速度随时间变化的规律(练习)(解析版).docx
2025年新高考物理资料 第04讲 实验:探究小车速度随时间变化的规律(练习)(解析版).docx
免费
0下载
2025年新高考物理资料  考点18 探究向心力大小与半径、角速度、质量的关系(核心考点精讲精练)(解析版).docx
2025年新高考物理资料 考点18 探究向心力大小与半径、角速度、质量的关系(核心考点精讲精练)(解析版).docx
免费
0下载
2017年全国统一高考物理试卷(新课标ⅲ).doc
2017年全国统一高考物理试卷(新课标ⅲ).doc
免费
0下载
1995年广东高考物理真题及答案.doc
1995年广东高考物理真题及答案.doc
免费
11下载
2025年新高考物理资料  专题突破卷10  闭合电路的欧姆定律(欧姆定律、动态分析、功率和效率问题、故障分析、含容电路)(原卷版).docx
2025年新高考物理资料 专题突破卷10 闭合电路的欧姆定律(欧姆定律、动态分析、功率和效率问题、故障分析、含容电路)(原卷版).docx
免费
0下载
【预约】湖南省衡阳市2023届高三第二次联考(二模)物理试题图片版.docx
【预约】湖南省衡阳市2023届高三第二次联考(二模)物理试题图片版.docx
免费
8下载
精品解析:2022届上海市浦东新区高三(下)线上阶段测试(二模)物理试题(原卷版).docx
精品解析:2022届上海市浦东新区高三(下)线上阶段测试(二模)物理试题(原卷版).docx
免费
0下载
上海市嘉定区2022年高三第一学期期末(一模)物理答案 (1).docx
上海市嘉定区2022年高三第一学期期末(一模)物理答案 (1).docx
免费
0下载
2025年新高考物理资料  第十三章 第3练 电磁振荡与电磁波.docx
2025年新高考物理资料 第十三章 第3练 电磁振荡与电磁波.docx
免费
0下载
江苏省南京师范大学附属中学2022-2023学年高三下学期一模适应性考试物理试题(原卷版).docx
江苏省南京师范大学附属中学2022-2023学年高三下学期一模适应性考试物理试题(原卷版).docx
免费
0下载
2024年新高考物理资料 重难点12 电磁感应(解析版).docx
2024年新高考物理资料 重难点12 电磁感应(解析版).docx
免费
0下载
2022年高考物理试卷(全国乙卷)(空白卷) (6).docx
2022年高考物理试卷(全国乙卷)(空白卷) (6).docx
免费
0下载
高中2024版考评特训卷·物理【新教材】(辽宁专版)考点36.docx
高中2024版考评特训卷·物理【新教材】(辽宁专版)考点36.docx
免费
0下载
2023年高考重庆卷物理真题(解析版).docx
2023年高考重庆卷物理真题(解析版).docx
免费
19下载
高考复习专项练习二轮物理专题分层突破练12 振动与波.docx
高考复习专项练习二轮物理专题分层突破练12 振动与波.docx
免费
5下载
2024年新高考物理资料 第10讲 探究弹簧弹力与形变量的关系(讲义)(解析版).docx
2024年新高考物理资料 第10讲 探究弹簧弹力与形变量的关系(讲义)(解析版).docx
免费
0下载
高中2024版考评特训卷·物理【新教材】考点71.docx
高中2024版考评特训卷·物理【新教材】考点71.docx
免费
0下载
2025届高中物理一轮复习练习(含解析):第七章 阶段复习练(三) 能量和动量.docx
2025届高中物理一轮复习练习(含解析):第七章 阶段复习练(三) 能量和动量.docx
免费
0下载
2023《微专题·小练习》·物理·L-5专题28人造卫星宇宙速度.docx
2023《微专题·小练习》·物理·L-5专题28人造卫星宇宙速度.docx
免费
15下载
我的小文库
实名认证
内容提供者

提供高质量免费文档试卷下载,如果满意请告诉您身边的人,如果不满意请告诉我们,您的意见对于我们很重要,是我们不断进步的动力

阅读排行

确认删除?
回到顶部
客服号
  • 客服QQ点击这里给我发消息
QQ群
  • QQ群点击这里加入QQ群
提交所需资料详情,我们来帮找资料