高考物理复习 第44讲 重点实验:用多用电表测量电学中的物理量(练习)(原卷版).docx本文件免费下载 【共12页】

高考物理复习  第44讲   重点实验:用多用电表测量电学中的物理量(练习)(原卷版).docx
高考物理复习  第44讲   重点实验:用多用电表测量电学中的物理量(练习)(原卷版).docx
高考物理复习  第44讲   重点实验:用多用电表测量电学中的物理量(练习)(原卷版).docx
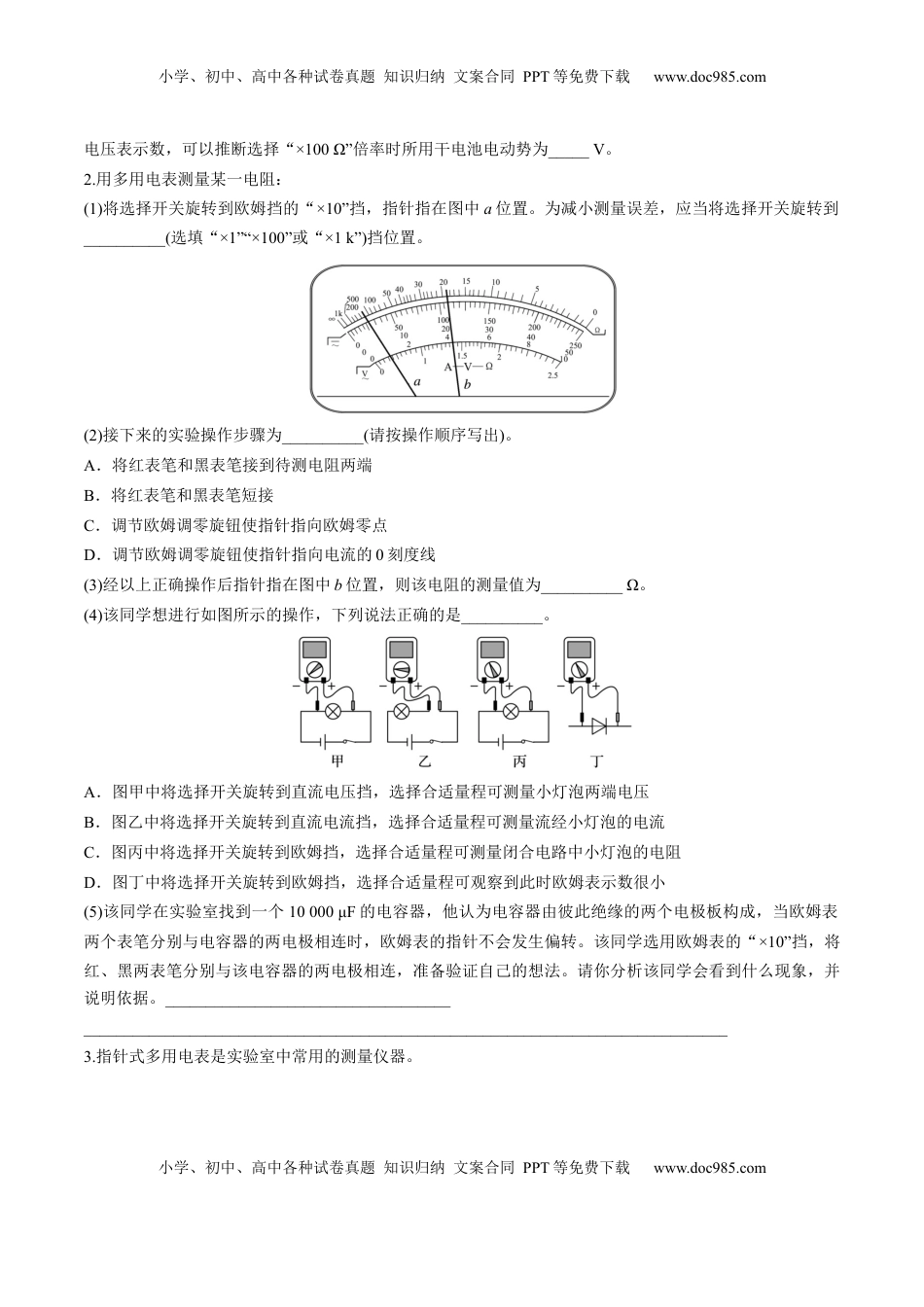
小学、初中、高中各种试卷真题知识归纳文案合同PPT等免费下载www.doc985.com小学、初中、高中各种试卷真题知识归纳文案合同PPT等免费下载www.doc985.com第44讲重点实验:用多用电表测量电学中的物理量目录01模拟基础练【题型一】多用电表的使用与读数【题型二】欧姆表的原理与构造02重难创新练【题型一】多用电表的使用与读数1.某同学想利用多用电表欧姆挡测量电压表内阻,所选用电压表有3V和15V两个量程。(1)测量电压表3V量程的内阻①先对多用电表进行机械调零,再将选择开关旋至欧姆挡“×100Ω”倍率处,短接两表笔,进行________;测量时,电压表的“―”极连接多用表的________(填“红表笔”或“黑表笔”);②测量时欧姆表的指针如图甲,则电压表3V量程的内阻为________Ω。(2)电压表15V量程和3V量程由同一个表头改装的,则可推算出15V量程的内阻等于________Ω。(3)若该多用电表欧姆挡可选用电动势为“1.5V”或“9V”两个规格的干电池,根据图甲、乙中欧姆表盘及小学、初中、高中各种试卷真题知识归纳文案合同PPT等免费下载www.doc985.com小学、初中、高中各种试卷真题知识归纳文案合同PPT等免费下载www.doc985.com电压表示数,可以推断选择“×100Ω”倍率时所用干电池电动势为_____V。2.用多用电表测量某一电阻:(1)将选择开关旋转到欧姆挡的“×10”挡,指针指在图中a位置。为减小测量误差,应当将选择开关旋转到__________(选填“×1”“×100”或“×1k”)挡位置。(2)接下来的实验操作步骤为__________(请按操作顺序写出)。A.将红表笔和黑表笔接到待测电阻两端B.将红表笔和黑表笔短接C.调节欧姆调零旋钮使指针指向欧姆零点D.调节欧姆调零旋钮使指针指向电流的0刻度线(3)经以上正确操作后指针指在图中b位置,则该电阻的测量值为__________Ω。(4)该同学想进行如图所示的操作,下列说法正确的是__________。A.图甲中将选择开关旋转到直流电压挡,选择合适量程可测量小灯泡两端电压B.图乙中将选择开关旋转到直流电流挡,选择合适量程可测量流经小灯泡的电流C.图丙中将选择开关旋转到欧姆挡,选择合适量程可测量闭合电路中小灯泡的电阻D.图丁中将选择开关旋转到欧姆挡,选择合适量程可观察到此时欧姆表示数很小(5)该同学在实验室找到一个10000μF的电容器,他认为电容器由彼此绝缘的两个电极板构成,当欧姆表两个表笔分别与电容器的两电极相连时,欧姆表的指针不会发生偏转。该同学选用欧姆表的“×10”挡,将红、黑两表笔分别与该电容器的两电极相连,准备验证自己的想法。请你分析该同学会看到什么现象,并说明依据。__________________________________________________________________________________________________________________3.指针式多用电表是实验室中常用的测量仪器。小学、初中、高中各种试卷真题知识归纳文案合同PPT等免费下载www.doc985.com小学、初中、高中各种试卷真题知识归纳文案合同PPT等免费下载www.doc985.com(1)多用电表未接入电路时,指针如图1所示,需要调节部件________(选填“A”“B”或“C”),使指针停在电流挡“0”刻度线位置。(2)调节好后,将选择开关拨至“50V”直流电压挡测量电压,指针如图2所示,则读数为________V。(3)下列四幅图选择开关均已旋转到合适挡位,下列操作正确的是________。A.甲图是用多用电表直流电压挡测量小灯泡两端的电压B.乙图是用多用电表直流电流挡测量电路中的电流C.丙图是用多用电表欧姆挡测量小灯泡的电阻D.丁图是用多用电表欧姆挡测量二极管的反向电阻4.(1)某同学学习了“练习使用多用电表”后对欧姆挡的换挡很感兴趣,想知道具体原因,通过与老师的交流知道有可能是通过改变电源电动势或改变电流表量程来换挡。于是来到学校实验室找到一多用电表和一量程为3V的电压表做实验。他首先将多用电表挡位调到欧姆“×100”挡,再将红表笔和黑表笔短接,进行________;然后将多用电表的红表笔和电压表的________(填“+”或“-”)接线柱相连,黑表笔与另一接线柱相连;两表的示数如图甲、乙所示,则图甲示数为________Ω,图乙示数为________V;若已知多用电表欧姆挡表盘中央刻度值为“15”,则...

1、当您付费下载文档后,您只拥有了使用权限,并不意味着购买了版权,文档只能用于自身使用,不得用于其他商业用途(如 [转卖]进行直接盈利或[编辑后售卖]进行间接盈利)。
2、本站所有内容均由合作方或网友上传,本站不对文档的完整性、权威性及其观点立场正确性做任何保证或承诺!文档内容仅供研究参考,付费前请自行鉴别。
3、如文档内容存在违规,或者侵犯商业秘密、侵犯著作权等,请点击“违规举报”。

碎片内容

与本文档类似文档
高考物理复习  第十四章 第1课时 光的折射、全反射 (1).docx
高考物理复习 第十四章 第1课时 光的折射、全反射 (1).docx
免费
0下载
2025年新高考物理资料  第04讲  实验:探究小车速度随时间变化的规律(练习)(解析版).docx
2025年新高考物理资料 第04讲 实验:探究小车速度随时间变化的规律(练习)(解析版).docx
免费
0下载
2025年新高考物理资料  考点18 探究向心力大小与半径、角速度、质量的关系(核心考点精讲精练)(解析版).docx
2025年新高考物理资料 考点18 探究向心力大小与半径、角速度、质量的关系(核心考点精讲精练)(解析版).docx
免费
0下载
2017年全国统一高考物理试卷(新课标ⅲ).doc
2017年全国统一高考物理试卷(新课标ⅲ).doc
免费
0下载
1995年广东高考物理真题及答案.doc
1995年广东高考物理真题及答案.doc
免费
11下载
2025年新高考物理资料  专题突破卷10  闭合电路的欧姆定律(欧姆定律、动态分析、功率和效率问题、故障分析、含容电路)(原卷版).docx
2025年新高考物理资料 专题突破卷10 闭合电路的欧姆定律(欧姆定律、动态分析、功率和效率问题、故障分析、含容电路)(原卷版).docx
免费
0下载
【预约】湖南省衡阳市2023届高三第二次联考(二模)物理试题图片版.docx
【预约】湖南省衡阳市2023届高三第二次联考(二模)物理试题图片版.docx
免费
8下载
精品解析:2022届上海市浦东新区高三(下)线上阶段测试(二模)物理试题(原卷版).docx
精品解析:2022届上海市浦东新区高三(下)线上阶段测试(二模)物理试题(原卷版).docx
免费
0下载
上海市嘉定区2022年高三第一学期期末(一模)物理答案 (1).docx
上海市嘉定区2022年高三第一学期期末(一模)物理答案 (1).docx
免费
0下载
2025年新高考物理资料  第十三章 第3练 电磁振荡与电磁波.docx
2025年新高考物理资料 第十三章 第3练 电磁振荡与电磁波.docx
免费
0下载
江苏省南京师范大学附属中学2022-2023学年高三下学期一模适应性考试物理试题(原卷版).docx
江苏省南京师范大学附属中学2022-2023学年高三下学期一模适应性考试物理试题(原卷版).docx
免费
0下载
2024年新高考物理资料 重难点12 电磁感应(解析版).docx
2024年新高考物理资料 重难点12 电磁感应(解析版).docx
免费
0下载
2022年高考物理试卷(全国乙卷)(空白卷) (6).docx
2022年高考物理试卷(全国乙卷)(空白卷) (6).docx
免费
0下载
高中2024版考评特训卷·物理【新教材】(辽宁专版)考点36.docx
高中2024版考评特训卷·物理【新教材】(辽宁专版)考点36.docx
免费
0下载
2023年高考重庆卷物理真题(解析版).docx
2023年高考重庆卷物理真题(解析版).docx
免费
19下载
高考复习专项练习二轮物理专题分层突破练12 振动与波.docx
高考复习专项练习二轮物理专题分层突破练12 振动与波.docx
免费
5下载
2024年新高考物理资料 第10讲 探究弹簧弹力与形变量的关系(讲义)(解析版).docx
2024年新高考物理资料 第10讲 探究弹簧弹力与形变量的关系(讲义)(解析版).docx
免费
0下载
高中2024版考评特训卷·物理【新教材】考点71.docx
高中2024版考评特训卷·物理【新教材】考点71.docx
免费
0下载
2025届高中物理一轮复习练习(含解析):第七章 阶段复习练(三) 能量和动量.docx
2025届高中物理一轮复习练习(含解析):第七章 阶段复习练(三) 能量和动量.docx
免费
0下载
2023《微专题·小练习》·物理·L-5专题28人造卫星宇宙速度.docx
2023《微专题·小练习》·物理·L-5专题28人造卫星宇宙速度.docx
免费
15下载
我的小文库
实名认证
内容提供者

提供高质量免费文档试卷下载,如果满意请告诉您身边的人,如果不满意请告诉我们,您的意见对于我们很重要,是我们不断进步的动力

阅读排行

确认删除?
回到顶部
客服号
  • 客服QQ点击这里给我发消息
QQ群
  • QQ群点击这里加入QQ群
提交所需资料详情,我们来帮找资料