高中物理 选修3 2.2 气体的等温变化 练习—【新教材】人教版(2019)高中物理选择性必修三.docx本文件免费下载 【共22页】

高中物理 选修3   2.2 气体的等温变化 练习—【新教材】人教版(2019)高中物理选择性必修三.docx
高中物理 选修3   2.2 气体的等温变化 练习—【新教材】人教版(2019)高中物理选择性必修三.docx
高中物理 选修3   2.2 气体的等温变化 练习—【新教材】人教版(2019)高中物理选择性必修三.docx
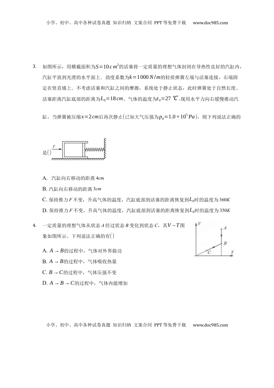
小学、初中、高中各种试卷真题知识归纳文案合同PPT等免费下载www.doc985.com小学、初中、高中各种试卷真题知识归纳文案合同PPT等免费下载www.doc985.com气体的等温变化练习一、单选题1.关于理想气体的状态变化,下列说法中正确的是()。A.一定质量的理想气体,当压强不变而温度由100℃上升到200℃时,其体积增大为原来的2倍B.气体由状态1变到状态2时,一定满足方程ρ1V1T1=ρ2V2T2C.一定质量的理想气体体积增大到原来的4倍,可能是压强减半,热力学温度加倍D.一定质量的理想气体压强增大到原来的4倍,可能是体积加倍,热力学温度减半2.一定质量的理想气体经历了如图所示的状态变化.已知从A到B的过程中,气体的内能减少了300J,气体在状态C时的温度TC=300K,则()A.从B到C过程中气体温度保持不变B.从A到B气体放出的热量1200JC.状态A的温度为800KD.整个过程气体放出热量300J小学、初中、高中各种试卷真题知识归纳文案合同PPT等免费下载www.doc985.com小学、初中、高中各种试卷真题知识归纳文案合同PPT等免费下载www.doc985.com3.如图所示,用横截面积为S=10cm2的活塞将一定质量的理想气体封闭在导热性良好的汽缸内,汽缸平放到光滑的水平面上.劲度系数为k=1000N/m的轻质弹簧左端与活塞连接,右端固定在竖直墙上.不考虑活塞和汽缸之间的摩擦,系统处于静止状态,此时弹簧处于自然长度、活塞距离汽缸底部的距离为L0=18cm、气体的温度为t0=27℃.现用水平力向右缓慢推动汽缸,当弹簧被压缩x=2cm后再次静止(已知大气压强为p0=1.0×105Pa),则下列说法正确的是()A.汽缸向右移动的距离4cmB.汽缸向右移动的距离3cmC.保持推力F不变,升高气体的温度,汽缸底部到活塞的距离恢复到L0时的温度为360KD.保持推力F不变,升高气体的温度,汽缸底部到活塞的距离恢复到L0时的温度为350K4.一定质量的理想气体从状态A经过状态B变化到状态C,其V–T图象如图所示。下列说法正确的有()A.A→B的过程中,气体对外界做功B.A→B的过程中,气体吸收热量C.B→C的过程中,气体压强不变D.A→B→C的过程中,气体内能增加小学、初中、高中各种试卷真题知识归纳文案合同PPT等免费下载www.doc985.com小学、初中、高中各种试卷真题知识归纳文案合同PPT等免费下载www.doc985.com5.用如下图所示的装置可以测量液体的密度。将一个带有阀门的三通U形管倒置在两个装有液体的容器中,用抽气机对U形管向外抽气,再关闭阀门K,已知左边液体的密度为ρ1,左、右两边液柱高度分别为h1、h2,下列说法正确的是()A.实验中必须将U形管内抽成真空B.关闭阀门K后,管内气体压强大于管外大气压C.右边液体的密度ρ2=p1h1h2D.右边液体的密度ρ2=p1h2h16.水枪是孩子们喜爱的玩具,常见的气压式水枪储水罐示意如图。从储水罐充气口充入气体,达到一定压强后,关闭充气口。扣动扳机将阀门M打开,水即从枪口喷出。若在不断喷出的过程中,罐内气体温度始终保持不变,则气体A.压强变大B.对外界做功C.对外界放热D.分子平均动能变大7.一定质量的理想气体从状态a开始,经历ab、bc、ca三个过程回到原状态,其p−T图像如图所示,下列判断正确的是()小学、初中、高中各种试卷真题知识归纳文案合同PPT等免费下载www.doc985.com小学、初中、高中各种试卷真题知识归纳文案合同PPT等免费下载www.doc985.comA.状态a的体积小于状态b的体积B.状态b的体积小于状态c的体积C.状态a分子的平均动能最大D.状态c分子的平均动能最小8.如图甲所示,开口向上的导热气缸静置于水平桌面,质量为m的活塞封闭一定质量气体,若在活塞上加上质量为m的砝码,稳定后气体体积减小了ΔV1,如图乙;继续在活塞上再加上质量为m的砝码,稳定后气体体积又减小了ΔV2,如图丙.不计摩擦,环境温度不变,则()A.ΔV1<ΔV2B.ΔV1=ΔV2C.ΔV1>ΔV2D.无法比较ΔV1与ΔV2大小关系9.如图所示,两端开口的均匀玻璃管竖直插入水银槽中,管中有一段水银柱h1封闭一定质量的气体,这时管下端开口处内、外水银面高度差为h2,若保持环境温度不变,当外界压强增大时,下列分析正确的是()A.h2变长B.h2变短C.h1上升D.h1下降小学、初中、高中各种试卷真题知识归纳文案合同PPT等免费下载www.doc985.com小学、初...

1、当您付费下载文档后,您只拥有了使用权限,并不意味着购买了版权,文档只能用于自身使用,不得用于其他商业用途(如 [转卖]进行直接盈利或[编辑后售卖]进行间接盈利)。
2、本站所有内容均由合作方或网友上传,本站不对文档的完整性、权威性及其观点立场正确性做任何保证或承诺!文档内容仅供研究参考,付费前请自行鉴别。
3、如文档内容存在违规,或者侵犯商业秘密、侵犯著作权等,请点击“违规举报”。

碎片内容

与本文档类似文档
高中物理 选修3   第四章 原子结构和波粒二象性  章末检测试卷(四)(word版含解析).docx
高中物理 选修3 第四章 原子结构和波粒二象性 章末检测试卷(四)(word版含解析).docx
免费
0下载
2023年高中物理新教材同步选修第三册 第2章 专题强化 理想气体的综合问题.docx
2023年高中物理新教材同步选修第三册 第2章 专题强化 理想气体的综合问题.docx
免费
22下载
高中物理选修三3.2 热力学第一定律 练习 —【新教材】人教版(2019)高中物理选择性必修三.docx
高中物理选修三3.2 热力学第一定律 练习 —【新教材】人教版(2019)高中物理选择性必修三.docx
免费
30下载
高中物理 必修第3册 新课改02 C电场及电场强度 提升版 (1).docx
高中物理 必修第3册 新课改02 C电场及电场强度 提升版 (1).docx
免费
17下载
高中物理 选修3   1.2 实验:用油膜法估测油酸分子的大小 练习—【新教材】人教版(2019)高中物理选择性必修三.docx
高中物理 选修3 1.2 实验:用油膜法估测油酸分子的大小 练习—【新教材】人教版(2019)高中物理选择性必修三.docx
免费
0下载
高中物理选修三5.3 核力与结合能  练习—【新教材】人教版(2019)高中物理选择性必修三.docx
高中物理选修三5.3 核力与结合能 练习—【新教材】人教版(2019)高中物理选择性必修三.docx
免费
8下载
高中物理必修第二册专项8 竖直面内轻杆模型的应用.docx
高中物理必修第二册专项8 竖直面内轻杆模型的应用.docx
免费
0下载
高中物理选修1高二物理上学期期末测试卷05(新教材人教版2019)(解析版).docx
高中物理选修1高二物理上学期期末测试卷05(新教材人教版2019)(解析版).docx
免费
10下载
高中物理 选修3   2.2 气体的等温变化 练习—【新教材】人教版(2019)高中物理选择性必修三.docx
高中物理 选修3 2.2 气体的等温变化 练习—【新教材】人教版(2019)高中物理选择性必修三.docx
免费
0下载
高中物理 必修第3册 新课改09 B电源、电流和电阻 中档版.docx
高中物理 必修第3册 新课改09 B电源、电流和电阻 中档版.docx
免费
16下载
第2部分-暑假预习-第02讲 磁感应强度  磁通量(学生版)-新高二暑假衔接讲义(人教版) .docx
第2部分-暑假预习-第02讲 磁感应强度 磁通量(学生版)-新高二暑假衔接讲义(人教版) .docx
免费
0下载
高中物理选修12.2  简谐运动的描述(原卷版).doc
高中物理选修12.2  简谐运动的描述(原卷版).doc
免费
14下载
高中物理 必修第3册 新课改14 C功能关系、能量守恒定律 提升版 (1).docx
高中物理 必修第3册 新课改14 C功能关系、能量守恒定律 提升版 (1).docx
免费
19下载
高中物理 必修3  第11章 电路及其应用 单元检测检测B卷(原卷版).docx
高中物理 必修3 第11章 电路及其应用 单元检测检测B卷(原卷版).docx
免费
0下载
高二物理下学期期末测试卷(人教版2019)03(考试版).doc
高二物理下学期期末测试卷(人教版2019)03(考试版).doc
免费
0下载
高中物理 必修3  高一下学期期末物理试题·(原卷版).docx
高中物理 必修3 高一下学期期末物理试题·(原卷版).docx
免费
0下载
高中物理 必修第3册 新课改12 A实验:练习使用多用电表 基础版.docx
高中物理 必修第3册 新课改12 A实验:练习使用多用电表 基础版.docx
免费
3下载
2023年高中物理新教材同步选修第三册 第4章 专题强化 光电效应方程及其应用.docx
2023年高中物理新教材同步选修第三册 第4章 专题强化 光电效应方程及其应用.docx
免费
10下载
高二物理上学期期末测试卷05(新教材人教版2019)(解析版).docx
高二物理上学期期末测试卷05(新教材人教版2019)(解析版).docx
免费
0下载
高中物理 必修第3册(同步精品讲义)11.5实验:练习使用多用电表-2021年高中物理新教材同步培优练(必修第三册)(教师版含解析).doc
高中物理 必修第3册(同步精品讲义)11.5实验:练习使用多用电表-2021年高中物理新教材同步培优练(必修第三册)(教师版含解析).doc
免费
8下载
我的小文库
实名认证
内容提供者

提供高质量免费文档试卷下载,如果满意请告诉您身边的人,如果不满意请告诉我们,您的意见对于我们很重要,是我们不断进步的动力

相关文档

阅读排行

确认删除?
回到顶部
客服号
  • 客服QQ点击这里给我发消息
QQ群
  • QQ群点击这里加入QQ群
提交所需资料详情,我们来帮找资料