2020年高考化学试卷(天津)(空白卷) (1).docx本文件免费下载 【共8页】

2020年高考化学试卷(天津)(空白卷) (1).docx
2020年高考化学试卷(天津)(空白卷) (1).docx
2020年高考化学试卷(天津)(空白卷) (1).docx
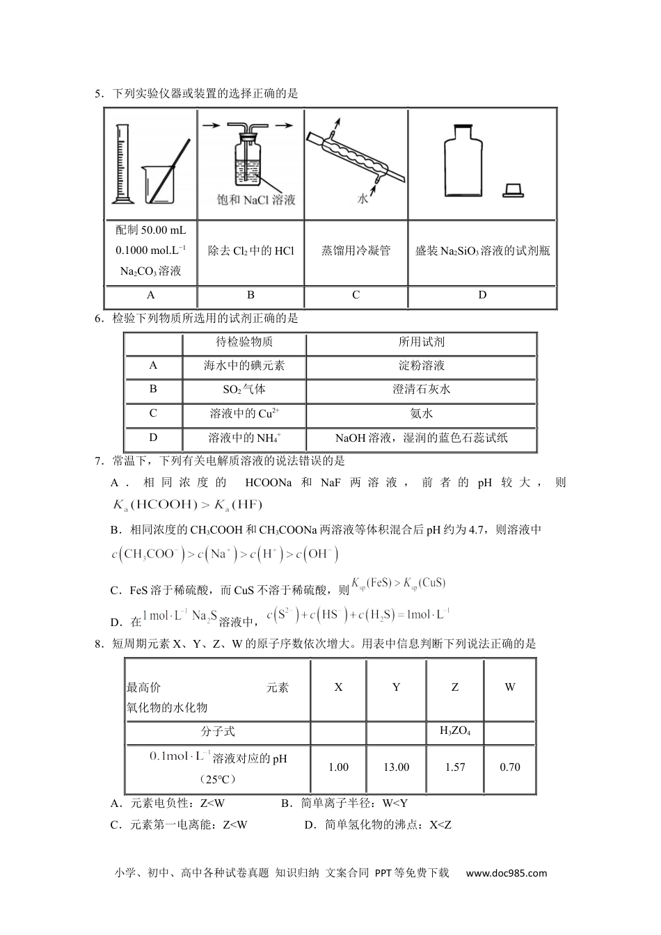
小学、初中、高中各种试卷真题知识归纳文案合同PPT等免费下载www.doc985.com2020年天津市普通高中学业水平等级性考试化学本试卷分为第Ⅰ卷(选择题)和第Ⅱ卷(非选择题)两部分,共100分,考试用时60分钟。第Ⅰ卷1至4页,第Ⅱ卷5至8页。答卷前,考生务必将自己的姓名、考生号、考场号和座位号填写在答题卡上,并在规定位置粘贴考试用条形码。答卷时,考生务必将答案涂写在答题卡上,答在试卷上的无效。考试结束后,将本试卷和答题卡一并交回。祝各位考生考试顺利!第I卷注意事项:1.每题选出答案后,用铅笔将答题卡上对应题目的答案标号涂黑。如需改动,用橡皮擦干净后,再选涂其他答案标号。2.本卷共12题,每题3分,共36分。在每题给出的四个选项中,只有一项是最符合题目要求的。以下数据可供解题时参考:相对原子质量:H1O16S32Co59Cu64Zn65Ba1371.在全国人民众志成城抗击新冠病毒期间,使用的“84消毒液”的主要有效成分是A.NaOHB.NaClC.NaClOD.Na2CO32.晋朝葛洪的《肘后备急方》中记载:“青蒿一握,以水二升渍,绞取汁,尽服之……”,受此启发为人类做出巨大贡献的科学家是A.屠呦呦B.钟南山C.侯德榜D.张青莲3.下列说法错误的是A.淀粉和纤维素均可水解产生葡萄糖B.油脂的水解反应可用于生产甘油C.氨基酸是组成蛋白质的基本结构单元D.淀粉、纤维素和油脂均是天然高分子4.下列离子方程式书写正确的是A.CaCO3与稀硝酸反应:B.FeSO4溶液与溴水反应:C.NaOH溶液与过量H2C2O4溶液反应:D.C6H5ONa溶液中通入少量CO2:小学、初中、高中各种试卷真题知识归纳文案合同PPT等免费下载www.doc985.com5.下列实验仪器或装置的选择正确的是配制50.00mL0.1000mol.L−1Na2CO3溶液除去Cl2中的HCl蒸馏用冷凝管盛装Na2SiO3溶液的试剂瓶ABCD6.检验下列物质所选用的试剂正确的是待检验物质所用试剂A海水中的碘元素淀粉溶液BSO2气体澄清石灰水C溶液中的Cu2+氨水D溶液中的NH4+NaOH溶液,湿润的蓝色石蕊试纸7.常温下,下列有关电解质溶液的说法错误的是A.相同浓度的HCOONa和NaF两溶液,前者的pH较大,则B.相同浓度的CH3COOH和CH3COONa两溶液等体积混合后pH约为4.7,则溶液中C.FeS溶于稀硫酸,而CuS不溶于稀硫酸,则D.在溶液中,8.短周期元素X、Y、Z、W的原子序数依次增大。用表中信息判断下列说法正确的是最高价元素氧化物的水化物XYZW分子式H3ZO4溶液对应的pH(25℃)1.0013.001.570.70A.元素电负性:Z<WB.简单离子半径:W<YC.元素第一电离能:Z<WD.简单氢化物的沸点:X<Z小学、初中、高中各种试卷真题知识归纳文案合同PPT等免费下载www.doc985.com9.关于的说法正确的是A.分子中有3种杂化轨道类型的碳原子B.分子中共平面的原子数目最多为14C.分子中的苯环由单双键交替组成D.与Cl2发生取代反应生成两种产物10.理论研究表明,在101kPa和298K下,异构化反应过程的能量变化如图所示。下列说法错误的是A.HCN比HNC稳定B.该异构化反应的C.正反应的活化能大于逆反应的活化能D.使用催化剂,可以改变反应的反应热11.熔融钠硫电池性能优良,是具有应用前景的储能电池。下图中的电池反应为−(x=5~3,难溶于熔融硫)。下列说法错误的是A.Na2S4的电子式为小学、初中、高中各种试卷真题知识归纳文案合同PPT等免费下载www.doc985.comB.放电时正极反应为C.Na和Na2Sx分别为电池的负极和正极D.该电池是以为隔膜的二次电池12.已知呈粉红色,呈蓝色,为无色。现将CoCl2溶于水,加入浓盐酸后,溶液由粉红色变为蓝色,存在以下平衡:用该溶液做实验,溶液的颜色变化如下:以下结论和解释正确的是A.等物质的量的和中σ键数之比为3:2B.由实验①可推知△H<0C.实验②是由于c(H2O)增大,导致平衡逆向移动D.由实验③可知配离子的稳定性:第Ⅱ卷注意事项:1.用黑色墨水的钢笔或签字笔将答案写在答题卡上。2.本卷共4题,共64分13.(15分)Fe、Co、Ni是三种重要的金属元素。回答下列问题:(1)Fe、Co、Ni在周期表中的位置为,基态Fe原子的电子排布式为。(2)CoO的面心立方晶胞如图1所示。设阿伏加德罗常数的值为NA,则CoO晶体的密度为gcm﹒−3:三种元素二价氧化物的晶胞...

1、当您付费下载文档后,您只拥有了使用权限,并不意味着购买了版权,文档只能用于自身使用,不得用于其他商业用途(如 [转卖]进行直接盈利或[编辑后售卖]进行间接盈利)。
2、本站所有内容均由合作方或网友上传,本站不对文档的完整性、权威性及其观点立场正确性做任何保证或承诺!文档内容仅供研究参考,付费前请自行鉴别。
3、如文档内容存在违规,或者侵犯商业秘密、侵犯著作权等,请点击“违规举报”。

碎片内容

与本文档类似文档
2024年高考化学一轮复习讲义(新人教版)第6章 第36练 晶胞结构分析与计算.docx
2024年高考化学一轮复习讲义(新人教版)第6章 第36练 晶胞结构分析与计算.docx
免费
13下载
2015年四川省高考化学试卷往年高考真题.doc
2015年四川省高考化学试卷往年高考真题.doc
免费
0下载
高考化学复习  专题06 化学反应与能量(讲义)(原卷版).docx
高考化学复习 专题06 化学反应与能量(讲义)(原卷版).docx
免费
0下载
2024年高考化学一轮复习讲义(新人教版)2024年高考化学一轮复习(新高考版) 第9章 第57讲 难溶电解质的沉淀溶解平衡.docx
2024年高考化学一轮复习讲义(新人教版)2024年高考化学一轮复习(新高考版) 第9章 第57讲 难溶电解质的沉淀溶解平衡.docx
免费
8下载
2024年高考化学试卷(福建)(空白卷) (2).docx
2024年高考化学试卷(福建)(空白卷) (2).docx
免费
0下载
高考化学复习  (三)关注创新材料,倡导绿色环保【淘宝店:红太阳资料库】.docx
高考化学复习 (三)关注创新材料,倡导绿色环保【淘宝店:红太阳资料库】.docx
免费
0下载
2024年高考化学一轮复习讲义(新人教版)第10章 第61讲 有机化合物的空间结构 同系物 同分异构体.docx
2024年高考化学一轮复习讲义(新人教版)第10章 第61讲 有机化合物的空间结构 同系物 同分异构体.docx
免费
26下载
高考化学复习  大单元二 第四章 第14讲 铝、镁及其化合物 (1).docx
高考化学复习 大单元二 第四章 第14讲 铝、镁及其化合物 (1).docx
免费
0下载
高考化学复习  第03讲  物质的量在化学方程式计算中的应用(练习)(解析版).docx
高考化学复习 第03讲 物质的量在化学方程式计算中的应用(练习)(解析版).docx
免费
0下载
2004年福建高考理科综合真题及答案 (1).doc
2004年福建高考理科综合真题及答案 (1).doc
免费
0下载
高中化学·必修第一册(苏教版)课时作业(word)  课时作业9.docx
高中化学·必修第一册(苏教版)课时作业(word) 课时作业9.docx
免费
6下载
高考化学复习  专题五 选择题专攻3 化学反应速率与平衡图像、图表分析【淘宝店:红太阳资料库】.docx
高考化学复习 专题五 选择题专攻3 化学反应速率与平衡图像、图表分析【淘宝店:红太阳资料库】.docx
免费
0下载
高考化学复习  2025届高三化学一轮专题复习讲义(07)-专题二第三讲 晶体结构与性质 (1).doc
高考化学复习 2025届高三化学一轮专题复习讲义(07)-专题二第三讲 晶体结构与性质 (1).doc
免费
0下载
高考化学复习  大单元二 第五章 热点强化8 富集方法的应用——海水资源提取溴、碘.docx
高考化学复习 大单元二 第五章 热点强化8 富集方法的应用——海水资源提取溴、碘.docx
免费
0下载
高中化学·必修第一册(苏教版)课时作业(word)  课时作业5.docx
高中化学·必修第一册(苏教版)课时作业(word) 课时作业5.docx
免费
2下载
高考化学复习  专题三 离子反应(含答案).docx
高考化学复习 专题三 离子反应(含答案).docx
免费
0下载
【高考化学】备战2024年易错类型07 化工流程中的常考问题(7大易错点)(原卷版).docx
【高考化学】备战2024年易错类型07 化工流程中的常考问题(7大易错点)(原卷版).docx
免费
0下载
2023《微专题·小练习》·化学·新教材·XL-6专练33 电解池原理及应用.docx
2023《微专题·小练习》·化学·新教材·XL-6专练33 电解池原理及应用.docx
免费
23下载
高考化学复习  大单元二 第五章 第17讲 氯及其重要化合物的转化关系.docx
高考化学复习 大单元二 第五章 第17讲 氯及其重要化合物的转化关系.docx
免费
0下载
1999年北京高考化学真题及答案.doc
1999年北京高考化学真题及答案.doc
免费
16下载
我的小文库
实名认证
内容提供者

提供高质量免费文档试卷下载,如果满意请告诉您身边的人,如果不满意请告诉我们,您的意见对于我们很重要,是我们不断进步的动力

确认删除?
回到顶部
客服号
  • 客服QQ点击这里给我发消息
QQ群
  • QQ群点击这里加入QQ群
提交所需资料详情,我们来帮找资料