高考化学复习 大单元四 第十章 热点强化18 离子交换膜电化学装置.docx本文件免费下载 【共4页】

高考化学复习  大单元四 第十章 热点强化18 离子交换膜电化学装置.docx
高考化学复习  大单元四 第十章 热点强化18 离子交换膜电化学装置.docx
高考化学复习  大单元四 第十章 热点强化18 离子交换膜电化学装置.docx
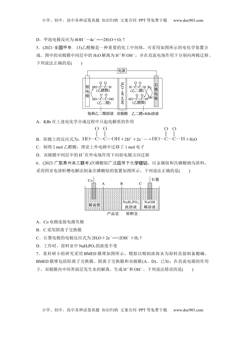
小学、初中、高中各种试卷真题知识归纳文案合同PPT等免费下载www.doc985.com小学、初中、高中各种试卷真题知识归纳文案合同PPT等免费下载www.doc985.com热点强化18离子交换膜电化学装置1.常见的离子交换膜离子交换膜是一种含离子基团的、对溶液中的离子具有选择透过功能的膜,通常由特殊高分子材料制成。离子交换膜分为:(1)阳离子交换膜,只允许阳离子通过,不允许阴离子通过。(2)阴离子交换膜,只允许阴离子通过,不允许阳离子通过。(3)质子交换膜,只允许H+通过,不允许其他阳离子或阴离子通过。(4)双极隔膜,是一种新型离子交换膜,其膜主体可分为阴离子交换层、阳离子交换层和中间界面层,水解离催化剂被夹在中间的离子交换聚合物中,水电离产物H+和OH-可在电场力的作用下快速迁移到两侧溶液中,为膜两侧的半反应提供各自理想的pH条件。2.离子交换膜的作用(1)能将两极区隔离,阻止两极区产生的物质接触,防止发生化学反应,提高产品的纯度或避免不安全因素。(2)能选择性地允许离子通过,起到平衡电荷、形成闭合回路的作用。3.分析方法(1)根据膜的性质和离子在溶液中的迁移方向,画出离子透过膜的方向;(2)寻找迁出室溶液中浓度较大的迁移离子;(3)分析离子在迁入室的浓度增大和在迁出室的浓度减小,以及带来的实质变化。一、含离子交换膜的电池1.(2020·海南,11)某燃料电池主要构成要素如图所示,下列说法正确的是()A.电池可用于乙醛的制备B.b电极为正极C.电池工作时,a电极附近pH降低D.a电极的反应式为O2+4e--4H+===2H2O小学、初中、高中各种试卷真题知识归纳文案合同PPT等免费下载www.doc985.com小学、初中、高中各种试卷真题知识归纳文案合同PPT等免费下载www.doc985.com2.(2021·河北,9)K-O2电池结构如图,a和b为两个电极,其中之一为单质钾片。关于该电池,下列说法错误的是()A.隔膜允许K+通过,不允许O2通过B.放电时,电流由b电极沿导线流向a电极;充电时,b电极为阳极C.产生1Ah电量时,生成KO2的质量与消耗O2的质量比值约为2.22D.用此电池为铅酸蓄电池充电,消耗3.9g钾时,铅酸蓄电池消耗0.9g水3.我国科学家开发出了一种Zn-NO电池系统,该电池具有同时合成氨和对外供电的功能,其工作原理如图所示,下列说法错误的是()A.电极电势:Zn/ZnO电极<MoS2电极B.Zn/ZnO电极的反应式为Zn-2e-+2OH-===ZnO+H2OC.电池工作一段时间后,正极区溶液的pH减小D.电子流向:Zn/ZnO电极→负载→MoS2电极二、含离子交换膜的电解池4.以纯碱溶液为原料,通过电解的方法可制备小苏打,原理装置图如下:上述装置工作时,下列有关说法正确的是()A.乙池电极接电源正极,气体X为H2B.Na+由乙池穿过交换膜进入甲池C.NaOH溶液Z的浓度比NaOH溶液Y的小小学、初中、高中各种试卷真题知识归纳文案合同PPT等免费下载www.doc985.com小学、初中、高中各种试卷真题知识归纳文案合同PPT等免费下载www.doc985.comD.甲池电极反应为4OH--4e-===2H2O+O2↑5.(2021·全甲卷,国13)乙醛酸是一种重要的化工中间体,可采用如图所示的电化学装置合成。图中的双极膜中间层中的H2O解离为H+和OH-,并在直流电场作用下分别向两极迁移。下列说法正确的是()A.KBr在上述电化学合成过程中只起电解质的作用B.阳极上的反应式为:+2H++2e-―→+H2OC.制得2mol乙醛酸,理论上外电路中迁移了1mol电子D.双极膜中间层中的H+在外电场作用下向铅电极方向迁移6.(2023·广惠州高三考东联)次磷酸钴广泛用于化应学镀钴,以金属钴和次磷酸钠为原料,采用四室电渗析槽电解法制备次磷酸钴的装置如图所示。下列说法正确的是()A.Co电极连接电源负极B.C采用阴离子交换膜C.石墨电极的电极反应式为2H2O+2e-===2OH-+H2↑D.工作时,原料室中NaH2PO2的浓度不变7.某科研小组研究采用BMED膜堆如图所示,模拟以精制浓海水为原料直接制备酸碱。BMED膜堆包括阳离子交换膜、阴离子交换膜和双极膜(A、D)。已知:在直流电源的作用下,双极膜内中间界面层发生水的解离,生成H+和OH-。下列说法错误的是()小学、初中、高中各种试卷真题知识归纳文案合同PPT等免费下载www.doc985.com小学、初中、高...

1、当您付费下载文档后,您只拥有了使用权限,并不意味着购买了版权,文档只能用于自身使用,不得用于其他商业用途(如 [转卖]进行直接盈利或[编辑后售卖]进行间接盈利)。
2、本站所有内容均由合作方或网友上传,本站不对文档的完整性、权威性及其观点立场正确性做任何保证或承诺!文档内容仅供研究参考,付费前请自行鉴别。
3、如文档内容存在违规,或者侵犯商业秘密、侵犯著作权等,请点击“违规举报”。

碎片内容

与本文档类似文档
上海市黄浦区2018年高三第二学期期中(二模)学科质量检测化学试题及答案(word版).doc
上海市黄浦区2018年高三第二学期期中(二模)学科质量检测化学试题及答案(word版).doc
免费
0下载
2017年高考化学真题(新课标Ⅱ)(原卷版).doc
2017年高考化学真题(新课标Ⅱ)(原卷版).doc
免费
23下载
高中2023《微专题·小练习》·化学·L-6专练31.docx
高中2023《微专题·小练习》·化学·L-6专练31.docx
免费
0下载
高考化学复习  第七章 第32练 元素周期表 元素的性质.docx
高考化学复习 第七章 第32练 元素周期表 元素的性质.docx
免费
0下载
1995年安徽高考化学真题及答案.doc
1995年安徽高考化学真题及答案.doc
免费
5下载
高考化学复习  专题六 选择题专攻3 沉淀溶解平衡、络合平衡图像的分析应用【淘宝店:红太阳资料库】 (2).docx
高考化学复习 专题六 选择题专攻3 沉淀溶解平衡、络合平衡图像的分析应用【淘宝店:红太阳资料库】 (2).docx
免费
0下载
高中2022·微专题·小练习·化学【统考版】专练54 .docx
高中2022·微专题·小练习·化学【统考版】专练54 .docx
免费
0下载
2019年高考化学试卷(新课标Ⅰ)(空白卷) (7).docx
2019年高考化学试卷(新课标Ⅰ)(空白卷) (7).docx
免费
0下载
高考化学复习  信息必刷卷03(陕西、山西、宁夏、青海专用)(原卷版).docx
高考化学复习 信息必刷卷03(陕西、山西、宁夏、青海专用)(原卷版).docx
免费
0下载
2004年广西高考理科综合真题及答案 (1).doc
2004年广西高考理科综合真题及答案 (1).doc
免费
0下载
2000年宁夏高考化学真题及答案.doc
2000年宁夏高考化学真题及答案.doc
免费
16下载
2021年湖南省普通高中学业水平选择性考试化学试题(湖南卷)(原卷版)A3.docx
2021年湖南省普通高中学业水平选择性考试化学试题(湖南卷)(原卷版)A3.docx
免费
13下载
2024年高考押题预测卷化学(山东卷02)(参考答案).docx
2024年高考押题预测卷化学(山东卷02)(参考答案).docx
免费
14下载
【免费下载】湖南2012年高考化学真题(新课标)(解析版).doc
【免费下载】湖南2012年高考化学真题(新课标)(解析版).doc
免费
0下载
高考化学复习  大单元五 第十三章 第61讲 有机化合物的空间结构 同系物 同分异构体.docx
高考化学复习 大单元五 第十三章 第61讲 有机化合物的空间结构 同系物 同分异构体.docx
免费
0下载
高考化学复习  专题06 化学反应与能量(讲义)(原卷版).docx
高考化学复习 专题06 化学反应与能量(讲义)(原卷版).docx
免费
0下载
高考化学复习  热点专项  元素“位一构一性”关系的分析(解析版).docx
高考化学复习 热点专项 元素“位一构一性”关系的分析(解析版).docx
免费
0下载
高考化学复习  大单元二 第四章 第12讲 铁及其氧化物和氢氧化物 (1).docx
高考化学复习 大单元二 第四章 第12讲 铁及其氧化物和氢氧化物 (1).docx
免费
0下载
2018年高考化学试卷(浙江)(11月)(空白卷).docx
2018年高考化学试卷(浙江)(11月)(空白卷).docx
免费
0下载
2024年高考化学一轮复习讲义(新人教版)第8章 第49练  化学反应的方向与调控.docx
2024年高考化学一轮复习讲义(新人教版)第8章 第49练 化学反应的方向与调控.docx
免费
2下载
我的小文库
实名认证
内容提供者

提供高质量免费文档试卷下载,如果满意请告诉您身边的人,如果不满意请告诉我们,您的意见对于我们很重要,是我们不断进步的动力

阅读排行

确认删除?
回到顶部
客服号
  • 客服QQ点击这里给我发消息
QQ群
  • QQ群点击这里加入QQ群
提交所需资料详情,我们来帮找资料