高考化学复习 第四章 第10练 碱金属 钠及其氧化物.docx本文件免费下载 【共4页】

高考化学复习  第四章 第10练 碱金属 钠及其氧化物.docx
高考化学复习  第四章 第10练 碱金属 钠及其氧化物.docx
高考化学复习  第四章 第10练 碱金属 钠及其氧化物.docx
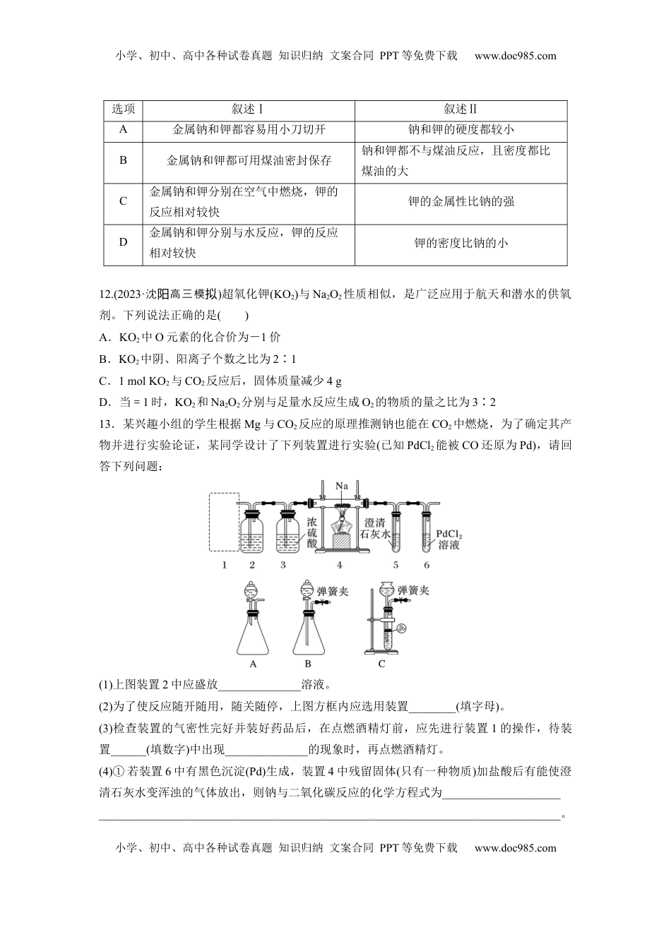
小学、初中、高中各种试卷真题知识归纳文案合同PPT等免费下载www.doc985.com小学、初中、高中各种试卷真题知识归纳文案合同PPT等免费下载www.doc985.com1.碱金属元素是周期性表现得最鲜明和最规律的元素。下列说法正确的是()A.单质都能浮在水面上,都能保存在煤油中B.单质在空气中燃烧时,都生成过氧化物C.单质都不能在自然界中稳定存在D.单质都是强还原剂,其阳离子都具有强氧化性2.(2023·江西景德镇4月模拟)黑火药是硫黄粉、硝石、木炭粉按一定比例混合而成,点燃时发生爆炸的化学方程式:2KNO3+S+3C=====K2S+N2↑+3CO2↑。古文献《本草经集注》记载了区分硝石(KNO3)和朴消(Na2SO4·10H2O)的方法:“以火烧之,紫青烟起,乃真硝石也”。下列推断正确的是()A.“紫青烟”主要是指钠元素的焰色试验B.“朴消”在灼烧时火焰没有颜色C.“硝石”在黑火药中起还原剂的作用D.“朴消”不能替代“硝石”制黑火药3.下列关于钠的说法不正确的是()A.切开金属钠,切面会逐渐变暗B.实验室的单质钠常常保存在石蜡油或煤油中C.金属钠着火时用湿抹布盖灭D.固体钠的密度比水的密度小4.等质量的两块钠,第一块在足量氧气中加热,第二块在足量氧气(常温)中充分反应,则下列说法正确的是()A.第一块钠失去电子多B.两块钠失去电子一样多C.第二块钠的反应产物质量大D.两块钠的反应产物质量一样大5.中国科学家以二氧化碳为碳源,在470℃、80MPa条件下与金属钠反应合成金刚石。下列说法不正确的是()A.金属钠在反应中作还原剂B.反应中生成的氧化产物为Na2O2C.二氧化碳转变为金刚石发生的是还原反应D.钠被氧化最终生成碳酸钠6.观察是研究物质性质的一种基本方法。某同学将一小块金属钠露置于空气中,观察到下小学、初中、高中各种试卷真题知识归纳文案合同PPT等免费下载www.doc985.com小学、初中、高中各种试卷真题知识归纳文案合同PPT等免费下载www.doc985.com列现象:银白色――→变灰暗――→变白色――→出现液滴――→白色固体,则下列说法正确的是()A.①发生氧化还原反应生成了过氧化钠B.④只发生物理变化C.③是碳酸钠吸收空气中的水蒸气形成了溶液D.②④是非氧化还原反应7.过氧化钠具有强氧化性,遇木炭、铝粉等还原性物质时可燃烧。下列有关说法不正确的是()A.Na2O2与CO2反应时,Na2O2是氧化剂,CO2是还原剂B.熔融过氧化钠时不可使用石英坩埚C.过氧化钠与木炭、铝粉反应时,过氧化钠均表现出强氧化性D.过氧化钠与二氧化硫反应时可生成硫酸钠8.某溶液含有①NO、②HCO、③SO、④CO、⑤SO五离子种阴。现向其中加入少量的Na2O2固体后,溶液中离子浓度增大的是(设溶液体积无变化)()A.①B.④C.①④⑤D.④⑤9.(2024·沙模长拟)过氧化钠与水反应后滴加酚酞,酚酞先变红后褪色。某小组欲探究其原因,进行如图所示实验。实验①取反应后的溶液加入二氧化锰,立即产生大量气体;实验②③中红色均不褪去。下列分析错误的是()A.过氧化钠与水反应产生的气体为O2B.过氧化钠与水反应需要MnO2作催化剂C.实验②③可证明使酚酞褪色的不是氢氧化钠和氧气D.过氧化钠与水反应可能生成了具有漂白性的H2O210.下列物质均为ag,将它们在氧气中完全燃烧的产物全部通入到足量的过氧化钠固体中,则过氧化钠固体增重为ag的是()①CO②H2③CH4④HCHO⑤CH3COOH⑥HCOOHA.①②⑤⑥B.②③④⑤C.①②④⑤D.①②③⑤11.下列各项中的叙述Ⅰ和叙述Ⅱ都正确,但叙述Ⅱ不能用于对叙述Ⅰ进行解释的是()小学、初中、高中各种试卷真题知识归纳文案合同PPT等免费下载www.doc985.com小学、初中、高中各种试卷真题知识归纳文案合同PPT等免费下载www.doc985.com选项叙述Ⅰ叙述ⅡA金属钠和钾都容易用小刀切开钠和钾的硬度都较小B金属钠和钾都可用煤油密封保存钠和钾都不与煤油反应,且密度都比煤油的大C金属钠和钾分别在空气中燃烧,钾的反应相对较快钾的金属性比钠的强D金属钠和钾分别与水反应,钾的反应相对较快钾的密度比钠的小12.(2023·沈高三模阳拟)超氧化钾(KO2)与Na2O2性质相似,是广泛应用于航天和潜水的供氧剂。下列说法正确的是()A.KO2中O元素的化合价为-1价B.KO2中阴、阳离子个数之...

1、当您付费下载文档后,您只拥有了使用权限,并不意味着购买了版权,文档只能用于自身使用,不得用于其他商业用途(如 [转卖]进行直接盈利或[编辑后售卖]进行间接盈利)。
2、本站所有内容均由合作方或网友上传,本站不对文档的完整性、权威性及其观点立场正确性做任何保证或承诺!文档内容仅供研究参考,付费前请自行鉴别。
3、如文档内容存在违规,或者侵犯商业秘密、侵犯著作权等,请点击“违规举报”。

碎片内容

与本文档类似文档
2019年高考化学真题(新课标Ⅱ)(解析版).docx
2019年高考化学真题(新课标Ⅱ)(解析版).docx
免费
12下载
2019年高考化学试卷(浙江)【4月】(空白卷).docx
2019年高考化学试卷(浙江)【4月】(空白卷).docx
免费
0下载
2005年湖南高考理科综合真题及答案 (1).doc
2005年湖南高考理科综合真题及答案 (1).doc
免费
0下载
2024版《大考卷》全程考评特训卷·化学【新教材】(含不定项)课练 25.docx
2024版《大考卷》全程考评特训卷·化学【新教材】(含不定项)课练 25.docx
免费
5下载
高考化学复习  模板04 化工流程题解题策略及答题规范(解析版).docx
高考化学复习 模板04 化工流程题解题策略及答题规范(解析版).docx
免费
0下载
高中2023《微专题·小练习》·化学·新教材·XL-6专练9氧化还原反应基本概念.docx
高中2023《微专题·小练习》·化学·新教材·XL-6专练9氧化还原反应基本概念.docx
免费
0下载
2025年高考化学真题(广东自主命题)(解析版).docx
2025年高考化学真题(广东自主命题)(解析版).docx
免费
0下载
高中2024版《微专题》·化学·统考版专练 5.docx
高中2024版《微专题》·化学·统考版专练 5.docx
免费
0下载
2024年高考化学一轮复习讲义(新人教版)第二讲 铁及其化合物.docx
2024年高考化学一轮复习讲义(新人教版)第二讲 铁及其化合物.docx
免费
19下载
高考化学复习  热点专项 化学反应速率和化学平衡的图像(原卷版).docx
高考化学复习 热点专项 化学反应速率和化学平衡的图像(原卷版).docx
免费
0下载
2023《微专题·小练习》·化学·L-6专练19.docx
2023《微专题·小练习》·化学·L-6专练19.docx
免费
10下载
高考化学复习  题型03 阿伏加德罗常数的相关判断-2025年高考化学二轮热点题型归纳与变式演练(新高考通用)(原卷版) .docx
高考化学复习 题型03 阿伏加德罗常数的相关判断-2025年高考化学二轮热点题型归纳与变式演练(新高考通用)(原卷版) .docx
免费
0下载
高中化学·必修第一册(苏教版)课时作业(word)  课时作业17.docx
高中化学·必修第一册(苏教版)课时作业(word) 课时作业17.docx
免费
15下载
2023《大考卷》二轮专项分层特训卷•化学【新教材】河北专版练 9.docx
2023《大考卷》二轮专项分层特训卷•化学【新教材】河北专版练 9.docx
免费
15下载
【高考化学】备战2024年易错类型05 化学计量(5大易错点)(解析版).docx
【高考化学】备战2024年易错类型05 化学计量(5大易错点)(解析版).docx
免费
0下载
高中化学·选择性必修2·RJ版课时作业(word)  课时作业15.docx
高中化学·选择性必修2·RJ版课时作业(word) 课时作业15.docx
免费
5下载
2023《微专题·小练习》·化学·新教材·XL-6专练22化学工艺流程题.docx
2023《微专题·小练习》·化学·新教材·XL-6专练22化学工艺流程题.docx
免费
23下载
2019年天津市高考化学试卷   .pdf
2019年天津市高考化学试卷 .pdf
免费
28下载
高考化学复习  信息必刷卷03(北京专用)(参考答案).docx
高考化学复习 信息必刷卷03(北京专用)(参考答案).docx
免费
0下载
高中2023《微专题·小练习》·化学·新教材·XL-6专练35化学反应速率及影响因素.docx
高中2023《微专题·小练习》·化学·新教材·XL-6专练35化学反应速率及影响因素.docx
免费
0下载
我的小文库
实名认证
内容提供者

提供高质量免费文档试卷下载,如果满意请告诉您身边的人,如果不满意请告诉我们,您的意见对于我们很重要,是我们不断进步的动力

阅读排行

确认删除?
回到顶部
客服号
  • 客服QQ点击这里给我发消息
QQ群
  • QQ群点击这里加入QQ群
提交所需资料详情,我们来帮找资料