江苏省镇江市2018年中考化学真题试题(含解析).doc本文件免费下载 【共21页】

江苏省镇江市2018年中考化学真题试题(含解析).doc
江苏省镇江市2018年中考化学真题试题(含解析).doc
江苏省镇江市2018年中考化学真题试题(含解析).doc
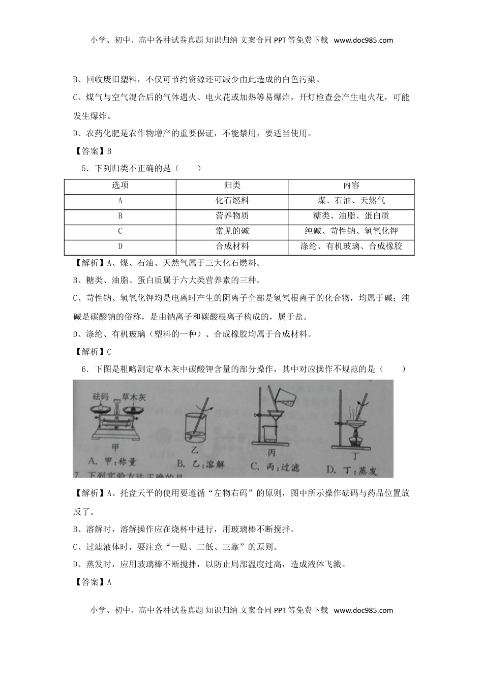
小学、初中、高中各种试卷真题知识归纳文案合同PPT等免费下载www.doc985.com江苏省镇江市2018年中考化学真题试题一、单项选择题(本题包括15小题,每小题2分,共30分.每小题只有一个选项符合题意)1.下列属于纯净物的是()A.液态氧B.矿泉水C.不锈钢D.食用醋【解析】A、液态氧是一种物质,属于纯净物,正确;B、矿泉水中矿物质、水等,属于混合物;C、不锈钢是铁的合金,合金属于混合物;D、食用醋中有醋酸、水等,属于混合物;【答案】A2.下列属于物质化学性质的是()A.导热性B.延展性C.氧化性D.挥发性【解析】A、导热性,不需要通过化学变化表现出来的性质,属于物理性质。B、延展性,不需要通过化学变化表现出来的性质,属于物理性质;C、氧化性,需要通过燃烧这种化学变化表现出来的性质,属于化学性质;D、挥发性,不需要通过化学变化表现出来的性质,属于物理性质。【答案】C3.下列化学用语正确的是()A.钙离子﹣﹣Ca+2B.氯化钾﹣﹣KClO3C.三个氢原子﹣﹣H3D.二氧化硅﹣﹣SiO2【解析】A、每个钙离子带2个单位正电荷,可以表示为Ca2+;B、氯化钾由钾元素和氯元素组成,可以表示为KCl;C、氢元素元素符号可以表示1个氢原子,3个氢原子可以表示为3H;D、二氧化硅的化学式是SiO2,可以表示二氧化硅。【答案】D4.下列做法正确的是()A.海鲜防腐,甲醛浸泡B.回收塑料,再生减污C.煤气泄漏,明火检查D.禁用农药,保护水源【解析】A、甲醛有毒,能破坏蛋白质的结构,使蛋白质变质,不能用于食品防腐。小学、初中、高中各种试卷真题知识归纳文案合同PPT等免费下载www.doc985.com小学、初中、高中各种试卷真题知识归纳文案合同PPT等免费下载www.doc985.comB、回收废旧塑料,不仅可节约资源还可减少由此造成的白色污染。C、煤气与空气混合后的气体遇火、电火花或加热等易爆炸,开灯检查会产生电火花,可能发生爆炸。D、农药化肥是农作物增产的重要保证,不能禁用,要适当使用。【答案】B5.下列归类不正确的是()选项归类内容A化石燃料煤、石油、天然气B营养物质糖类、油脂、蛋白质C常见的碱纯碱、苛性钠、氢氧化钾D合成材料涤纶、有机玻璃、合成橡胶【解析】A、煤、石油、天然气属于三大化石燃料。B、糖类、油脂、蛋白质属于六大类营养素的三种。C、苛性钠、氢氧化钾均是电离时产生的阴离子全部是氢氧根离子的化合物,均属于碱;纯碱是碳酸钠的俗称,是由钠离子和碳酸根离子构成的,属于盐。D、涤纶、有机玻璃(塑料的一种)、合成橡胶均属于合成材料。【解析】C6.下图是粗略测定草木灰中碳酸钾含量的部分操作,其中对应操作不规范的是()【解析】A、托盘天平的使用要遵循“左物右码”的原则,图中所示操作砝码与药品位置放反了。B、溶解时,溶解操作应在烧杯中进行,用玻璃棒不断搅拌。C、过滤液体时,要注意“一贴、二低、三靠”的原则。D、蒸发时,应用玻璃棒不断搅拌,以防止局部温度过高,造成液体飞溅。【答案】A小学、初中、高中各种试卷真题知识归纳文案合同PPT等免费下载www.doc985.com小学、初中、高中各种试卷真题知识归纳文案合同PPT等免费下载www.doc985.com7.下列实验方法正确的是()A.用明矾对自来水进行杀菌消毒B.用灼烧的方法区别羊毛线和棉纱线C.用点燃的方法除去CO2中的COD.用湿润的pH试纸测某溶液的pH【解析】A、用明矾在自来水净水中的作用是对杂质吸附、使杂质沉降,不能进行杀菌消毒。B、羊毛线的主要成分是蛋白质,蛋白质燃烧时能产生烧焦羽毛的气味,棉线没有,可用燃烧法区别羊毛线和棉线。C、除去二氧化碳中的一氧化碳不能够点燃,这是因为会引入新的气体杂质,且当二氧化碳(不能燃烧、不能支持燃烧)大量存在时,少量的一氧化碳是不会燃烧的。D、先将pH试纸用蒸馏水润湿,再蘸取待测液滴在pH试纸上,稀释了待测溶液,使溶液的酸碱性减弱,测定结果不准确。【答案】B8.下列排序正确的是()【解析】A、人类利用金属的先后顺序是铜、铁、铝。B、FeO、Fe2O3、FeS四种物质中,将化学式变形得2FeO、Fe2O3、2FeS,因为88×2>160>72×2,相对分子质量越大,铁元素的质量分数越小,则铁元素的质量分数由大到小排列为FeO>Fe2...

1、当您付费下载文档后,您只拥有了使用权限,并不意味着购买了版权,文档只能用于自身使用,不得用于其他商业用途(如 [转卖]进行直接盈利或[编辑后售卖]进行间接盈利)。
2、本站所有内容均由合作方或网友上传,本站不对文档的完整性、权威性及其观点立场正确性做任何保证或承诺!文档内容仅供研究参考,付费前请自行鉴别。
3、如文档内容存在违规,或者侵犯商业秘密、侵犯著作权等,请点击“违规举报”。

碎片内容

与本文档类似文档
2016年湖南省娄底市中考化学试卷(学生版)  .doc
2016年湖南省娄底市中考化学试卷(学生版) .doc
免费
0下载
中考化学2019年湖南省怀化市中考化学试题(word版,含解析).doc
中考化学2019年湖南省怀化市中考化学试题(word版,含解析).doc
免费
25下载
历年化学中考试卷真题2018湖南长沙化学试卷+答案+解析(word整理版).docx
历年化学中考试卷真题2018湖南长沙化学试卷+答案+解析(word整理版).docx
免费
5下载
【初中历年中考真题】2017浙江义乌化学试卷+答案(word整理版).doc
【初中历年中考真题】2017浙江义乌化学试卷+答案(word整理版).doc
免费
7下载
九年级化学下册第6讲 常见的酸 (解析版).docx
九年级化学下册第6讲 常见的酸 (解析版).docx
免费
0下载
【初中九年级化学】2019年潍坊市中考化学试卷及答案.docx
【初中九年级化学】2019年潍坊市中考化学试卷及答案.docx
免费
24下载
【初中历年中考真题】2019年江苏宿迁化学试卷+答案(word整理版).doc
【初中历年中考真题】2019年江苏宿迁化学试卷+答案(word整理版).doc
免费
11下载
【初中九年级化学】2013年河南省中考化学试卷及答案.doc
【初中九年级化学】2013年河南省中考化学试卷及答案.doc
免费
27下载
【初中九年级化学】江苏省宿迁市2021年中考化学试题(解析版).doc
【初中九年级化学】江苏省宿迁市2021年中考化学试题(解析版).doc
免费
25下载
湖北省黄冈市2018年中考化学真题试题(含解析).doc
湖北省黄冈市2018年中考化学真题试题(含解析).doc
免费
0下载
【初中九年级化学】2019年山东省聊城市中考化学试题(word版,含解析).doc
【初中九年级化学】2019年山东省聊城市中考化学试题(word版,含解析).doc
免费
10下载
【初中九年级化学】精品解析:四川省乐山市2021年中考化学试题(解析版).doc
【初中九年级化学】精品解析:四川省乐山市2021年中考化学试题(解析版).doc
免费
6下载
【初中九年级化学】江苏省无锡市2016年中考化学真题试题(含解析).DOC
【初中九年级化学】江苏省无锡市2016年中考化学真题试题(含解析).DOC
免费
20下载
历年化学中考试卷真题2022江西化学试卷+答案+解析(word整理版).docx
历年化学中考试卷真题2022江西化学试卷+答案+解析(word整理版).docx
免费
18下载
化学中考真题卷精品解析:河南省2020年中考化学试题(解析版).doc
化学中考真题卷精品解析:河南省2020年中考化学试题(解析版).doc
免费
5下载
【初中九年级化学】2011年菏泽市中考化学试题及答案.doc
【初中九年级化学】2011年菏泽市中考化学试题及答案.doc
免费
3下载
第十单元 酸和碱单元测试卷(A卷基础篇)(解析版).doc
第十单元 酸和碱单元测试卷(A卷基础篇)(解析版).doc
免费
12下载
中考化学2016河南化学试卷+答案+解析(word整理版).docx
中考化学2016河南化学试卷+答案+解析(word整理版).docx
免费
29下载
2022年湖南省张家界市中考化学真题及答案.docx
2022年湖南省张家界市中考化学真题及答案.docx
免费
0下载
云南省2019年中考化学真题试题.doc
云南省2019年中考化学真题试题.doc
免费
0下载
我的小文库
实名认证
内容提供者

提供高质量免费文档试卷下载,如果满意请告诉您身边的人,如果不满意请告诉我们,您的意见对于我们很重要,是我们不断进步的动力

相关文档

阅读排行

确认删除?
回到顶部
客服号
  • 客服QQ点击这里给我发消息
QQ群
  • QQ群点击这里加入QQ群
提交所需资料详情,我们来帮找资料