江苏省连云港市2017年中考物理真题试题(含解析).DOC本文件免费下载 【共28页】

江苏省连云港市2017年中考物理真题试题(含解析).DOC
江苏省连云港市2017年中考物理真题试题(含解析).DOC
江苏省连云港市2017年中考物理真题试题(含解析).DOC
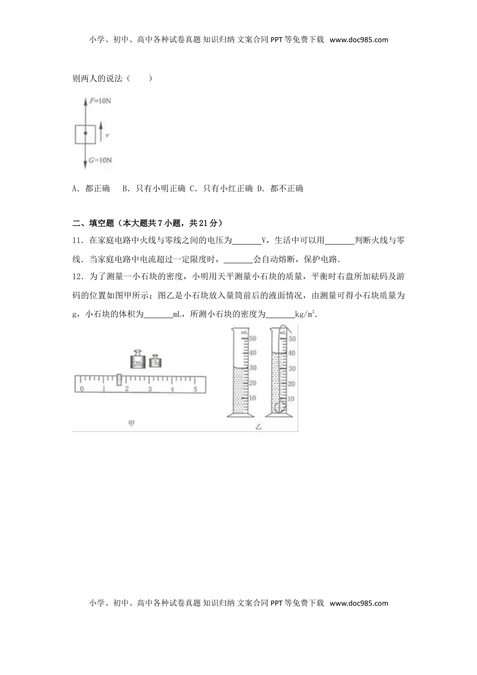
小学、初中、高中各种试卷真题知识归纳文案合同PPT等免费下载www.doc985.com2017年江苏省连云港市中考物理试卷一、选择题(本大题共10小题,每小题2分,共20分)1.下列关于光现象的说法正确的是()A.光是一种电磁波,光能在真空中传播B.虚像既能呈现在光屏上也能被人眼观察到C.物体远离平面镜时,它在镜中的像将变小D.在岸边看水的深度比实际深度浅,是由光的反射引起的2.如图所示,在均匀杠杆的A处挂3个钩码,B处挂2个钩码,杠杆恰好在水平位置平衡,已知每个钩码的质量均为50g,若在A,B两处各加1个钩码,那么杠杆()A.右边向下倾斜B.左边向下倾斜C.仍保持水平位置平衡D.无法确定杠杆是否平衡3.有四个容量均为200ml的瓶子,分别装满酱油、纯水、植物油和酒精,那么装的质量最多的是(ρ酱油>ρ纯水>ρ植物油>ρ酒精)()A.纯水B.酱油C.酒精D.植物油4.智能手机在现代生活中的作用越来越重要,频繁的使用会导致它的电能消耗很快,当手机“电量”所剩无几时,通常可以将其设置成“省电模式”来延长使用时间,这是通过以下哪种方式实现的()A.增大电池电压B.增加总功率C.减小总功率D.降低散热能力5.下列说法正确的是()A.灯泡里的灯丝用钨制成是因为钨的沸点高B.水在凝固过程中不断放出热量,温度保持不变C.盛夏,剥开包装纸后冰棒会冒“白气”是汽化现象D.深秋的早晨,地面上经常会出现白色的霜,这是液化现象6.下列关于温度、内能和热量的说法,正确的是()A.0℃的冰没有内能B.冬天搓手取暖是利用做功来改变内能小学、初中、高中各种试卷真题知识归纳文案合同PPT等免费下载www.doc985.com小学、初中、高中各种试卷真题知识归纳文案合同PPT等免费下载www.doc985.comC.物体温度越高,所含热量越多D.物体的机械能越多,其内能就越多7.一通电螺线管中的电流方向和其周围磁感线的分布如图所示,其中正确的是()A.B.C.D.8.在“探究凸透镜成像规律”的实验中,小明将烛焰放在凸透镜前某一位置时,恰好在凸透镜后20cm处的光屏上出现一个与该烛焰等大的像,下列说法正确的是()A.该凸透镜的焦距是20cmB.此时的物距大于20cmC.当物距是30cm时,光屏上呈现倒立缩小的像D.当凸透镜的一部分被遮住时,光屏上不能呈现完整的像9.在如图所示的电路中,电源电压保持不变,闭合开关S,电路正常工作,一段时间后,发现两个电表的示数都变大,则出现这种故障的可能原因是()A.R1短路B.R1断路C.R2短路D.R2断路10.如图所示,一个重10N的物体在10N竖直向上的拉力作用下做匀速直线运动.小红说:因为物体做匀速直线运动,且物体仅受重力和拉力的作用,所以重力和拉力是一对平衡力.小明说:因为同一物体受到的重力和拉力大小相等、方向相反、并且作用在同一条直线上所以重力和拉力是一对平衡力.小学、初中、高中各种试卷真题知识归纳文案合同PPT等免费下载www.doc985.com小学、初中、高中各种试卷真题知识归纳文案合同PPT等免费下载www.doc985.com则两人的说法()A.都正确B.只有小明正确C.只有小红正确D.都不正确二、填空题(本大题共7小题,共21分)11.在家庭电路中火线与零线之间的电压为V,生活中可以用判断火线与零线.当家庭电路中电流超过一定限度时,会自动熔断,保护电路.12.为了测量一小石块的密度,小明用天平测量小石块的质量,平衡时右盘所加砝码及游码的位置如图甲所示;图乙是小石块放入量筒前后的液面情况,由测量可得小石块质量为g,小石块的体积为mL,所测小石块的密度为kg/m3.小学、初中、高中各种试卷真题知识归纳文案合同PPT等免费下载www.doc985.com小学、初中、高中各种试卷真题知识归纳文案合同PPT等免费下载www.doc985.com13.近视眼看不清远处的物体,是因为物体的像落在视网膜的方(选项“前”或“后”),需要佩戴加以矫正(选填“凸透镜”或“凹透镜”).14.发电机的工作原理是,它能将能转化为能,田湾核电站是利用核产生的能量发电的(选填“裂变”或“聚变”).15.物体不能无限地被压缩说明分子间存在着相互作用的;从枪口射出的子弹仍能在空中继续飞行是由于子弹具有;导线选用铜做材料是因为铜具...

1、当您付费下载文档后,您只拥有了使用权限,并不意味着购买了版权,文档只能用于自身使用,不得用于其他商业用途(如 [转卖]进行直接盈利或[编辑后售卖]进行间接盈利)。
2、本站所有内容均由合作方或网友上传,本站不对文档的完整性、权威性及其观点立场正确性做任何保证或承诺!文档内容仅供研究参考,付费前请自行鉴别。
3、如文档内容存在违规,或者侵犯商业秘密、侵犯著作权等,请点击“违规举报”。

碎片内容

与本文档类似文档
2019-2020学年九年级(上)湖北省襄阳阳光学校期中考试物理试题 (1).docx
2019-2020学年九年级(上)湖北省襄阳阳光学校期中考试物理试题 (1).docx
免费
0下载
历年物理中考真题2015陕西物理试卷+答案+解析(word整理版).docx
历年物理中考真题2015陕西物理试卷+答案+解析(word整理版).docx
免费
22下载
内蒙古呼和浩特市农大附中2020-2021学年九年级(上)警钟考物理试题.docx
内蒙古呼和浩特市农大附中2020-2021学年九年级(上)警钟考物理试题.docx
免费
0下载
【初中历年中考真题】2022枣庄物理试卷+答案+解析(word整理版).docx
【初中历年中考真题】2022枣庄物理试卷+答案+解析(word整理版).docx
免费
21下载
2019云南省物理试卷+答案+解析(word整理版)历年中考真题 电子版免费下载.docx
2019云南省物理试卷+答案+解析(word整理版)历年中考真题 电子版免费下载.docx
免费
8下载
四川省攀枝花市2019年中考物理真题试题(含解析).doc
四川省攀枝花市2019年中考物理真题试题(含解析).doc
免费
0下载
2018-2019学年吉林省长春四十八中九年级(上)第三次月考物理试卷(12月份)(解析版).doc
2018-2019学年吉林省长春四十八中九年级(上)第三次月考物理试卷(12月份)(解析版).doc
免费
0下载
初中九年级物理2015年山东省威海市中考物理试卷解析.doc
初中九年级物理2015年山东省威海市中考物理试卷解析.doc
免费
30下载
江苏省苏州市2015年中考物理真题试题(含解析).doc
江苏省苏州市2015年中考物理真题试题(含解析).doc
免费
0下载
中考物理试题分类汇编考点23:焦耳定律及其应用.docx
中考物理试题分类汇编考点23:焦耳定律及其应用.docx
免费
14下载
初中九年级物理2008年黑龙江省哈尔滨市中考物理及答案.doc
初中九年级物理2008年黑龙江省哈尔滨市中考物理及答案.doc
免费
19下载
初中九年级物理精品解析:2020年四川省泸州市中考物理试题(解析版).doc
初中九年级物理精品解析:2020年四川省泸州市中考物理试题(解析版).doc
免费
5下载
九年级(上)期中考试物理试题(解析版) (4).docx
九年级(上)期中考试物理试题(解析版) (4).docx
免费
0下载
初中九年级物理广西南宁市2015年中考物理真题试题(扫描版,含解析).doc
初中九年级物理广西南宁市2015年中考物理真题试题(扫描版,含解析).doc
免费
7下载
2019年河南省中考物理真题(解析卷).docx
2019年河南省中考物理真题(解析卷).docx
免费
0下载
初中九年级物理精品解析:2022年湖北省随州市中考物理试题(解析版).docx
初中九年级物理精品解析:2022年湖北省随州市中考物理试题(解析版).docx
免费
5下载
2016上海物理试卷+答案(word整理版)历年中考真题 电子版免费下载.docx
2016上海物理试卷+答案(word整理版)历年中考真题 电子版免费下载.docx
免费
24下载
初中九年级物理内蒙古巴彦淖尔市2019年中考物理真题试题(扫描版).docx
初中九年级物理内蒙古巴彦淖尔市2019年中考物理真题试题(扫描版).docx
免费
23下载
【初中历年中考真题】2013山西物理试卷+答案+解析(word整理版).docx
【初中历年中考真题】2013山西物理试卷+答案+解析(word整理版).docx
免费
7下载
精品解析:2022年广西贺州市中考物理试题(原卷版).docx
精品解析:2022年广西贺州市中考物理试题(原卷版).docx
免费
0下载
我的小文库
实名认证
内容提供者

提供高质量免费文档试卷下载,如果满意请告诉您身边的人,如果不满意请告诉我们,您的意见对于我们很重要,是我们不断进步的动力

相关文档

阅读排行

确认删除?
回到顶部
客服号
  • 客服QQ点击这里给我发消息
QQ群
  • QQ群点击这里加入QQ群
提交所需资料详情,我们来帮找资料