黑龙江省大庆市2015年中考物理真题试题(含答案).doc本文件免费下载 【共9页】

黑龙江省大庆市2015年中考物理真题试题(含答案).doc
黑龙江省大庆市2015年中考物理真题试题(含答案).doc
黑龙江省大庆市2015年中考物理真题试题(含答案).doc
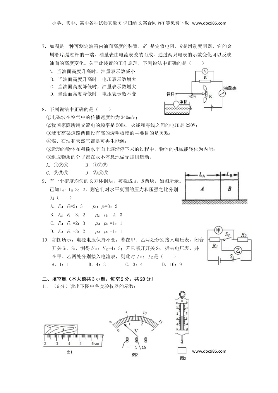
小学、初中、高中各种试卷真题知识归纳文案合同PPT等免费下载www.doc985.com黑龙江省大庆市2015年中考物理真题试题一、选择题(本大题共10小题,每小题4分,满分40分。在每小题所给出的四个选项中,只有一项是符合题目要求的,请将正确选项的序号填涂在答题卡上)1.下列选项中,有关物理学家和他的主要贡献,正确的是()A.首先发现电流的磁效应的科学家是法拉第B.首先发现电磁感应现象的科学家是奥斯特C.首先提出“物体的运动并不需要力来维持”的科学家是牛顿D.首先测定了热和机械功之间当量关系的科学家是焦耳2.在研究水滴下落规律的实验中,打开水龙头让水一滴一滴下落,并用频闪照相机每隔0.1s拍摄了同一水滴下落时的不同位置,如图所示,由图可知,水滴下落0.3s内的平均速度是()A.150m/sB.15m/sC.1.5m/sD.0.15m/s3.下列数据中与实际情况不相符的是()A.正常情况下,人的体温约为35℃B.成年人的步长大约为50cmC.功率为100W白炽灯正常工作1小时大约消耗0.1度电D.一个鸡蛋的质量大约为50g4.根据欧姆定律,下列说法中正确的是()A.通过导体的电流越大,这段导体的电阻就越小B.导体两端的电压越大,这段导体的电阻就越大C.通过导体的电流跟这段导体两端的电压成正比,跟这段导体的电阻成反比D.导体两端的电压为零时,电阻值也为零5.通过对《多彩的光》的学习,以下物理现象中符合客观事实的是()A.当物体位于凸透镜2倍焦距之外时,成缩小倒立的虚像B.雨后彩虹的形成原理是光的色散C.物体通过平面镜可以成正立等大的实像D.矫正近视眼需要佩戴凸透镜6.人们利用干冰进行人工降雨,干冰被“喷”入冷空气层,升华吸收大量热量,冷空气层中的水蒸气便会变成小冰晶,小冰晶逐渐变大后下落,在下落中遇到暖气流就会熔化形成雨。水蒸气变成小冰晶的过程中发生的物态变化是()A.升华B.凝华C.液化D.凝固小学、初中、高中各种试卷真题知识归纳文案合同PPT等免费下载www.doc985.com小学、初中、高中各种试卷真题知识归纳文案合同PPT等免费下载www.doc985.com7.如图是一种可测定油箱内油面高度的装置,R′是定值电阻,R是滑动变阻器,它的金属滑片是杠杆的一端,油量表由电流表改装而成,通过两只电表的示数变化可以反映油面的高度变化。关于此装置的工作原理,下列说法中正确的是()A.当油面高度升高时,油量表示数减小B.当油面高度升高时,电压表示数增大C.当油面高度降低时,油量表示数增大D.当油面高度降低时,电压表示数不变8.下列说法中正确的是()①电磁波在空气中的传播速度约为340m/s;②我国家庭所用交流电的频率是50Hz,火线和零线之间的电压是220V;③城市高架道路两侧设有高的透明板墙的主要目的是美观;④煤、石油和天然气都是可再生能源;⑤运动的物体在粗糙水平面上逐渐停下来的过程中,物体的机械能转化为内能;⑥组成物质的分子都在永不停息地做无规则运动。A.①②④B.①③⑤C.②⑤⑥D.③④⑥9.有一个密度均匀的长方体铜块,被截成A、B两块,如图所示。已知LA:LB=3:2,则它们对水平桌面的压力和压强之比分别为()A.FA:FB=2:3pA:pB=3:2B.FA:FB=3:2pA:pB=2:3C.FA:FB=2:3pA:pB=1:1D.FA:FB=3:2pA:pB=1:110.如图所示,电源电压保持不变,若在甲、乙两处分别接入电压表,闭合开关S1、S2,测得U甲:U乙=4:3;若只断开开关S2,拆去电压表,并在甲、乙两处分别接入电流表,则此时I甲:I乙是()A.1:1B.4:3C.3:4D.16:9二、填空题(本大题共3小题,每空2分,共20分)11.(6分)读出下图中各实验仪器的示数:小学、初中、高中各种试卷真题知识归纳文案合同PPT等免费下载www.doc985.com小学、初中、高中各种试卷真题知识归纳文案合同PPT等免费下载www.doc985.com(1)金属条的长度cm;(2)电压表示数V;(3)弹簧测力计示数N。12.(8分)重0.06N的羽毛球竖直上升,则羽毛球相对地面是(选填“静止”或“运动”)的,羽毛球运动越来越慢,这说明力能改变物体的,此过程中羽毛球的重力势能将(选填“变大”、“变小”或“不变”)。若羽毛球上升时受到的空气阻力为0.15N,则羽毛球所受合力的大小为N。...

1、当您付费下载文档后,您只拥有了使用权限,并不意味着购买了版权,文档只能用于自身使用,不得用于其他商业用途(如 [转卖]进行直接盈利或[编辑后售卖]进行间接盈利)。
2、本站所有内容均由合作方或网友上传,本站不对文档的完整性、权威性及其观点立场正确性做任何保证或承诺!文档内容仅供研究参考,付费前请自行鉴别。
3、如文档内容存在违规,或者侵犯商业秘密、侵犯著作权等,请点击“违规举报”。

碎片内容

与本文档类似文档
初中九年级物理精品解析:2019年四川省宜宾市中考物理试题(解析版).doc
初中九年级物理精品解析:2019年四川省宜宾市中考物理试题(解析版).doc
免费
27下载
初中九年级物理2009年黑龙江省哈尔滨市中考物理及答案.doc
初中九年级物理2009年黑龙江省哈尔滨市中考物理及答案.doc
免费
27下载
福建省2018年中考物理真题试题(A卷,含解析).doc
福建省2018年中考物理真题试题(A卷,含解析).doc
免费
0下载
初中九年级物理2012年湖南省中考物理试题及答案.doc
初中九年级物理2012年湖南省中考物理试题及答案.doc
免费
29下载
初中九年级物理山东省济宁市2015年中考物理真题试题(含解析).doc
初中九年级物理山东省济宁市2015年中考物理真题试题(含解析).doc
免费
23下载
初中九年级物理湖南省长沙市2012年中考物理试题及答案.doc
初中九年级物理湖南省长沙市2012年中考物理试题及答案.doc
免费
22下载
九年级物理 同步测试题  【解析版】沪科版(九年级全一册)作业(18)15.4电阻的串联和并联(含解析).doc
九年级物理 同步测试题 【解析版】沪科版(九年级全一册)作业(18)15.4电阻的串联和并联(含解析).doc
免费
11下载
初中九年级物理2022年辽宁省沈阳市中考物理试题(原卷版).docx
初中九年级物理2022年辽宁省沈阳市中考物理试题(原卷版).docx
免费
29下载
九年级物理全一册同步练习21.3 广播、电视和移动通信(教师版)-九年级物理全册同步精品讲义(人教版).docx
九年级物理全一册同步练习21.3 广播、电视和移动通信(教师版)-九年级物理全册同步精品讲义(人教版).docx
免费
20下载
历年物理中考真题2013年浙江杭州物理试卷+答案(word整理版).doc
历年物理中考真题2013年浙江杭州物理试卷+答案(word整理版).doc
免费
8下载
初中九年级物理2012年广西桂林市中考物理试卷(教师版).doc
初中九年级物理2012年广西桂林市中考物理试卷(教师版).doc
免费
23下载
初中九年级物理第十三章  内能—(人教版)(解析版).docx
初中九年级物理第十三章 内能—(人教版)(解析版).docx
免费
0下载
初中九年级物理2020年甘肃省武威、白银、定西、平凉、张掖、酒泉中考物理试题(解析版).doc
初中九年级物理2020年甘肃省武威、白银、定西、平凉、张掖、酒泉中考物理试题(解析版).doc
免费
8下载
初中九年级物理精品解析:2022年云南省中考物理真题(解析版).docx
初中九年级物理精品解析:2022年云南省中考物理真题(解析版).docx
免费
20下载
中学教材全解九年级物理(下册-人教版)第十八章+电功率+检测题(含答案).doc
中学教材全解九年级物理(下册-人教版)第十八章+电功率+检测题(含答案).doc
免费
0下载
初中九年级物理2020年贵州省遵义市桐梓县初中毕业生毕业认定考试物理试题(解析版).doc
初中九年级物理2020年贵州省遵义市桐梓县初中毕业生毕业认定考试物理试题(解析版).doc
免费
0下载
第14章 内能的利用(B卷·能力提升)(原卷版)- 2022-2023学年九年级物理全一册名校单元双测AB卷(人教版).docx
第14章 内能的利用(B卷·能力提升)(原卷版)- 2022-2023学年九年级物理全一册名校单元双测AB卷(人教版).docx
免费
0下载
初中九年级物理初三物理上册复习题(四).doc
初中九年级物理初三物理上册复习题(四).doc
免费
0下载
广东省2017年中考物理真题试题(含解析).DOC
广东省2017年中考物理真题试题(含解析).DOC
免费
0下载
初中九年级物理贵州省安顺市2017年中考理综(物理部分)真题试题(含解析).DOC
初中九年级物理贵州省安顺市2017年中考理综(物理部分)真题试题(含解析).DOC
免费
10下载
我的小文库
实名认证
内容提供者

提供高质量免费文档试卷下载,如果满意请告诉您身边的人,如果不满意请告诉我们,您的意见对于我们很重要,是我们不断进步的动力

相关文档

阅读排行

确认删除?
回到顶部
客服号
  • 客服QQ点击这里给我发消息
QQ群
  • QQ群点击这里加入QQ群
提交所需资料详情,我们来帮找资料