江苏省连云港市2018年中考物理真题试题(含扫描答案).doc本文件免费下载 【共10页】

江苏省连云港市2018年中考物理真题试题(含扫描答案).doc
江苏省连云港市2018年中考物理真题试题(含扫描答案).doc
江苏省连云港市2018年中考物理真题试题(含扫描答案).doc
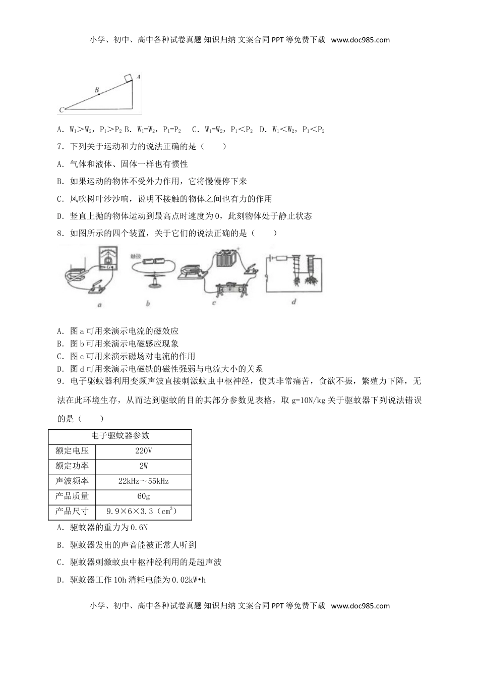
小学、初中、高中各种试卷真题知识归纳文案合同PPT等免费下载www.doc985.com江苏省连云港市2018年中考物理真题试题一、选择题(本大题共10小题,每小题2分,共20分每小题给出的四个选项中只有一个符合题意)1.下列关于声音的说法正确的是()A.乐音都是乐器发出的B.声音的响度越大,音调就越高C.声音是由于物体振动产生的D.响度是由声源振动频率决定的2.下列与物态变化有关的说法正确的是()A.蒸发在任何温度下都能发生B.水凝固时放出热量,温度降低C.霜是空气中的水蒸气凝固形成的D.烧开水时冒出的“白气”是水汽化形成的3.如图所示,O为杠杆的支点,杠杆右端挂有重为G的物体,杠杆在力F1的作用下在水平位置平衡。如果用力F2代替力F1使杠杆仍在水平位置保持平衡,下列关系中正确的是()A.F1<F2B.F1>F2C.F2<GD.F1=G4.清华大学的研究人员发明一种新型陶瓷,既可以像海绵一样变形,也能像陶瓷一样隔热、绝缘,同时具有超轻、高韧性等特点这种材料适合用来制造下列哪种物品()A.自行车的车架B.新型消防服C.输电导线D.便携式水果刀5.关于温度、内能和热量,下列说法正确的是()A.温度相同的物体内能一定相等B.物体的温度越高,所含的热量越多C.汽油机做功冲程燃气的内能增加D.温度相同的物体接触时不发生热传递6.如图所示,一物块从光滑斜面上A点由静止滑下,B为斜面AC的中点,设物块在AB段重力做功为W1,重力的功率为P1;在BC段重力做功为W2,重力的功率为P2,则下列关系正确的是()小学、初中、高中各种试卷真题知识归纳文案合同PPT等免费下载www.doc985.com小学、初中、高中各种试卷真题知识归纳文案合同PPT等免费下载www.doc985.comA.W1>W2,P1>P2B.W1=W2,P1=P2C.W1=W2,P1<P2D.W1<W2,P1<P27.下列关于运动和力的说法正确的是()A.气体和液体、固体一样也有惯性B.如果运动的物体不受外力作用,它将慢慢停下来C.风吹树叶沙沙响,说明不接触的物体之间也有力的作用D.竖直上抛的物体运动到最高点时速度为0,此刻物体处于静止状态8.如图所示的四个装置,关于它们的说法正确的是()A.图a可用来演示电流的磁效应B.图b可用来演示电磁感应现象C.图c可用来演示磁场对电流的作用D.图d可用来演示电磁铁的磁性强弱与电流大小的关系9.电子驱蚊器利用变频声波直接刺激蚊虫中枢神经,使其非常痛苦,食欲不振,繁殖力下降,无法在此环境生存,从而达到驱蚊的目的其部分参数见表格,取g=10N/kg关于驱蚊器下列说法错误的是()电子驱蚊器参数额定电压220V额定功率2W声波频率22kHz~55kHz产品质量60g产品尺寸9.9×6×3.3(cm3)A.驱蚊器的重力为0.6NB.驱蚊器发出的声音能被正常人听到C.驱蚊器刺激蚊虫中枢神经利用的是超声波D.驱蚊器工作10h消耗电能为0.02kW•h小学、初中、高中各种试卷真题知识归纳文案合同PPT等免费下载www.doc985.com小学、初中、高中各种试卷真题知识归纳文案合同PPT等免费下载www.doc985.com10.如图所示,电源电压恒为15V,定值电阻R的阻值为20Ω,闭合开关后,使变阻器的阻值减小5Ω,电流表示数变化了0.1A,则下列说法正确的是()A.电流表示数减小了0.1AB.电压表示数减小了0.5VC.定值电阻的电功率增大了0.2WD.电路总功率增大了1.5W二、填空题(本题共7小題,第11-16题每空1分,第17题每空2分,共21分)11.将小磁针放在磁场中,小磁针静止时极所指的方向规定为该点的磁场方向;磁场越强的地方,磁感线分布越。12.打开收音机,将调谐旋钮调到没有电台的位置并将音量放大;取一节旧的干电池和一根导线,靠近收音机,将导线的一端与电池的一极相连,再用导线的另一端与电池的另一极时断时续地接触你会从收音机里听到“咔嚓”声,此实验可以证明的存在;将两个表面光滑的铅块相互挤压,它们会粘在一起,说明分子间存在。13.大量实验表明,物体相互摩擦所带的电荷只有种,同种电荷相互。14.(3分)如图是上海“明珠线”某轻轨车站的设计方案图,与站台连接的轨道有一定坡度从节能的角度分析,这样的设计可以让列车无动力滑行进站时将能转化为能储存起来,此过程中机械能总量。15.(3分)天然气热水器将40kg...

1、当您付费下载文档后,您只拥有了使用权限,并不意味着购买了版权,文档只能用于自身使用,不得用于其他商业用途(如 [转卖]进行直接盈利或[编辑后售卖]进行间接盈利)。
2、本站所有内容均由合作方或网友上传,本站不对文档的完整性、权威性及其观点立场正确性做任何保证或承诺!文档内容仅供研究参考,付费前请自行鉴别。
3、如文档内容存在违规,或者侵犯商业秘密、侵犯著作权等,请点击“违规举报”。

碎片内容

与本文档类似文档
初中九年级物理精品解析:2019年四川省宜宾市中考物理试题(解析版).doc
初中九年级物理精品解析:2019年四川省宜宾市中考物理试题(解析版).doc
免费
27下载
初中九年级物理2009年黑龙江省哈尔滨市中考物理及答案.doc
初中九年级物理2009年黑龙江省哈尔滨市中考物理及答案.doc
免费
27下载
福建省2018年中考物理真题试题(A卷,含解析).doc
福建省2018年中考物理真题试题(A卷,含解析).doc
免费
0下载
初中九年级物理2012年湖南省中考物理试题及答案.doc
初中九年级物理2012年湖南省中考物理试题及答案.doc
免费
29下载
初中九年级物理山东省济宁市2015年中考物理真题试题(含解析).doc
初中九年级物理山东省济宁市2015年中考物理真题试题(含解析).doc
免费
23下载
初中九年级物理湖南省长沙市2012年中考物理试题及答案.doc
初中九年级物理湖南省长沙市2012年中考物理试题及答案.doc
免费
22下载
九年级物理 同步测试题  【解析版】沪科版(九年级全一册)作业(18)15.4电阻的串联和并联(含解析).doc
九年级物理 同步测试题 【解析版】沪科版(九年级全一册)作业(18)15.4电阻的串联和并联(含解析).doc
免费
11下载
初中九年级物理2022年辽宁省沈阳市中考物理试题(原卷版).docx
初中九年级物理2022年辽宁省沈阳市中考物理试题(原卷版).docx
免费
29下载
九年级物理全一册同步练习21.3 广播、电视和移动通信(教师版)-九年级物理全册同步精品讲义(人教版).docx
九年级物理全一册同步练习21.3 广播、电视和移动通信(教师版)-九年级物理全册同步精品讲义(人教版).docx
免费
20下载
历年物理中考真题2013年浙江杭州物理试卷+答案(word整理版).doc
历年物理中考真题2013年浙江杭州物理试卷+答案(word整理版).doc
免费
8下载
初中九年级物理2012年广西桂林市中考物理试卷(教师版).doc
初中九年级物理2012年广西桂林市中考物理试卷(教师版).doc
免费
23下载
初中九年级物理第十三章  内能—(人教版)(解析版).docx
初中九年级物理第十三章 内能—(人教版)(解析版).docx
免费
0下载
初中九年级物理2020年甘肃省武威、白银、定西、平凉、张掖、酒泉中考物理试题(解析版).doc
初中九年级物理2020年甘肃省武威、白银、定西、平凉、张掖、酒泉中考物理试题(解析版).doc
免费
8下载
初中九年级物理精品解析:2022年云南省中考物理真题(解析版).docx
初中九年级物理精品解析:2022年云南省中考物理真题(解析版).docx
免费
20下载
中学教材全解九年级物理(下册-人教版)第十八章+电功率+检测题(含答案).doc
中学教材全解九年级物理(下册-人教版)第十八章+电功率+检测题(含答案).doc
免费
0下载
初中九年级物理2020年贵州省遵义市桐梓县初中毕业生毕业认定考试物理试题(解析版).doc
初中九年级物理2020年贵州省遵义市桐梓县初中毕业生毕业认定考试物理试题(解析版).doc
免费
0下载
第14章 内能的利用(B卷·能力提升)(原卷版)- 2022-2023学年九年级物理全一册名校单元双测AB卷(人教版).docx
第14章 内能的利用(B卷·能力提升)(原卷版)- 2022-2023学年九年级物理全一册名校单元双测AB卷(人教版).docx
免费
0下载
初中九年级物理初三物理上册复习题(四).doc
初中九年级物理初三物理上册复习题(四).doc
免费
0下载
广东省2017年中考物理真题试题(含解析).DOC
广东省2017年中考物理真题试题(含解析).DOC
免费
0下载
初中九年级物理贵州省安顺市2017年中考理综(物理部分)真题试题(含解析).DOC
初中九年级物理贵州省安顺市2017年中考理综(物理部分)真题试题(含解析).DOC
免费
10下载
我的小文库
实名认证
内容提供者

提供高质量免费文档试卷下载,如果满意请告诉您身边的人,如果不满意请告诉我们,您的意见对于我们很重要,是我们不断进步的动力

相关文档

阅读排行

确认删除?
回到顶部
客服号
  • 客服QQ点击这里给我发消息
QQ群
  • QQ群点击这里加入QQ群
提交所需资料详情,我们来帮找资料