2017年高考化学试卷(浙江)(11月)(空白卷) (1).docx本文件免费下载 【共11页】

2017年高考化学试卷(浙江)(11月)(空白卷) (1).docx
2017年高考化学试卷(浙江)(11月)(空白卷) (1).docx
2017年高考化学试卷(浙江)(11月)(空白卷) (1).docx
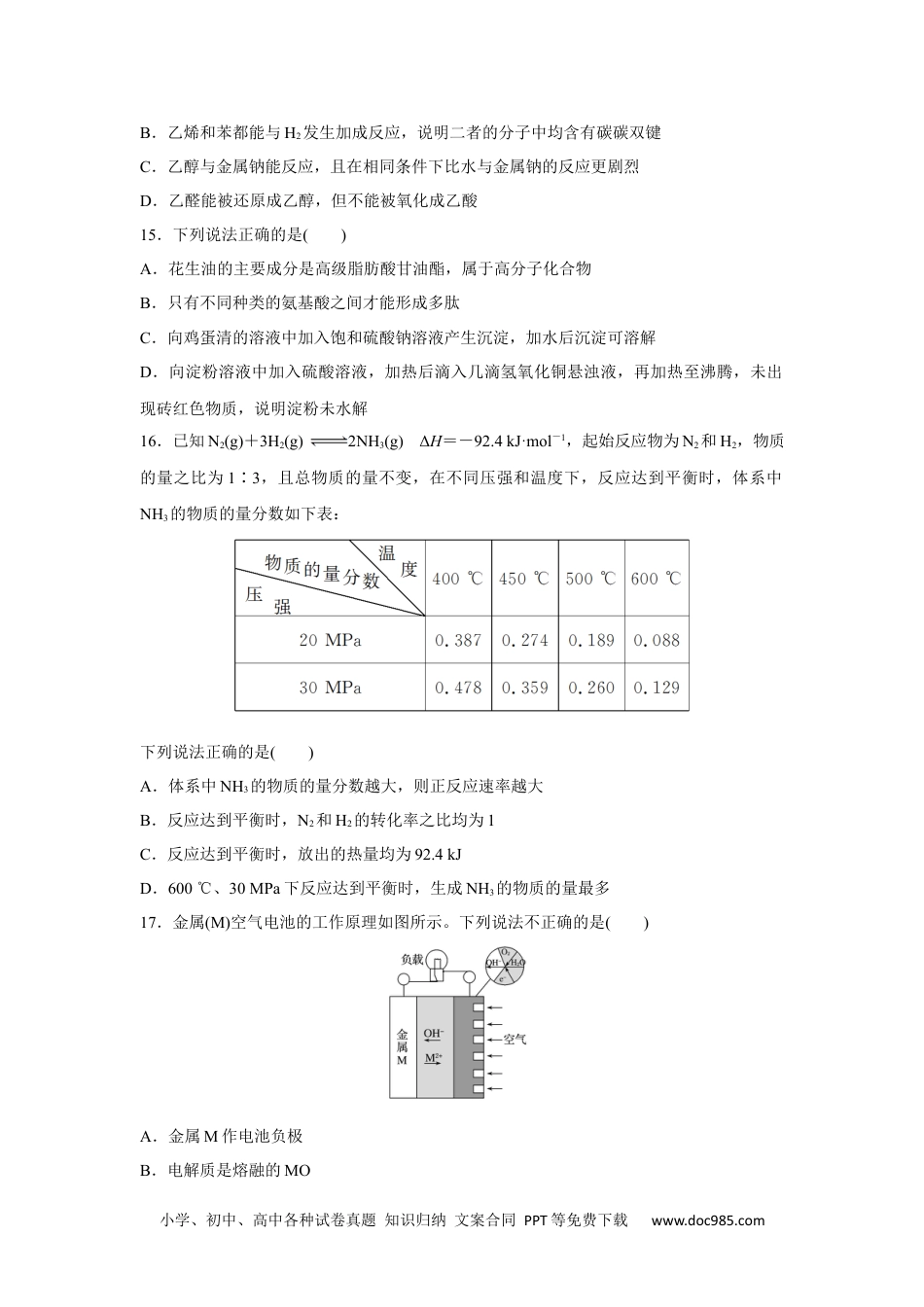
小学、初中、高中各种试卷真题知识归纳文案合同PPT等免费下载www.doc985.com2017年11月浙江省普通高校招生选考科目考试试题一、选择题(本大题共25小题,每小题2分,共50分。每小题列出的四个备选项中只有一个是符合题目要求的,不选、多选、错选均不得分。)1.下列属于氧化物的是()A.Na2OB.Ca(OH)2C.HClOD.K2CO32.下列仪器名称为“蒸馏烧瓶”的是()3.下列属于电解质的是()A.镁B.酒精C.硫酸铜D.食盐水4.下列分散系属于悬浊液的是()A.牛奶B.蔗糖溶液C.泥浆水D.氢氧化铁胶体5.下列不属于化石燃料的是()A.煤B.石油C.天然气D.甲醇6.下列说法不正确的是()A.干冰可用于人工降雨B.碘酸钾可用作加碘食盐的添加剂C.碳酸钠是发酵粉的主要成分D.次氯酸钙是漂白粉的主要成分7.下列属于置换反应的是()A.2FeCl3+Cu===CuCl2+2FeCl2B.2HClO=====2HCl+O2↑C.CO+CuO=====CO2+CuD.2Mg+CO2=====2MgO+C8.下列表示不正确的是()A.氯原子的结构示意图:B.二氧化碳的结构式:O===C===O小学、初中、高中各种试卷真题知识归纳文案合同PPT等免费下载www.doc985.comC.甲烷的球棍模型:D.乙醛的官能团:—CHO9.下列物质的水溶液不能使酚酞变红的是()A.NaOHB.Na2CO3C.NaClD.NH310.下列方法(必要时可加热)不合理的是()A.用澄清石灰水鉴别CO和CO2B.用水鉴别苯和四氯化碳C.用氢氧化钡溶液鉴别NH4Cl、(NH4)2SO4和K2SO4D.用淀粉碘化钾试纸鉴别碘水和溴水11.下列说法正确的是()A.O表示中子数为10的氧元素的一种核素B.金刚石和石墨互为同素异形体,两者之间不能相互转化C.CH3COOH和CH3COOCH3互为同系物D.C6H14的同分异构体有4种,其熔点各不相同12.下列离子方程式不正确的是()A.氢氧化钠溶液与二氧化硅反应:SiO2+2OH-===SiO+H2OB.碳酸钠溶液与氢氧化钡溶液反应:CO+Ba(OH)2===BaCO3↓+2OH-C.酸性硫酸亚铁溶液在空气中被氧化:4Fe2++O2+4H+===4Fe3++2H2OD.氯气与氢氧化钠溶液反应:Cl2+2OH-===ClO-+Cl-+H2O13.Q、X、Y和Z为短周期元素,它们在周期表中的位置如图所示,这4种元素的原子最外层电子数之和为22,下列说法正确的是()XYQZA.Y的原子半径比X的大B.Q的最高价氧化物的水化物的酸性比Z的强C.X、Y和氢3种元素形成的化合物中都只有共价键D.Q的单质具有半导体的性质,Q与Z可形成化合物QZ414.下列说法正确的是()A.正丁烷和异丁烷均有两种一氯取代物小学、初中、高中各种试卷真题知识归纳文案合同PPT等免费下载www.doc985.comB.乙烯和苯都能与H2发生加成反应,说明二者的分子中均含有碳碳双键C.乙醇与金属钠能反应,且在相同条件下比水与金属钠的反应更剧烈D.乙醛能被还原成乙醇,但不能被氧化成乙酸15.下列说法正确的是()A.花生油的主要成分是高级脂肪酸甘油酯,属于高分子化合物B.只有不同种类的氨基酸之间才能形成多肽C.向鸡蛋清的溶液中加入饱和硫酸钠溶液产生沉淀,加水后沉淀可溶解D.向淀粉溶液中加入硫酸溶液,加热后滴入几滴氢氧化铜悬浊液,再加热至沸腾,未出现砖红色物质,说明淀粉未水解16.已知N2(g)+3H2(g)2NH3(g)ΔH=-92.4kJ·mol-1,起始反应物为N2和H2,物质的量之比为1∶3,且总物质的量不变,在不同压强和温度下,反应达到平衡时,体系中NH3的物质的量分数如下表:下列说法正确的是()A.体系中NH3的物质的量分数越大,则正反应速率越大B.反应达到平衡时,N2和H2的转化率之比均为1C.反应达到平衡时,放出的热量均为92.4kJD.600℃、30MPa下反应达到平衡时,生成NH3的物质的量最多17.金属(M)空气电池的工作原理如图所示。下列说法不正确的是()A.金属M作电池负极B.电解质是熔融的MO小学、初中、高中各种试卷真题知识归纳文案合同PPT等免费下载www.doc985.comC.正极的电极反应O2+4e-+2H2O===4OH-D.电池反应2M+O2+2H2O===2M(OH)218.下列说法不正确的是()A.pH<7的溶液不一定呈酸性B.在相同温度下,物质的量浓度相等的氨水、NaOH溶液,c(OH-)相等C.在相同温度下,pH相等的盐酸、CH3COOH溶液,c(Cl-)=c(CH3COO-)D.氨水和盐酸反应后的溶液,若c(Cl-)=c(NH),则溶液呈中性19.根据C...

1、当您付费下载文档后,您只拥有了使用权限,并不意味着购买了版权,文档只能用于自身使用,不得用于其他商业用途(如 [转卖]进行直接盈利或[编辑后售卖]进行间接盈利)。
2、本站所有内容均由合作方或网友上传,本站不对文档的完整性、权威性及其观点立场正确性做任何保证或承诺!文档内容仅供研究参考,付费前请自行鉴别。
3、如文档内容存在违规,或者侵犯商业秘密、侵犯著作权等,请点击“违规举报”。

碎片内容

与本文档类似文档
精品解析:上海市宝山区2023届高三一模化学试题(解析版).docx
精品解析:上海市宝山区2023届高三一模化学试题(解析版).docx
免费
0下载
高考化学复习  第二章 第5练 物质的量 气体摩尔体积.docx
高考化学复习 第二章 第5练 物质的量 气体摩尔体积.docx
免费
0下载
2024年高考化学试卷(辽宁)(空白卷) (2).docx
2024年高考化学试卷(辽宁)(空白卷) (2).docx
免费
0下载
2002年重庆高考理科综合真题及答案 (1).doc
2002年重庆高考理科综合真题及答案 (1).doc
免费
0下载
浙江省台州市八校联盟2022-2023学年高一下学期期中联考化学试题(原卷版).pdf
浙江省台州市八校联盟2022-2023学年高一下学期期中联考化学试题(原卷版).pdf
免费
18下载
高考化学复习  微专题突破07 焓变与电化学(作业二)(学生版).docx
高考化学复习 微专题突破07 焓变与电化学(作业二)(学生版).docx
免费
0下载
2022年高考化学真题(湖北自主命题)(原卷版).docx
2022年高考化学真题(湖北自主命题)(原卷版).docx
免费
14下载
精品解析:江苏省苏锡常镇四市2023-2024学年高三下学期教学情况调研(一模)化学试题(解析版).docx
精品解析:江苏省苏锡常镇四市2023-2024学年高三下学期教学情况调研(一模)化学试题(解析版).docx
免费
0下载
2023年高考化学试卷(全国甲卷)(解析卷) (5).docx
2023年高考化学试卷(全国甲卷)(解析卷) (5).docx
免费
0下载
【试卷】2023-2024学年上海市长宁区高三(上)期末化学试卷(一模)(解析版).doc
【试卷】2023-2024学年上海市长宁区高三(上)期末化学试卷(一模)(解析版).doc
免费
0下载
高考化学复习  考点四 氧化还原反应的计算(解析版).docx
高考化学复习 考点四 氧化还原反应的计算(解析版).docx
免费
0下载
2020-2021学年上海市奉贤区高三(上)期末化学试卷(一模).doc
2020-2021学年上海市奉贤区高三(上)期末化学试卷(一模).doc
免费
0下载
1995年云南高考化学真题及答案.doc
1995年云南高考化学真题及答案.doc
免费
25下载
高中化学·选择性必修1(LK版)课时作业(word)  课时作业19.docx
高中化学·选择性必修1(LK版)课时作业(word) 课时作业19.docx
免费
18下载
高考化学复习  阶段检测卷一 基本概念(解析版).docx
高考化学复习 阶段检测卷一 基本概念(解析版).docx
免费
0下载
2025年新高考化学资料  专题13  有机化学基础(测试)(原卷版).docx
2025年新高考化学资料 专题13 有机化学基础(测试)(原卷版).docx
免费
0下载
2020年江苏省高考化学试卷解析版   .pdf
2020年江苏省高考化学试卷解析版 .pdf
免费
17下载
2023《微专题·小练习》·化学·新教材·XL-6详解答案.docx
2023《微专题·小练习》·化学·新教材·XL-6详解答案.docx
免费
6下载
2013年浙江省高考化学(原卷版).pdf
2013年浙江省高考化学(原卷版).pdf
免费
10下载
2024年高考化学试卷(天津)(空白卷) (1).docx
2024年高考化学试卷(天津)(空白卷) (1).docx
免费
0下载
我的小文库
实名认证
内容提供者

提供高质量免费文档试卷下载,如果满意请告诉您身边的人,如果不满意请告诉我们,您的意见对于我们很重要,是我们不断进步的动力

阅读排行

确认删除?
回到顶部
客服号
  • 客服QQ点击这里给我发消息
QQ群
  • QQ群点击这里加入QQ群
提交所需资料详情,我们来帮找资料