上海市浦东新区2014年高三第一学期期末(一模)学科质量检测化学试题及答案(word版).doc本文件免费下载 【共12页】

上海市浦东新区2014年高三第一学期期末(一模)学科质量检测化学试题及答案(word版).doc
上海市浦东新区2014年高三第一学期期末(一模)学科质量检测化学试题及答案(word版).doc
上海市浦东新区2014年高三第一学期期末(一模)学科质量检测化学试题及答案(word版).doc
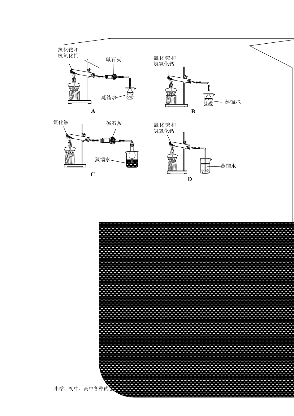
浦东新区2013~2014学年第一学期教学质量检测高三化学试卷2014.1考生注意:1.本试卷满分100分,考试时间60分钟。2.本考试设试卷和答题纸两部分,试卷包括试题与答题要求;所有答题必须涂(选择题)或写(非选择题)在答题纸上;做在试卷上一律不得分。3.答题前,考生务必在答题纸上用钢笔或圆珠笔清楚填写学校、班级、姓名、准考证号。4.答题纸与试卷在试题编号上是一一对应的,答题时应特别注意,不能错位。相对原子质量:H-1C-12N-14O-16Na-23Cl-35.5一、选择题(本题共10分,每小题2分,只有一个正确选项)1.下列金属化合物中最方便用于潜水艇舱内供氧的是A.KMnO4B.KClO3C.KNO3D.Na2O22.符号Cl中左上角的“35”代表A.元素的质量数B.原子的质量数C.元素的平均相对原子质量D.元素的近似相对原子质量3.HCl分子中氢氯键(H-Cl)的键能大约是HCl分子间范德华力的____倍。A.20B.2C.0.5D.0.054.下列关于甘油醛(1,2-二羟基丙醛)分子的写法中最合理的是A.OHCH2CH(OH)CHOB.HOCH2CH2(OH)CHOC.HOCH2CH(OH)COHD.HOCH2CH(OH)CHO5.设C+CO22CO-Q1反应速率为V1N2+3H22NH3+Q2反应速率为V2当温度升高时,速率变化情况为A.V1提高,V2下降B.V1、V2都提高C.V1下降,V2提高D.V1、V2都下降二、选择题(本题共36分,每小题3分,只有一个正确选项)6.在苯酚钠溶液中通入二氧化碳,发生反应:C6H5ONa+CO2+H2O→C6H5OH↓+NaHCO3,该反应证明苯酚钠的碱性强于A.苯酚B.碳酸钠C.碳酸氢钠D.氢氧化钠小学、初中、高中各种试卷真题知识归纳文案合同PPT等免费下载www.doc985.com7.反应Cu2++Zn→Cu+Zn2+可在溶液中进行完全,由该反应可判断Cu2+的氧化性强于A.ZnB.CuC.Zn2+D.Fe3+8.称取两份铝粉,第一份加入足量浓氢氧化钠溶液,第二份加入足量盐酸,如要放出等量的气体,两份铝粉的质量之比为____。A.1:3B.3:1C1:1D.4:39.下列制备氨水的实验装置中最合理的是小学、初中、高中各种试卷真题知识归纳文案合同PPT等免费下载www.doc985.com小学、初中、高中各种试卷真题知识归纳文案合同PPT等免费下载www.doc985.comA氯化铵和氢氧化钙蒸馏水碱石灰B氯化铵和氢氧化钙蒸馏水C氯化铵蒸馏水碱石灰D氯化铵和氢氧化钙蒸馏水小学、初中、高中各种试卷真题知识归纳文案合同PPT等免费下载www.doc985.com10.溴乙烷与硝酸银溶液混合,未见沉淀物发生,以下解释中理由最充分的是A.溴乙烷是共价化合物B.硝酸银是强电解质C.溴乙烷属非电解质D.溶液未酸化、未加热11.将碳棒和铁棒平行插入NaCl溶液,两棒的液面以上部分用铜丝相联并接入电流计,电流计指针偏转。以下说法正确的是A.电子自碳棒通过溶液流向铁棒B.电子自铁棒通过铜丝流向碳棒C.溶液中的H+得到电子放出H2D.铜丝失去电子发生氧化反应12.同分异构体指的是相同分子式不同分子结构的化合物,它描述的对象主体是化合物。同素异形体、同位素、同系物描述的对象主体依次为A.单质、原子、化合物B.元素、单质、化合物C.无机化合物、元素、有机化合物D.原子核、原子、分子13.在某水溶液样品中滴加氯化钡溶液,产生白色沉淀;再滴加盐酸,沉淀部分消失,并有无色无味的气体产生。由此判断该溶液中肯定不存在的离子是A.Ag+B.SO42-C.CO32-D.NH4+14.欲观察金属钠与苯酚间发生置换反应并在液体中产生气泡的现象,可首先将固态苯酚溶解在A.水中B.酒精中C.四氯化碳中D.煤油中15.将浓度均为0.2mol/L的CH3COOH和CH3COONa溶液等体积混合,混合液呈弱酸性,小学、初中、高中各种试卷真题知识归纳文案合同PPT等免费下载www.doc985.com0加水体积XY其中有三种微粒的浓度非常接近,这三种微粒是A.CH3COO-Na+CH3COOHB.CH3COO-CH3COOHH+C.CH3COOHOH-H+D.CH3COO-OH-H+16.NA表示阿佛加德罗常数。常温下,将下列气体通入1L水中直至饱和,溶液中溶质微粒数最接近0.1NA的是A.SO2B.CO2C.Cl2D.NH317.同是ⅤA族元素的单质,氮的熔点很低,铋的熔点较高,从物质结构来看,原因是A.氮为非金属,铋为金属B.氮的摩尔质量远低于铋的摩尔质量C.固态氮是分子晶体,而铋是金属晶体D.氮分子由叁键构成,铋原子通过金属键结合三、选择题(本题共20分,每小题4分,每小题有一个或两个正确选项。漏选给2分,错选不给分)18....

1、当您付费下载文档后,您只拥有了使用权限,并不意味着购买了版权,文档只能用于自身使用,不得用于其他商业用途(如 [转卖]进行直接盈利或[编辑后售卖]进行间接盈利)。
2、本站所有内容均由合作方或网友上传,本站不对文档的完整性、权威性及其观点立场正确性做任何保证或承诺!文档内容仅供研究参考,付费前请自行鉴别。
3、如文档内容存在违规,或者侵犯商业秘密、侵犯著作权等,请点击“违规举报”。

碎片内容

与本文档类似文档
高考化学专题36  “位—构—性”综合——文字+周期表推断与分析(原卷卷).docx
高考化学专题36 “位—构—性”综合——文字+周期表推断与分析(原卷卷).docx
免费
0下载
高考化学复习  题型06 氧化还原反应(原卷版).docx
高考化学复习 题型06 氧化还原反应(原卷版).docx
免费
0下载
2011年高考化学试卷(海南)(解析卷).doc
2011年高考化学试卷(海南)(解析卷).doc
免费
0下载
高考化学复习  01 考点一 原子结构(学生版).docx
高考化学复习 01 考点一 原子结构(学生版).docx
免费
0下载
高中2022·微专题·小练习·化学【统考版】专练37.docx
高中2022·微专题·小练习·化学【统考版】专练37.docx
免费
0下载
高考化学复习  模板02 化学反应机理图像分析(原卷版).docx
高考化学复习 模板02 化学反应机理图像分析(原卷版).docx
免费
0下载
上海市杨浦区2015年高三第一学期期末(一模)学科质量检测化学试题及答案(word版).doc
上海市杨浦区2015年高三第一学期期末(一模)学科质量检测化学试题及答案(word版).doc
免费
0下载
2022·微专题·小练习·化学【统考版】专练23.docx
2022·微专题·小练习·化学【统考版】专练23.docx
免费
3下载
高考化学专题50  多池与膜在电化学中应用(原卷卷).docx
高考化学专题50 多池与膜在电化学中应用(原卷卷).docx
免费
0下载
新教材人教版化学精品解析:2021年7月浙江省普通高中学业水平考试化学试题(解析版).docx
新教材人教版化学精品解析:2021年7月浙江省普通高中学业水平考试化学试题(解析版).docx
免费
0下载
2024年高考化学一轮复习讲义(新人教版)2024年高考化学一轮复习(新高考版) 第9章 第55讲 溶液中“粒子”浓度关系.docx
2024年高考化学一轮复习讲义(新人教版)2024年高考化学一轮复习(新高考版) 第9章 第55讲 溶液中“粒子”浓度关系.docx
免费
14下载
2021届江苏省南通市高三下学期5月考前练习卷(四模)化学试题(原卷版).docx
2021届江苏省南通市高三下学期5月考前练习卷(四模)化学试题(原卷版).docx
免费
0下载
2024版《微专题》·化学·新高考专练16.docx
2024版《微专题》·化学·新高考专练16.docx
免费
4下载
2023《大考卷》二轮专项分层特训卷•化学【统考版】仿真模拟冲刺标准练(四).docx
2023《大考卷》二轮专项分层特训卷•化学【统考版】仿真模拟冲刺标准练(四).docx
免费
21下载
2013年高考化学试卷(浙江)(空白卷).doc
2013年高考化学试卷(浙江)(空白卷).doc
免费
0下载
高中化学·选择性必修3(LK版)课时作业WORD  课时作业(六).docx
高中化学·选择性必修3(LK版)课时作业WORD 课时作业(六).docx
免费
18下载
2023《微专题·小练习》·化学·L-6专练37.docx
2023《微专题·小练习》·化学·L-6专练37.docx
免费
17下载
2024年高考化学试卷(上海)(解析卷).docx
2024年高考化学试卷(上海)(解析卷).docx
免费
0下载
2023《大考卷》二轮专项分层特训卷•化学【新教材】练 12.docx
2023《大考卷》二轮专项分层特训卷•化学【新教材】练 12.docx
免费
30下载
高考化学专题13 化学实验综合题-三年(2022-2024)高考化学真题分类汇编(全国通用)(教师卷).docx
高考化学专题13 化学实验综合题-三年(2022-2024)高考化学真题分类汇编(全国通用)(教师卷).docx
免费
0下载
我的小文库
实名认证
内容提供者

提供高质量免费文档试卷下载,如果满意请告诉您身边的人,如果不满意请告诉我们,您的意见对于我们很重要,是我们不断进步的动力

阅读排行

确认删除?
回到顶部
客服号
  • 客服QQ点击这里给我发消息
QQ群
  • QQ群点击这里加入QQ群
提交所需资料详情,我们来帮找资料